GM Service Manual Online
For 1990-2009 cars only
Makes
🢒
HUMMER
🢒
2008
🢒
H3
🢒
Diagnostic Navigation
🢒
Vehicle Diagnostic Information
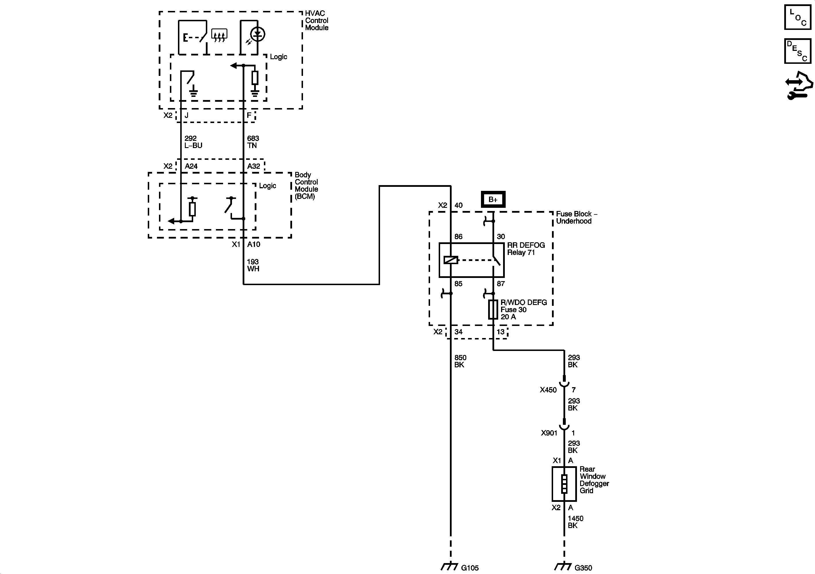
🢒 Defogger Schematics
Master Electrical Component List
Rear Window Defogger Description and Operation
Control Module References