GM Service Manual Online
For 1990-2009 cars only
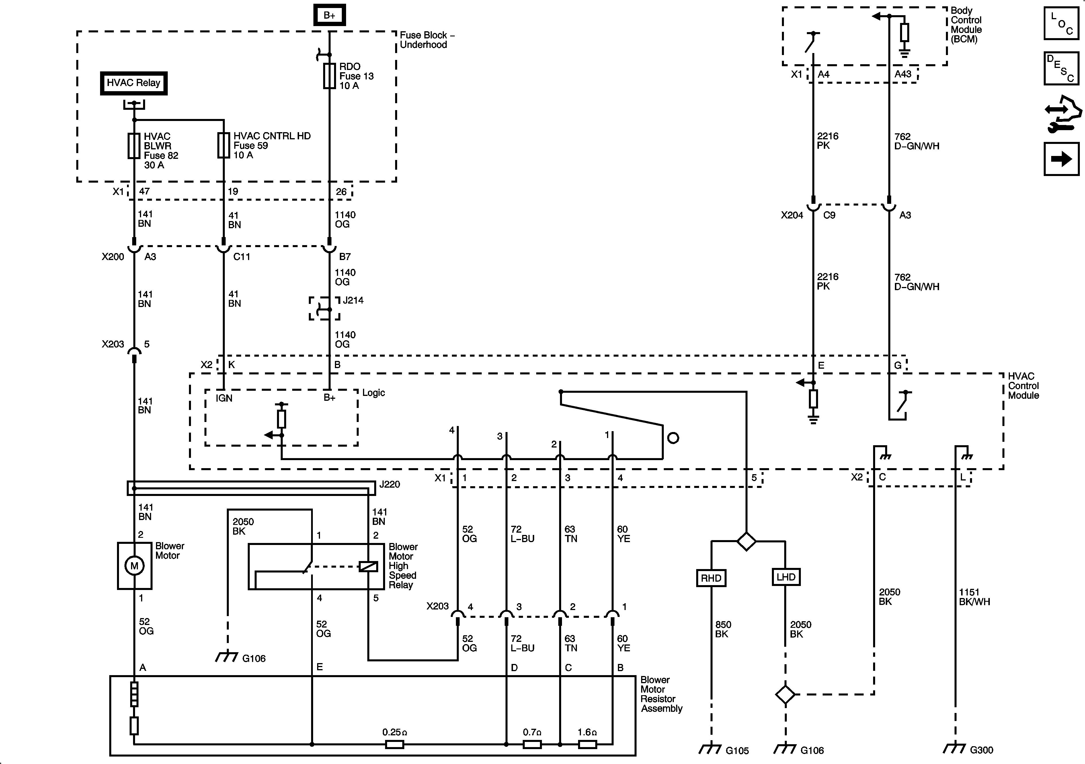
Figure 1:

Module Power, Ground, Serial Data, and Blower Controls


Object Number: 1911818  Size: FS
Master Electrical Component List
Air Temperature Description and Operation
Control Module References
Rearview Camera (UVC)
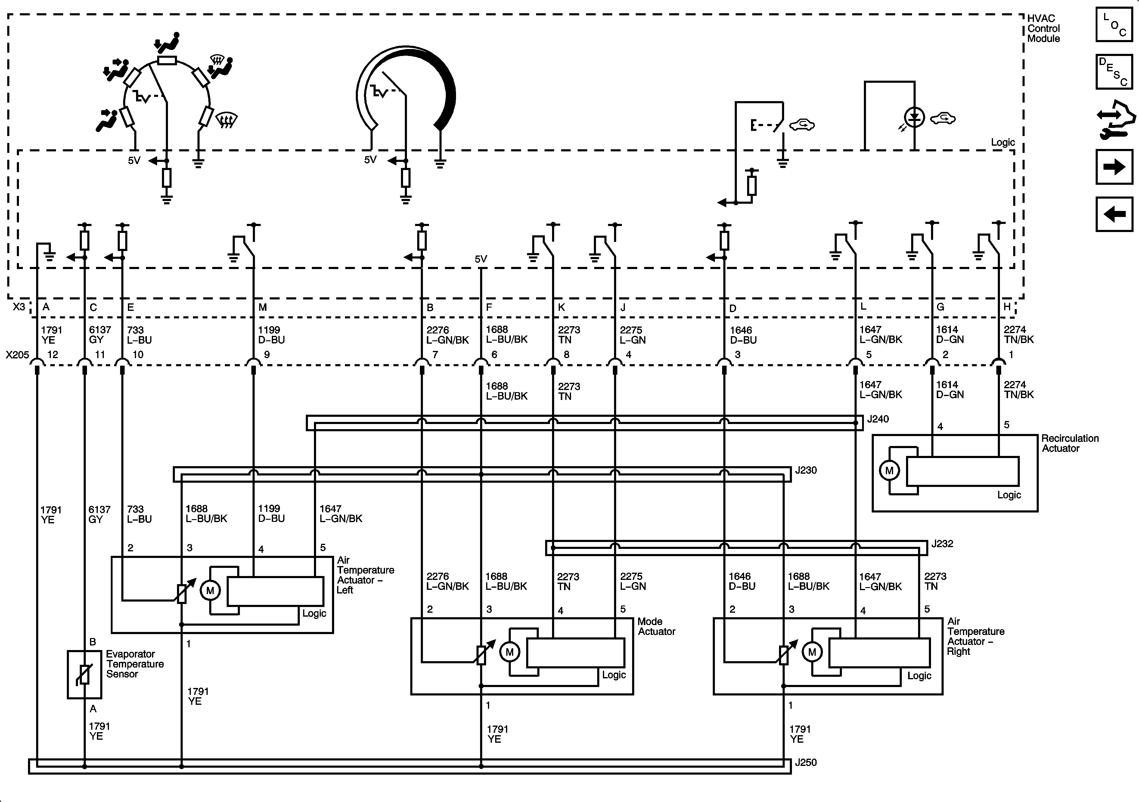
Figure 2:

Air Delivery Control


Object Number: 1911820  Size: FS
Master Electrical Component List
Air Temperature Description and Operation
Control Module References
Compressor Control
Rearview Camera (UVC)
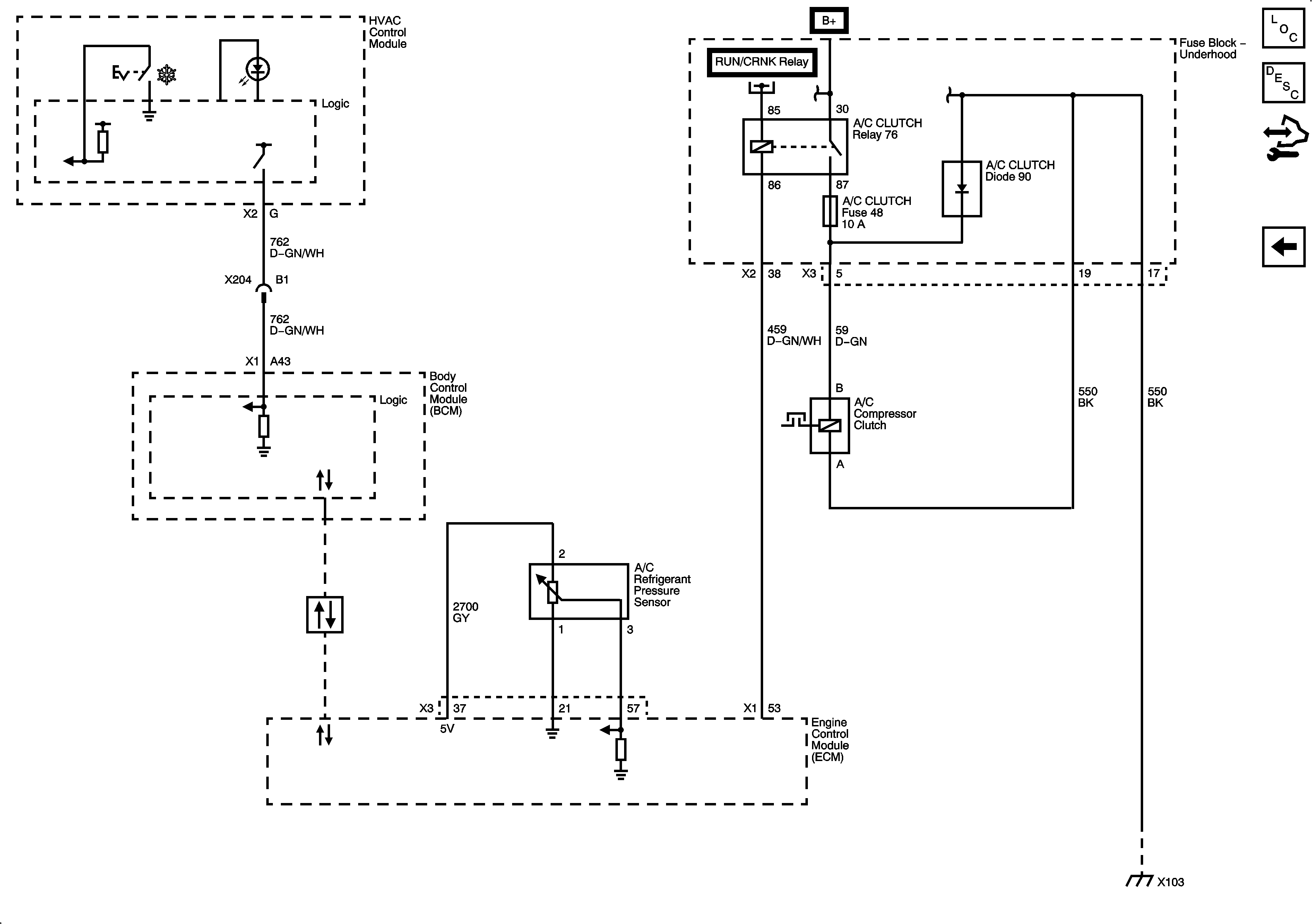
Figure 3:

Compressor Controls


Object Number: 1911823  Size: FS
Master Electrical Component List
Air Temperature Description and Operation
Control Module References
Air Delivery Control