GM Service Manual Online
For 1990-2009 cars only
Makes
🢒
HUMMER
🢒
2008
🢒
H3
🢒
Diagnostic Navigation
🢒
Vehicle Diagnostic Information
🢒 Instrument Cluster Schematics
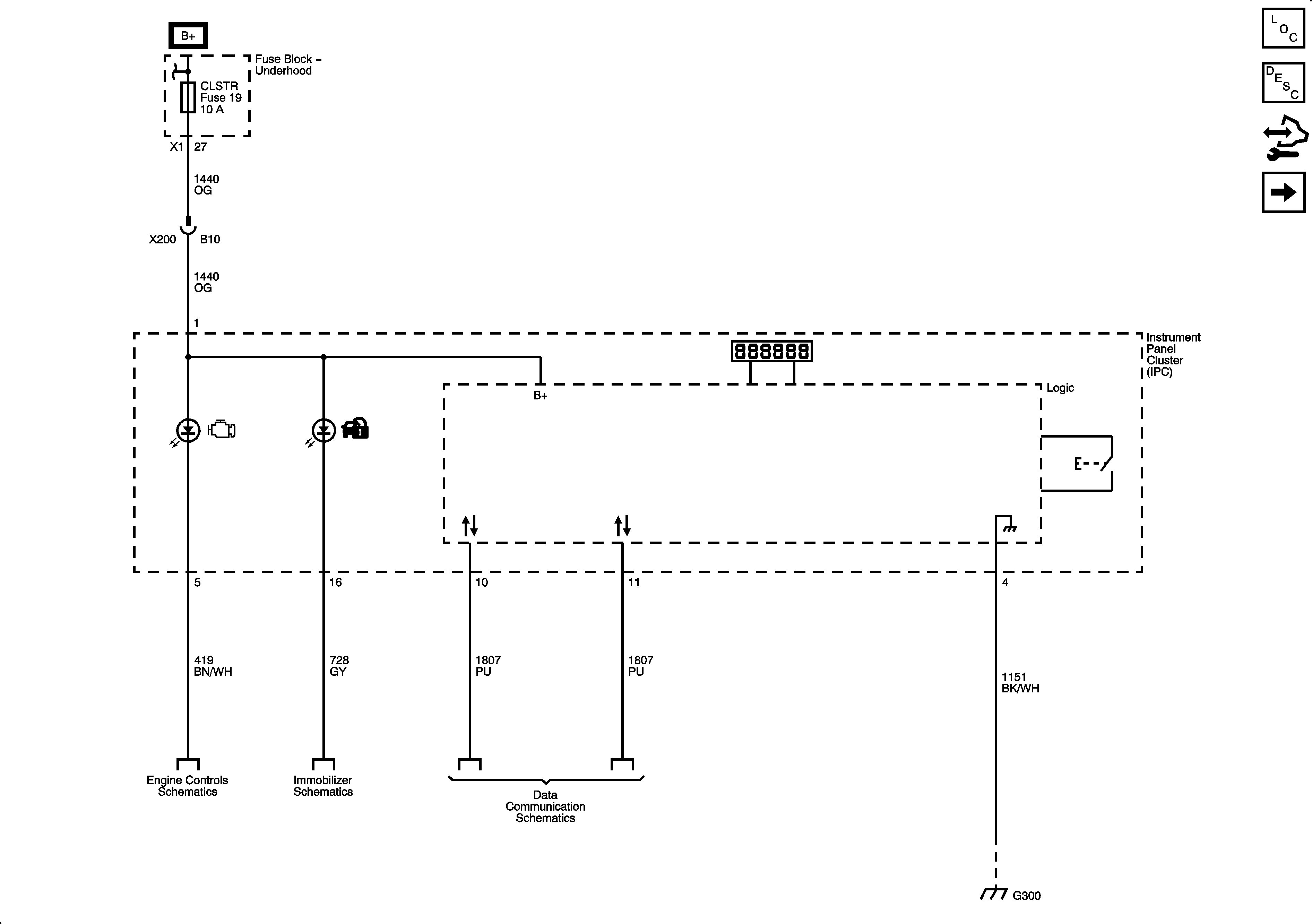
Figure
1:
Power, Ground, and Serial Data
Master Electrical Component List
Instrument Cluster Description and Operation
Control Module References
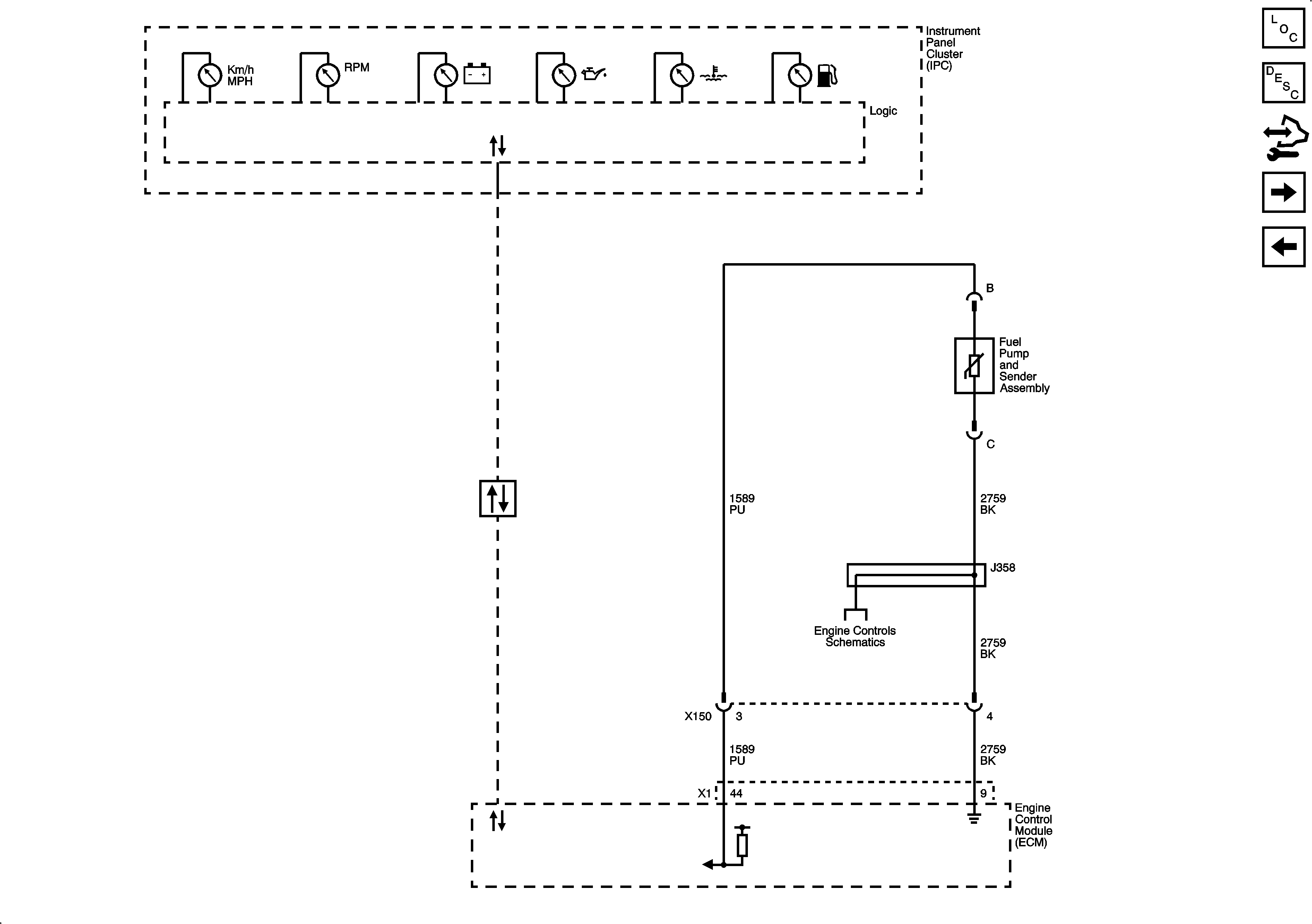
Gages
Figure
2:
Gages
Master Electrical Component List
Instrument Cluster Description and Operation
Control Module References
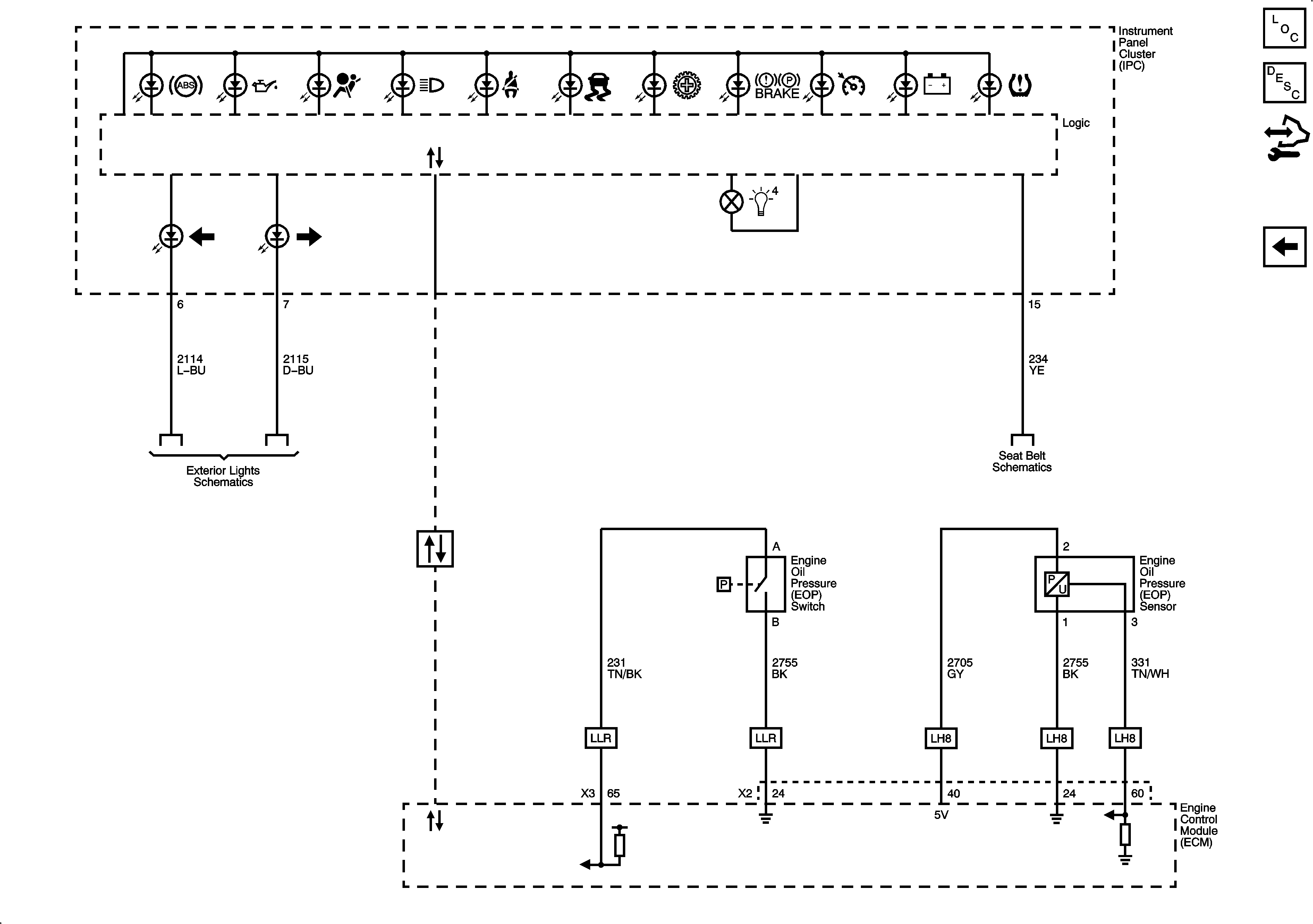
Indicators
Power, Ground, and Serial Data
Figure
3:
Indicators
Master Electrical Component List
Instrument Cluster Description and Operation
Control Module References
Gages