GM Service Manual Online
For 1990-2009 cars only
Makes
🢒
HUMMER
🢒
2008
🢒
H3
🢒
Diagnostic Navigation
🢒
Vehicle Diagnostic Information
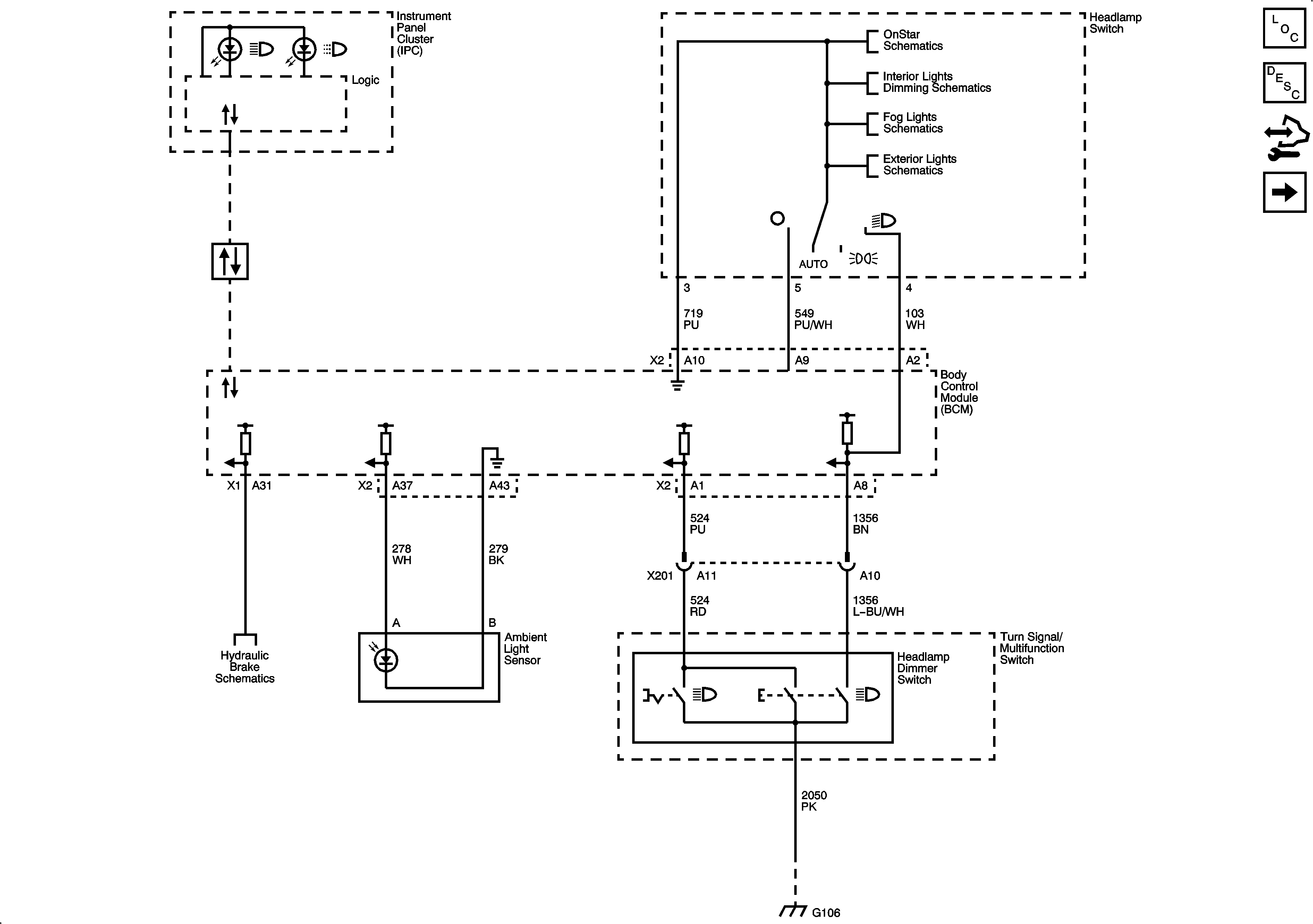
🢒 Headlights/Daytime Running Lights (DRL) Schematics
Figure
1:
Headlamp and Daytime Running Lamp Control
Master Electrical Component List
Exterior Lighting Systems Description and Operation
Control Module References
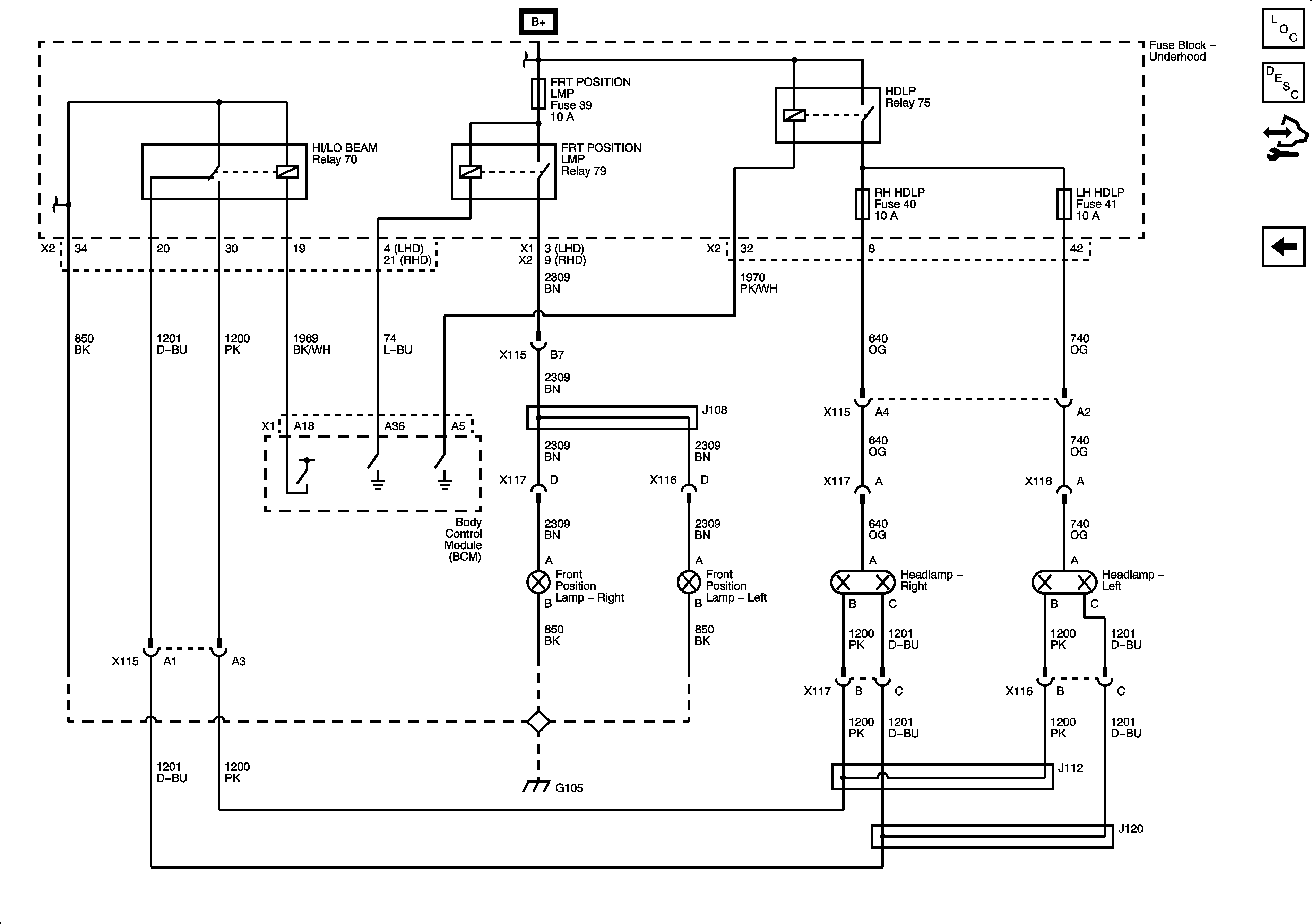
Headlamps (Except EXP)
Figure
2:
Headlamps (Except EXP)
Master Electrical Component List
Exterior Lighting Systems Description and Operation
Control Module References
Headlamps (EXP)
Headlamp and Daytime Running Lamp Controls
Figure
3:
Headlamps (EXP)
Master Electrical Component List
Exterior Lighting Systems Description and Operation
Control Module References
Headlamps (Except EXP)