GM Service Manual Online
For 1990-2009 cars only
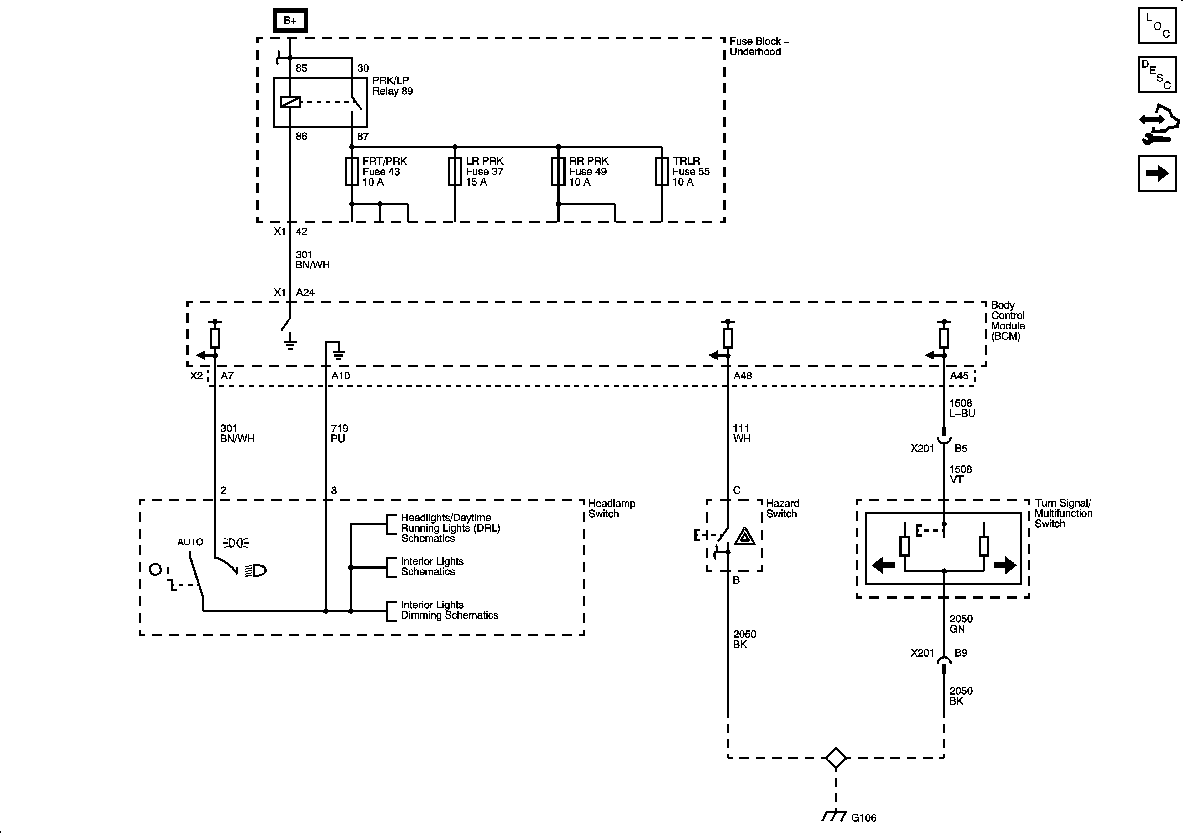
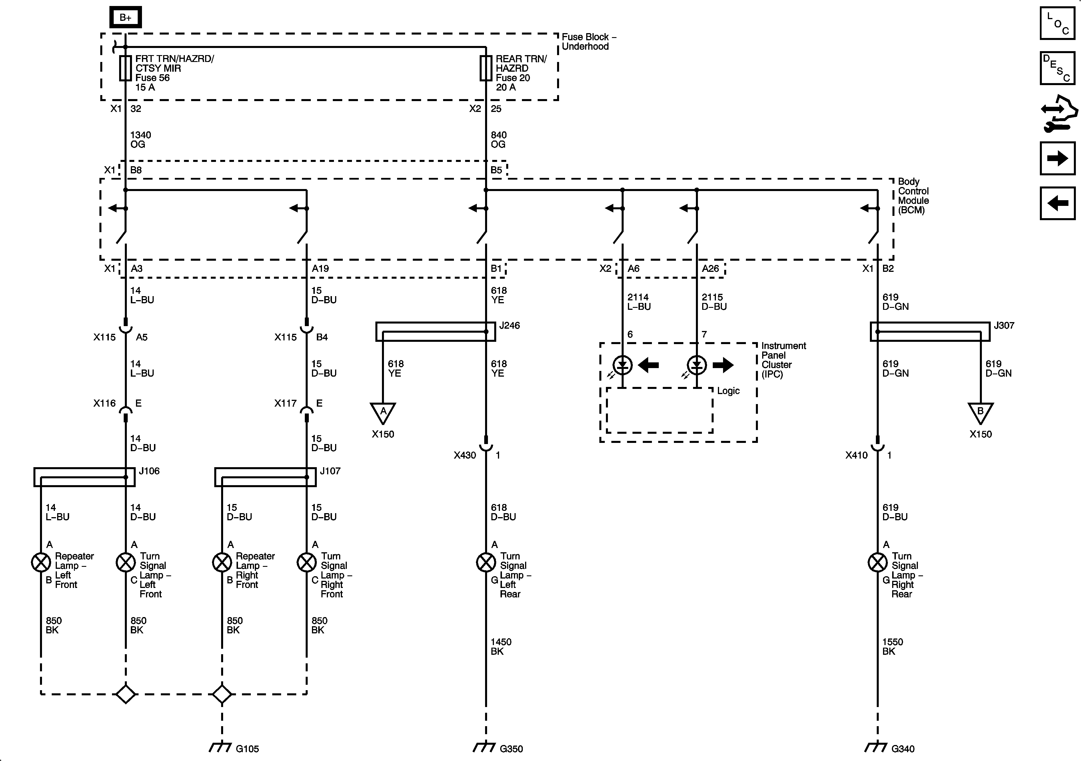
Figure 1:

Park Lamp and Turn Signal Lamp Controls


Object Number: 1911961  Size: FS
Master Electrical Component List
Exterior Lighting Systems Description and Operation
Control Module References
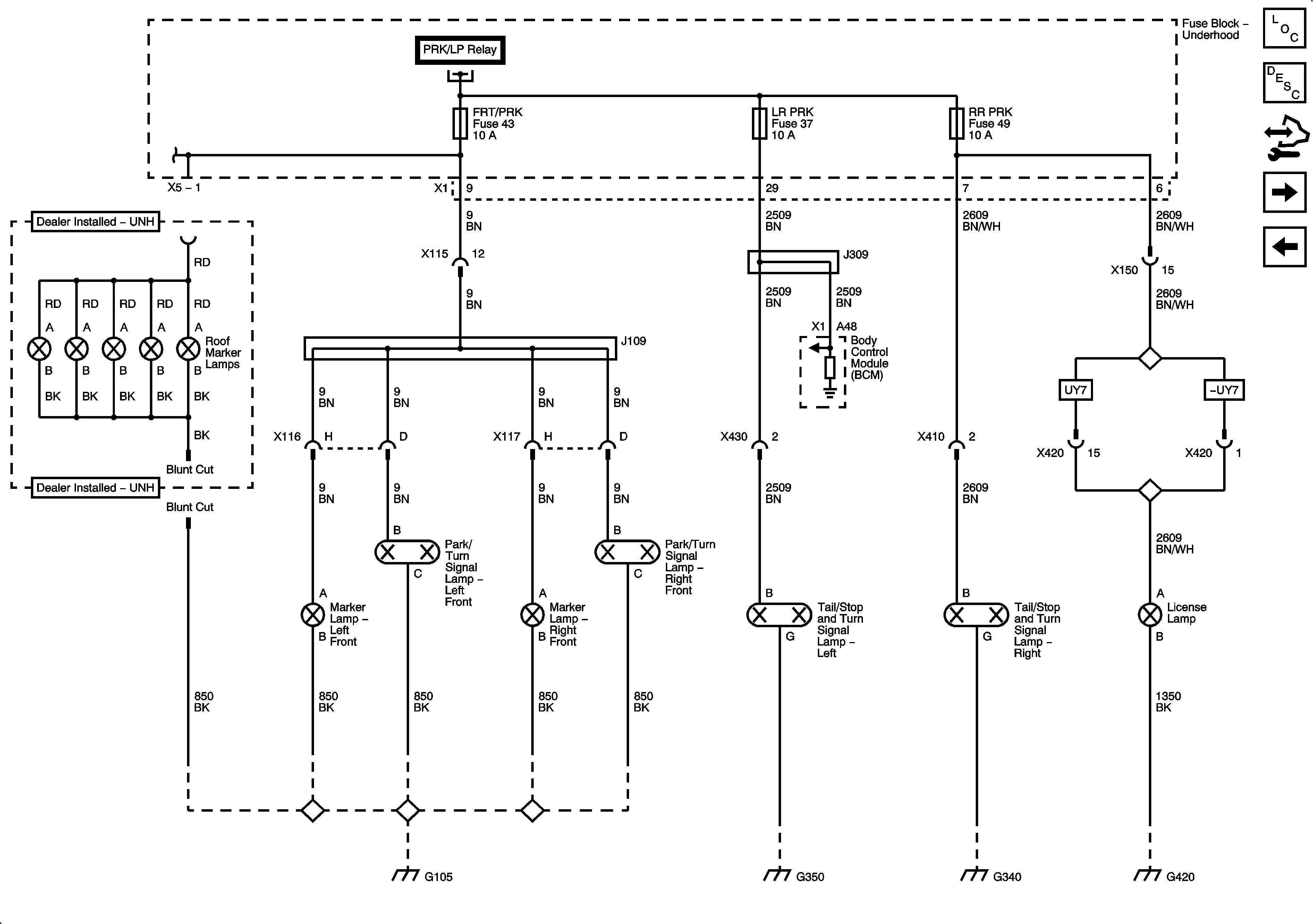
Park Lamps (Except EXP)
Figure 2:

Park Lamps (Except EXP)


Object Number: 1911962  Size: FS
Master Electrical Component List
Exterior Lighting Systems Description and Operation
Control Module References
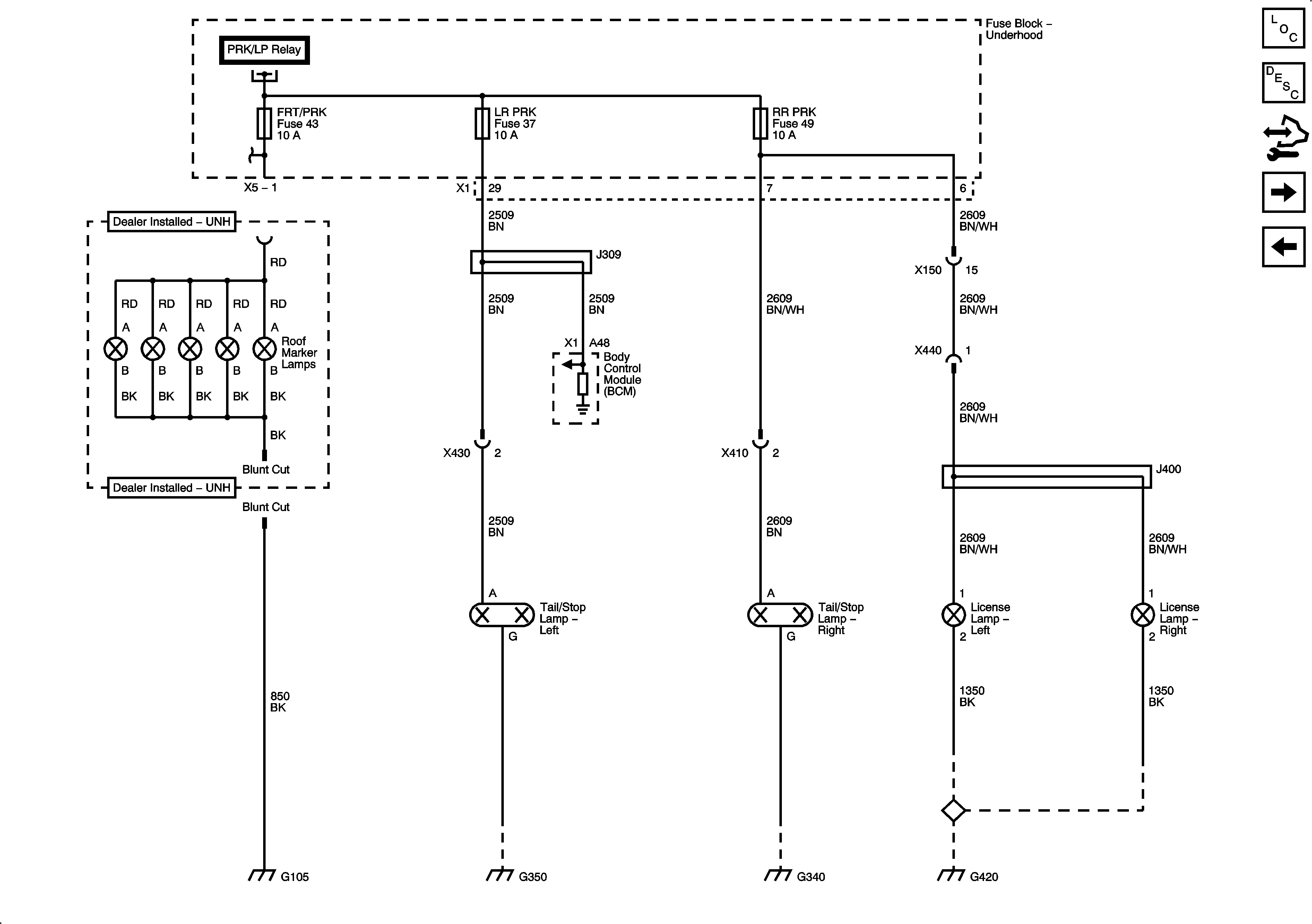
Park Lamps (EXP)
Park Lamp and Turn Signal Lamp Control
Figure 3:

Park Lamps (EXP)


Object Number: 1911964  Size: FS
Master Electrical Component List
Exterior Lighting Systems Description and Operation
Control Module References
Turn Signals (Except EXP)
Park Lamps (Except EXP)
Figure 4:

Turn Signals (Except EXP)


Object Number: 1911965  Size: FS
Master Electrical Component List
Exterior Lighting Systems Description and Operation
Control Module References
Turn Signals (EXP)
Park Lamps (EXP)
Figure 5:

Turn Signals (EXP)


Object Number: 1911966  Size: FS
Master Electrical Component List
Exterior Lighting Systems Description and Operation
Control Module References
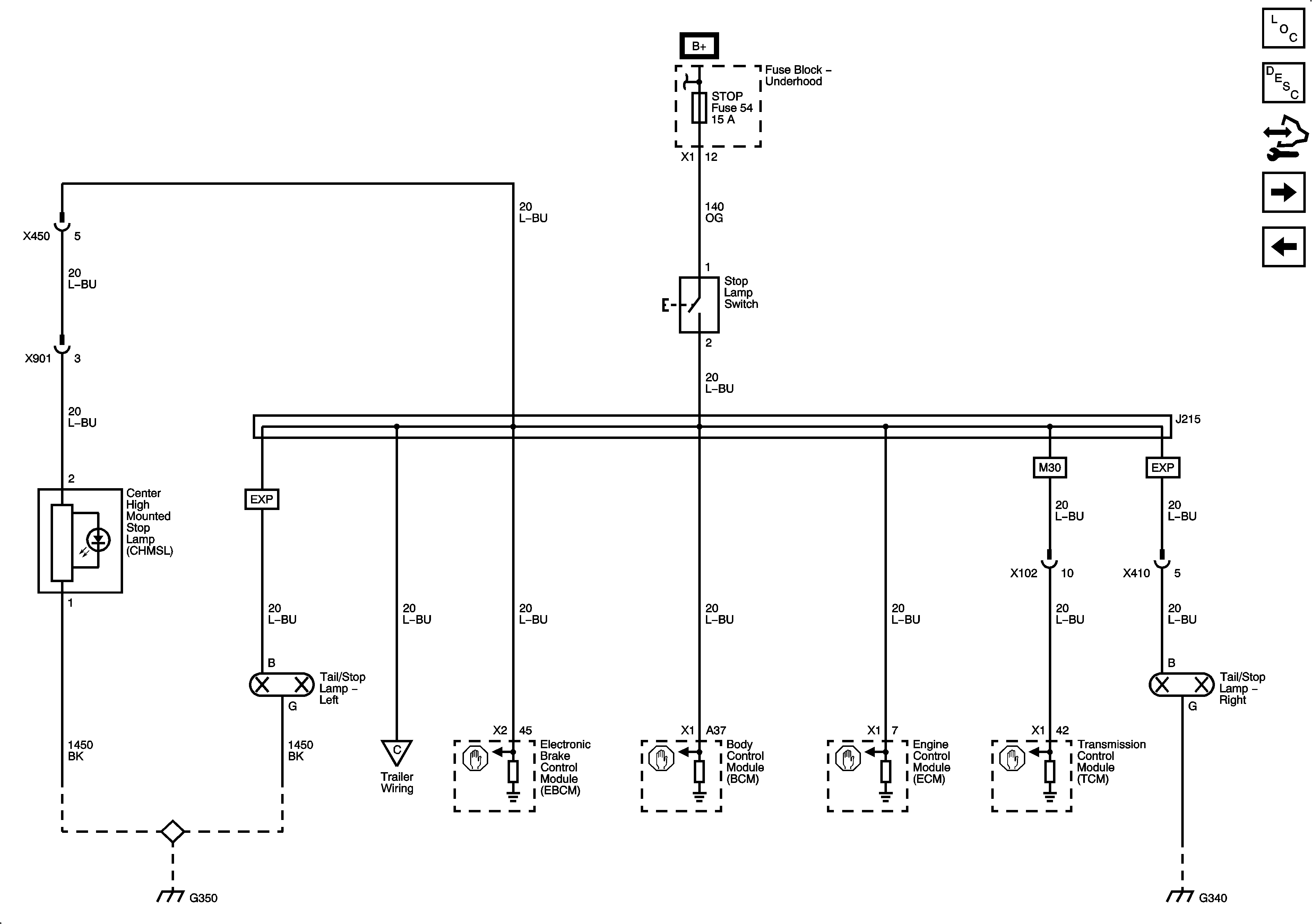
Stop Lamps
Turn Signals (Except EXP)
Figure 6:

Stop Lamps


Object Number: 1911968  Size: FS
Master Electrical Component List
Exterior Lighting Systems Description and Operation
Control Module References
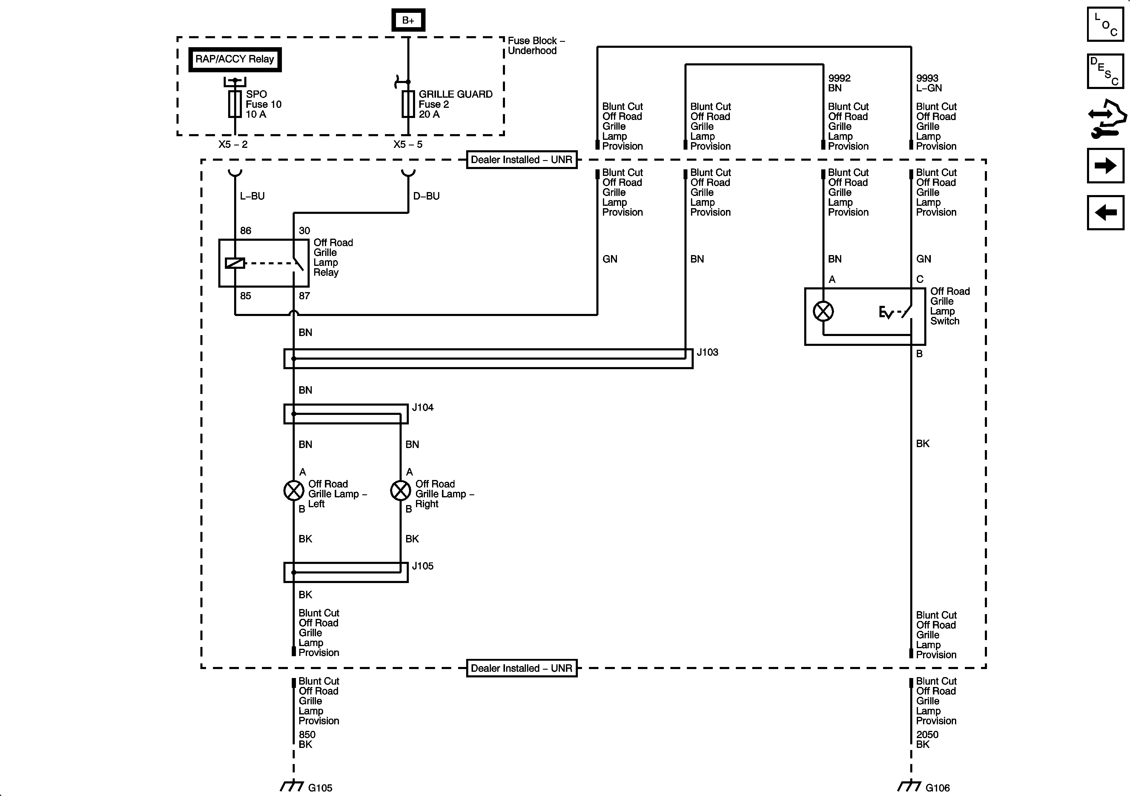
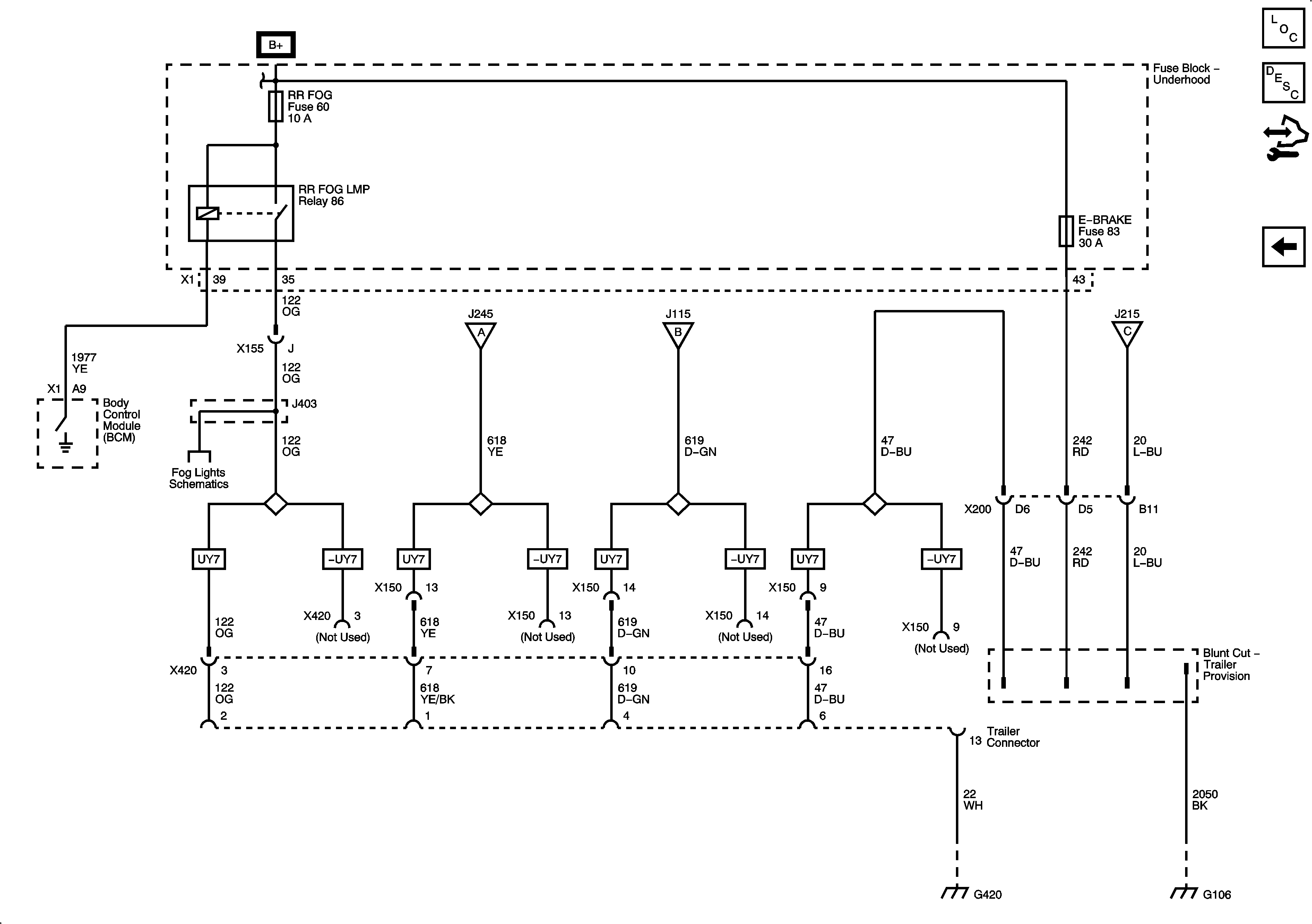
Grille Mounted Off Road Lamps - UNR
Turn Signals (EXP)
Figure 7:

Grille Mounted Off Road Lamps - UNR


Object Number: 1911969  Size: FS
Master Electrical Component List
Exterior Lighting Systems Description and Operation
Control Module References
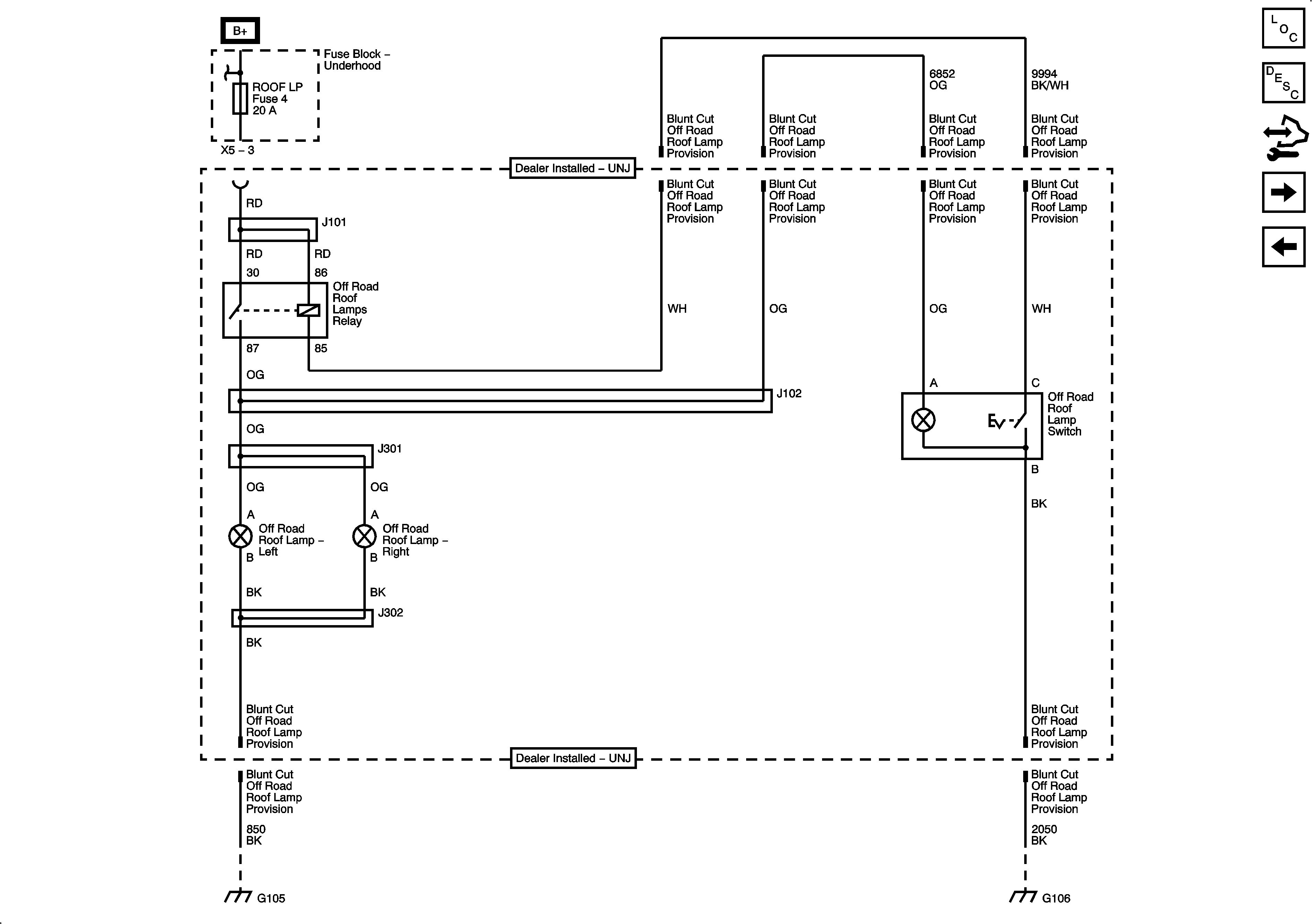
Roof Mounted Off Road Lamps - UNJ
Stop Lamps
Figure 8:

Roof Mounted Off Road Lamps - UNJ


Object Number: 1911970  Size: FS
Master Electrical Component List
Exterior Lighting Systems Description and Operation
Control Module References
Backup Lamps
Grille Mounted Off Road Lamps - UNR
Figure 9:

Backup Lamps


Object Number: 1911972  Size: FS
Master Electrical Component List
Exterior Lighting Systems Description and Operation
Control Module References
Roof Mounted Off Road Lamps - UNJ
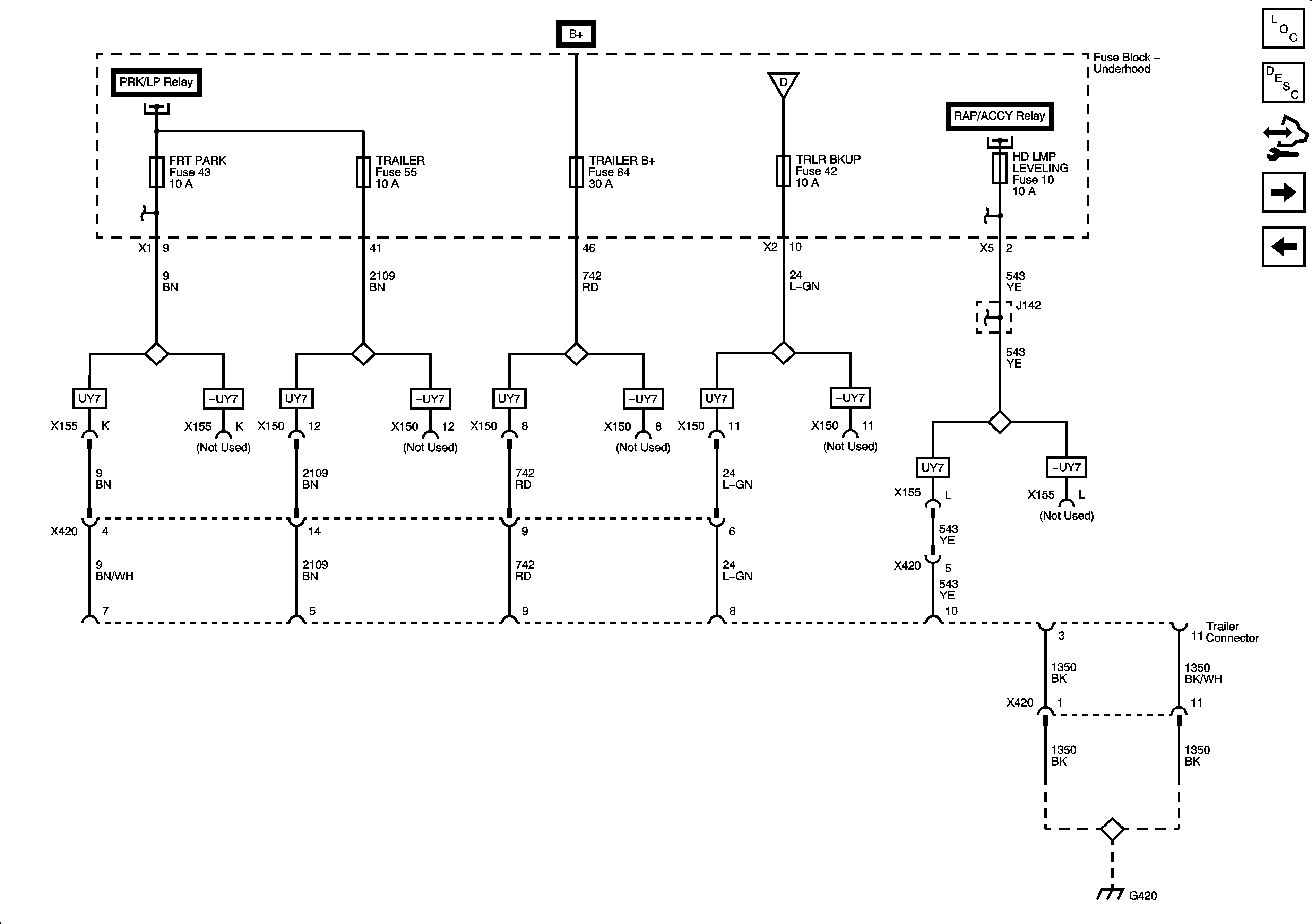
Figure 10:

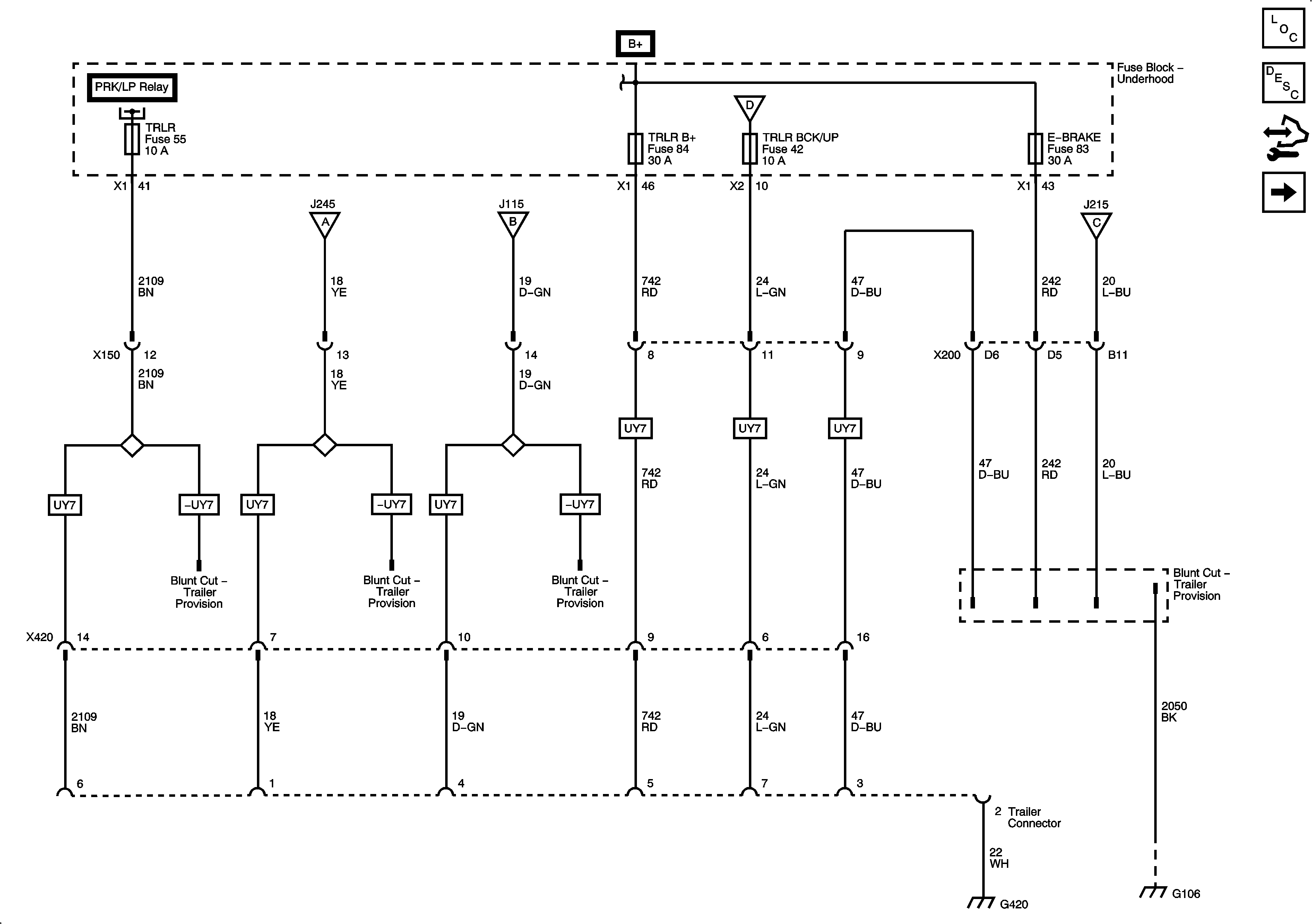
Trailer Wiring (Except EXP)


Object Number: 1911973  Size: FS
Master Electrical Component List
Control Module References
Trailer Wiring - 1 of 2 (EXP)
Figure 11:

Trailer Wiring - 1 of 2 (EXP)


Object Number: 1911975  Size: FS
Master Electrical Component List
Control Module References
Trailer Wiring - 2 of 2 (EXP)
Trailer Wiring (Except EXP)
Figure 12:

Trailer Wiring - 2 of 2 (EXP)


Object Number: 1911976  Size: FS
Master Electrical Component List
Control Module References
Trailer Wiring - 1 of 2 (EXP)