GM Service Manual Online
For 1990-2009 cars only
Makes
🢒
HUMMER
🢒
2008
🢒
H3
🢒
Diagnostic Navigation
🢒
Vehicle Diagnostic Information
🢒 Interior Lights Schematics
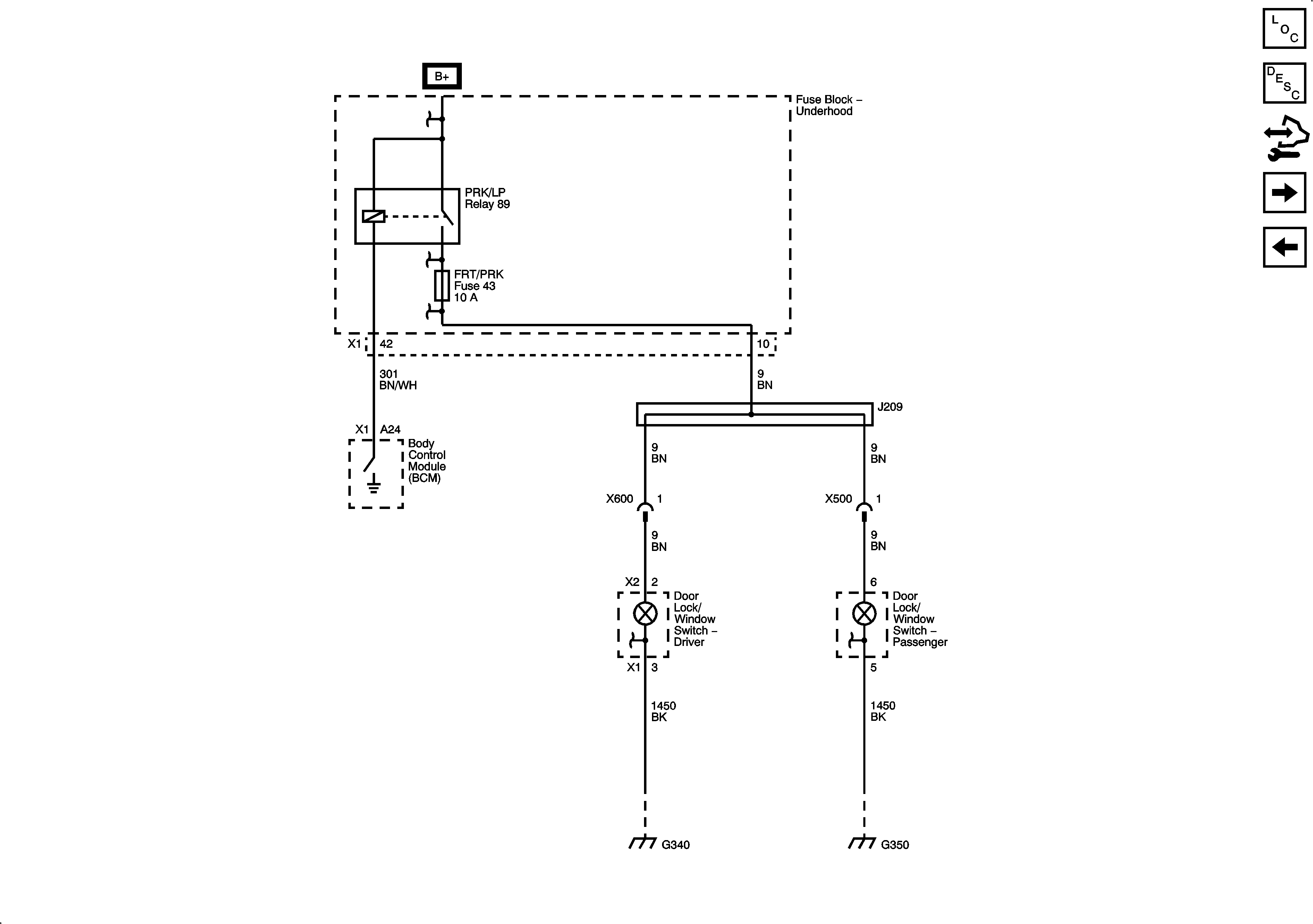
Figure
1:
Inadvertent Lamp Control
Master Electrical Component List
Interior Lighting Systems Description and Operation
Control Module References
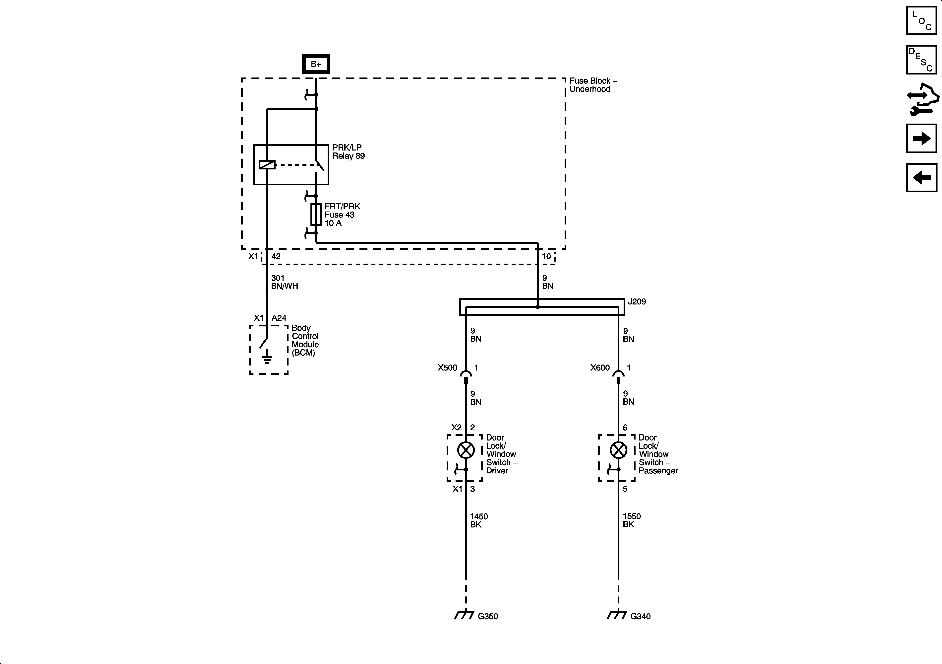
Courtesy Lamp Controls - Left Hand Drive
Figure
2:
Courtesy Lamp Control - Left Hand Drive
Master Electrical Component List
Interior Lighting Systems Description and Operation
Control Module References
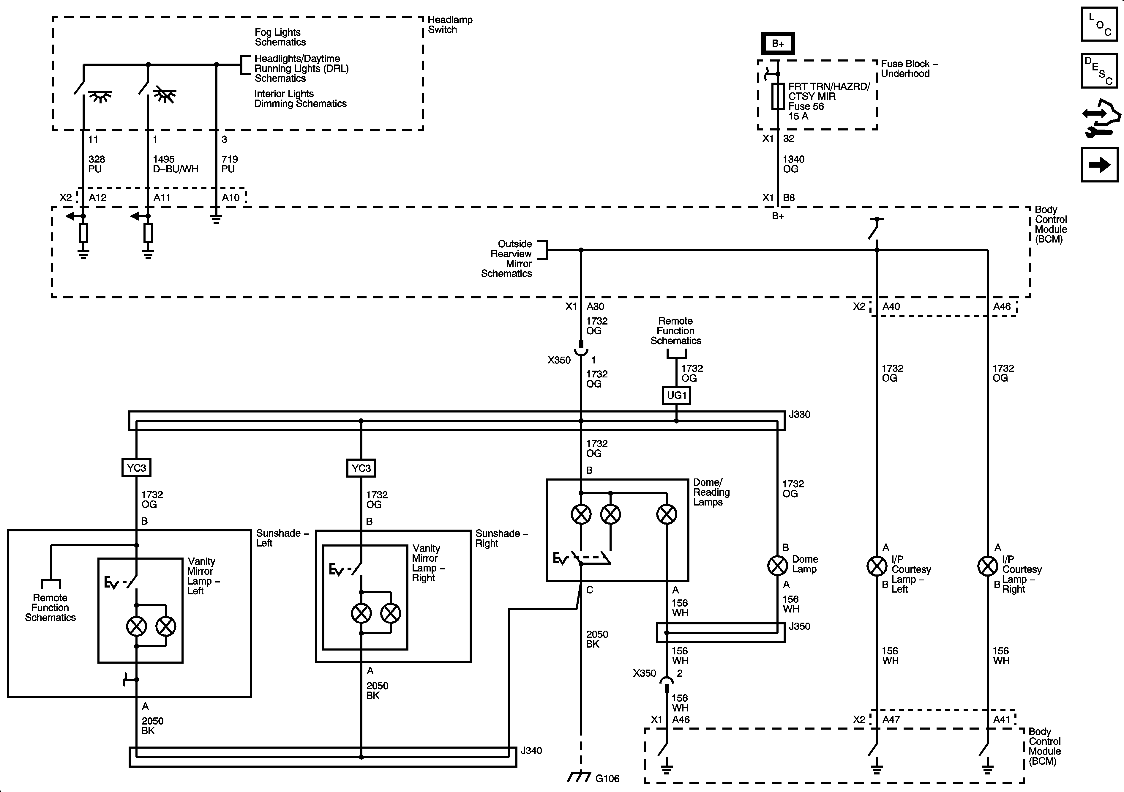
Courtesy Lamp Controls - Right Hand Drive
Inadvertent Lamp Control
Figure
3:
Courtesy Lamp Control - Right Hand Drive
Master Electrical Component List
Interior Lighting Systems Description and Operation
Control Module References
Courtesy Lamp Controls - Left Hand Drive