GM Service Manual Online
For 1990-2009 cars only
Makes
🢒
HUMMER
🢒
2008
🢒
H3
🢒
Body Systems
🢒
Mirrors
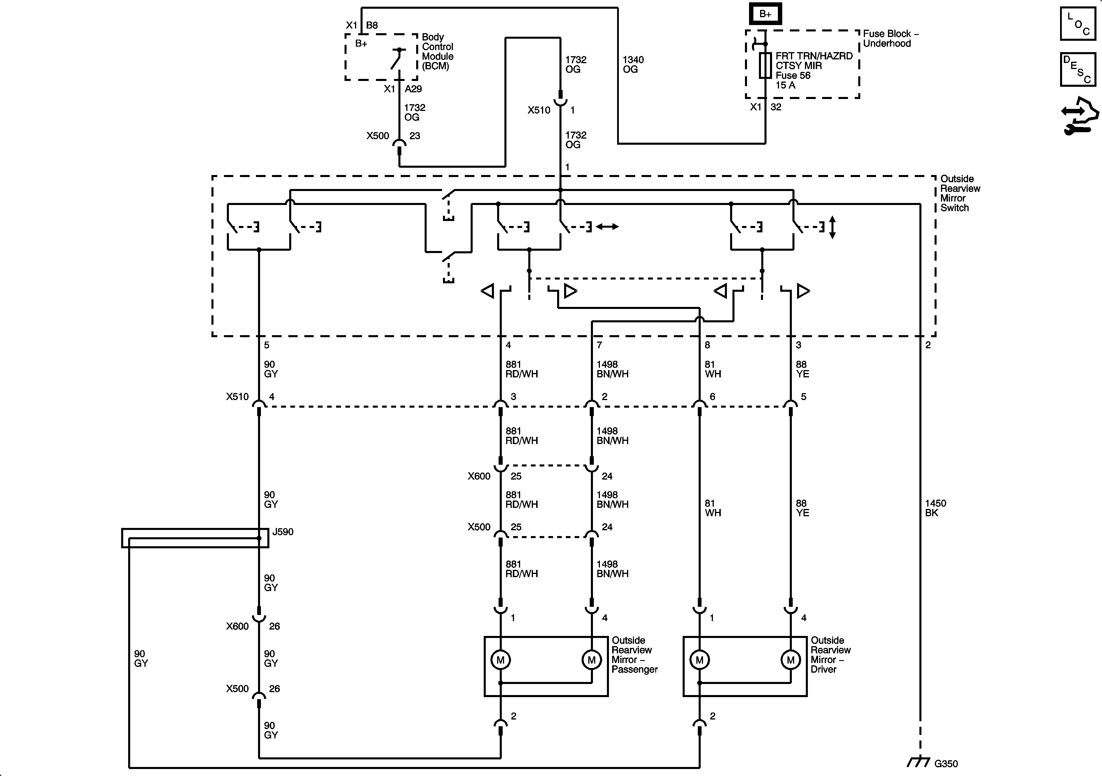
🢒 Outside Rearview Mirror Schematics
Figure
1:
Left Hand Drive
Master Electrical Component List
Outside Mirror Description and Operation
Control Module References
Right Hand Drive
Figure
2:
Right Hand Drive
Master Electrical Component List
Outside Mirror Description and Operation
Control Module References
Left Hand Drive