GM Service Manual Online
For 1990-2009 cars only
Figure 1:

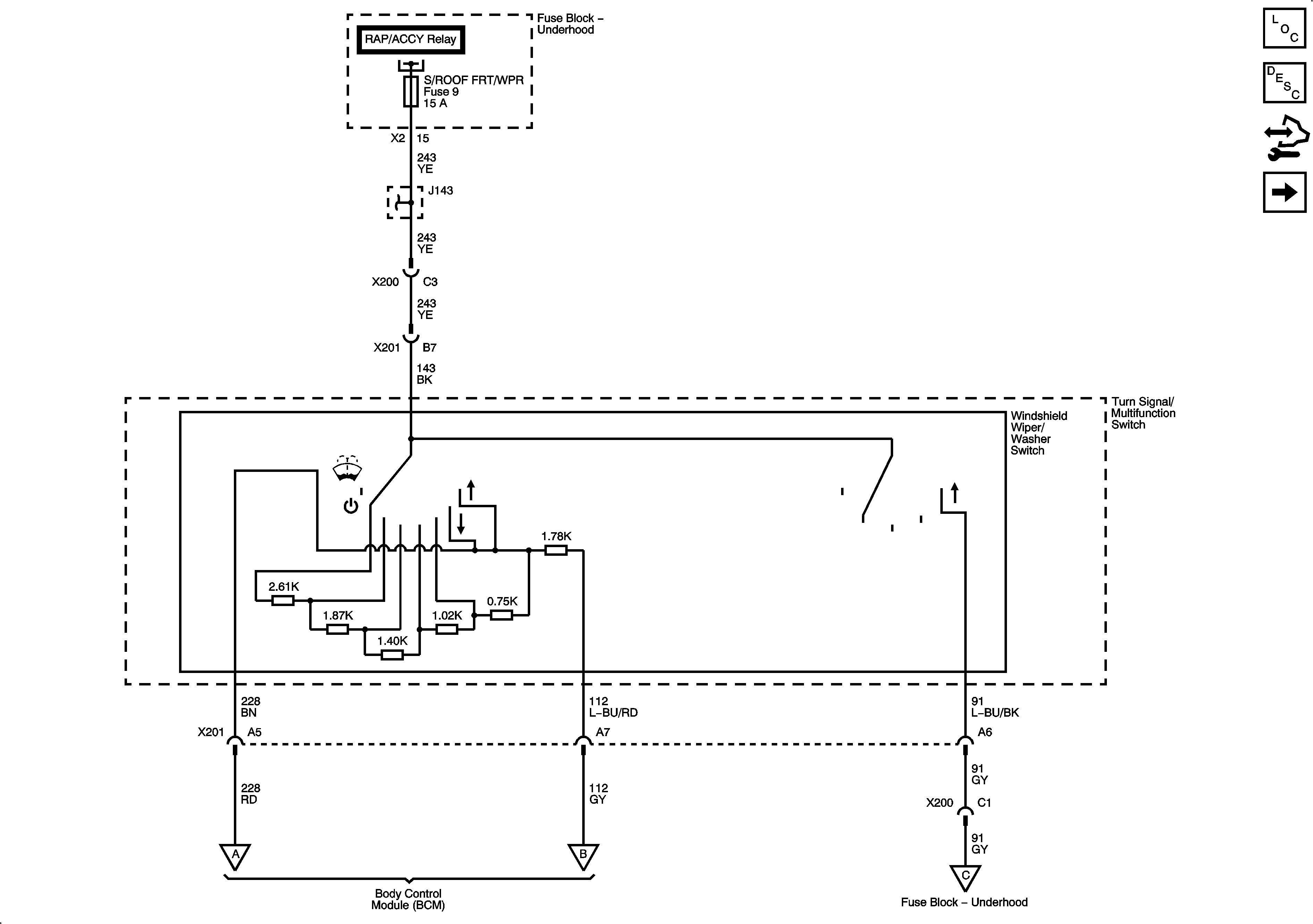
Front Wiper/Washer Switch Signals


Object Number: 1911935  Size: FS
Master Electrical Component List
Wiper/Washer System Description and Operation
Control Module References
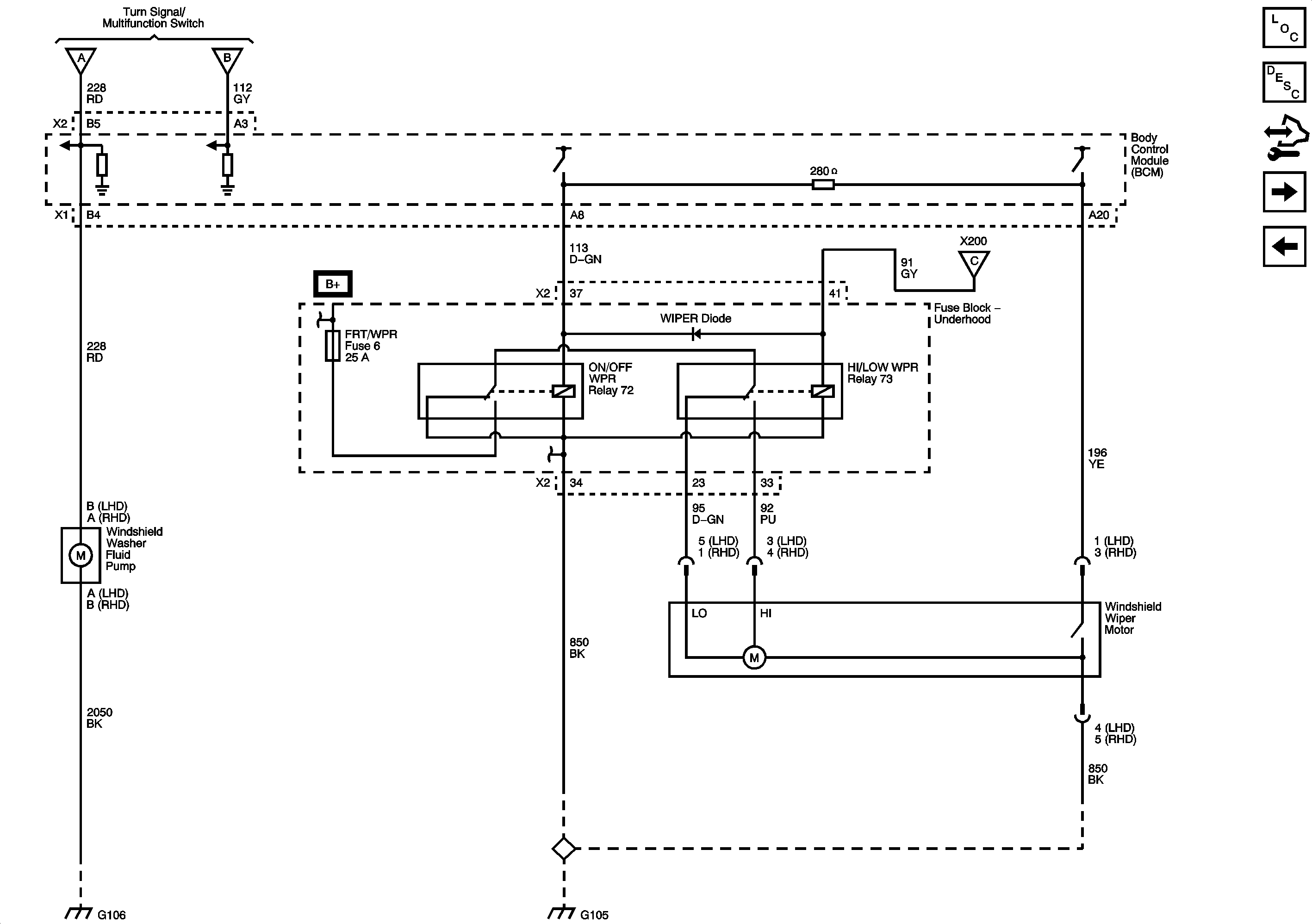
Front Wiper Motor and Washer Control
Figure 2:

Front Wiper Motor and Washer Control


Object Number: 1911936  Size: FS
Master Electrical Component List
Wiper/Washer System Description and Operation
Control Module References
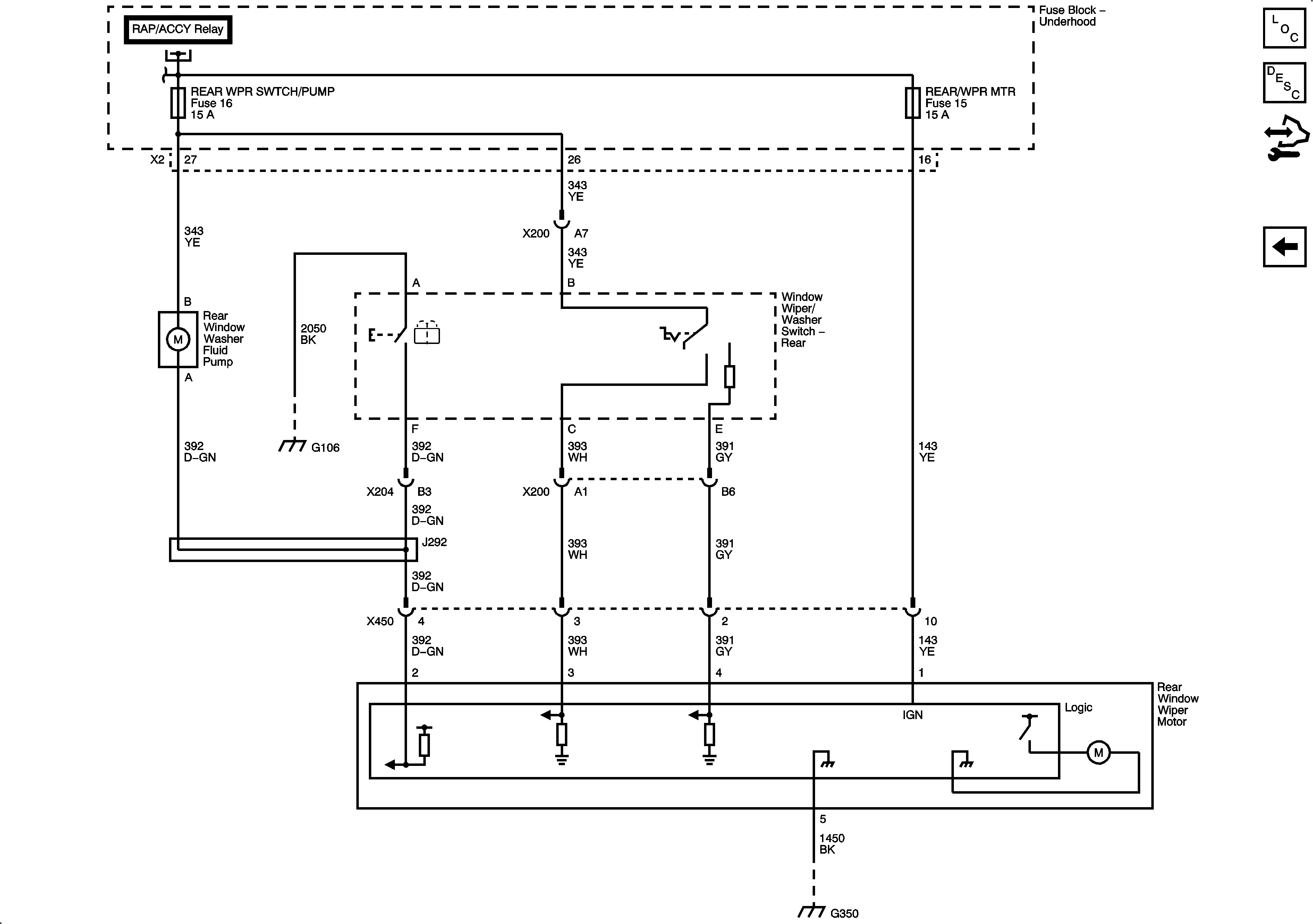
Rear Wiper
Front Wiper/Washer Switch Signals
Figure 3:

Rear Wiper


Object Number: 1911938  Size: FS
Master Electrical Component List
Rear Wiper/Washer System Description and Operation
Control Module References
Front Wiper Motor and Washer Control