GM Service Manual Online
For 1990-2009 cars only
Makes
🢒
HUMMER
🢒
2008
🢒
H3
🢒
Driver Information and Entertainment
🢒
Cellular, Entertainment, and Navigation
🢒 Radio/Navigation System Schematics
Figure
1:
Power, Ground, and Serial Data
Master Electrical Component List
Radio/Audio System Description and Operation
Control Module References
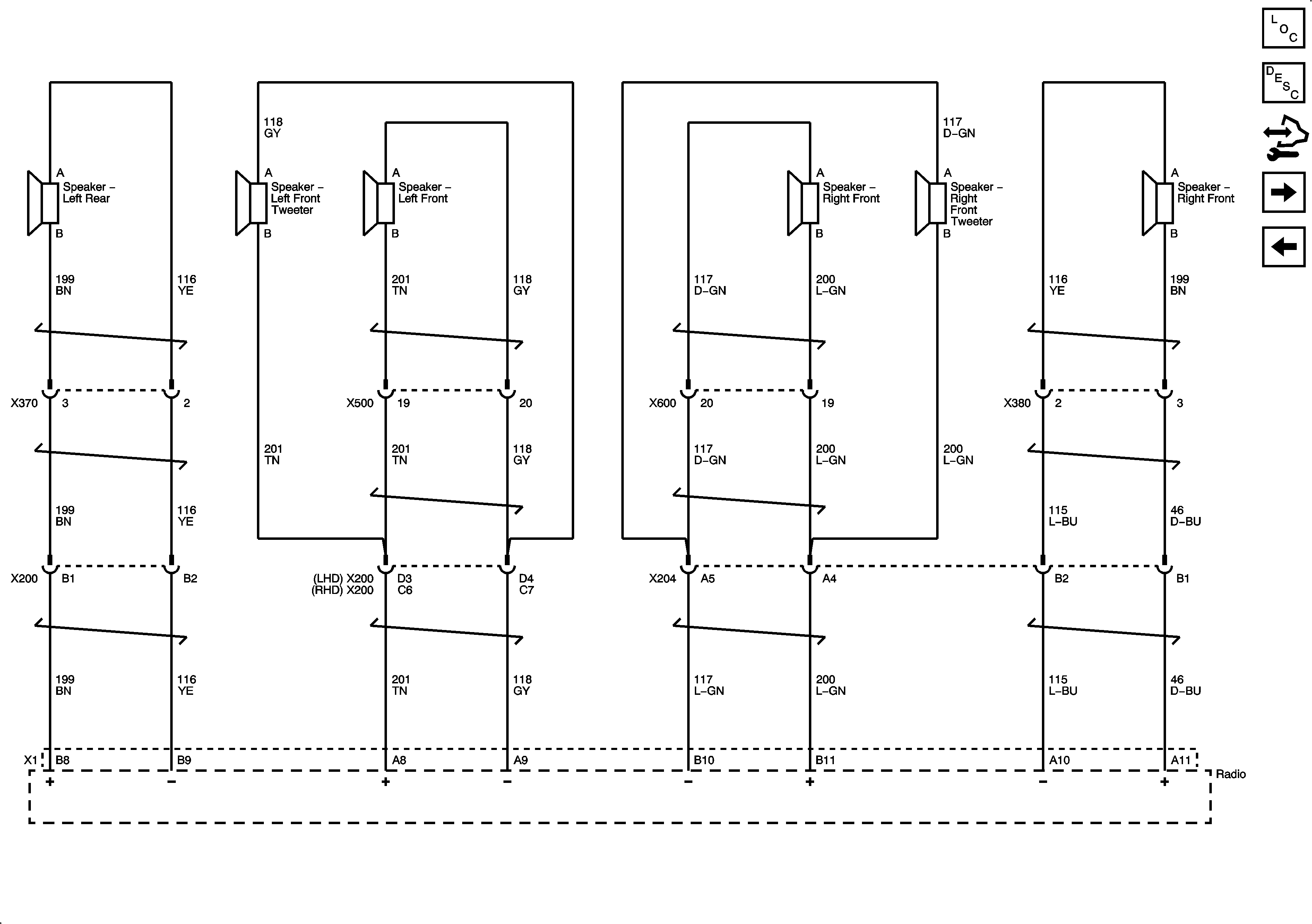
Speakers - UQ3
Figure
2:
Speakers - UQ3
Master Electrical Component List
Radio/Audio System Description and Operation
Control Module References
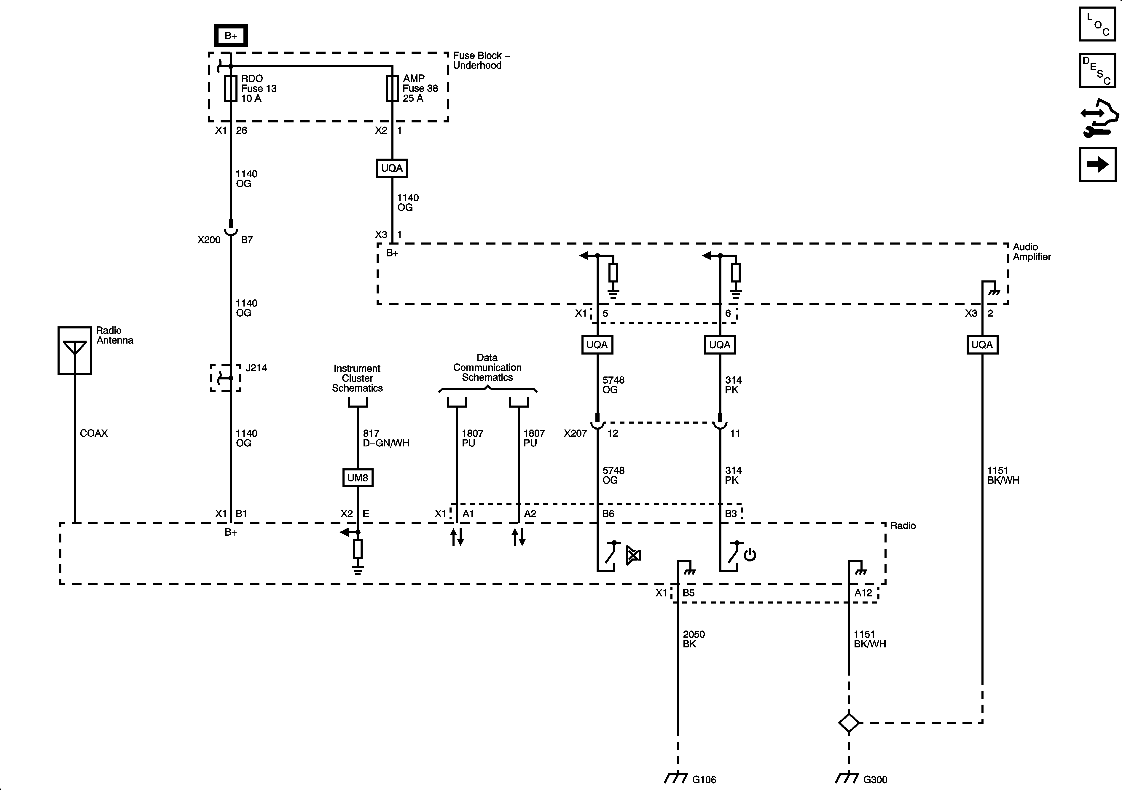
Amplifier Inputs - UQA
Power, Ground, and Serial Data
Figure
3:
Amplifier Inputs - UQA
Master Electrical Component List
Radio/Audio System Description and Operation
Control Module References
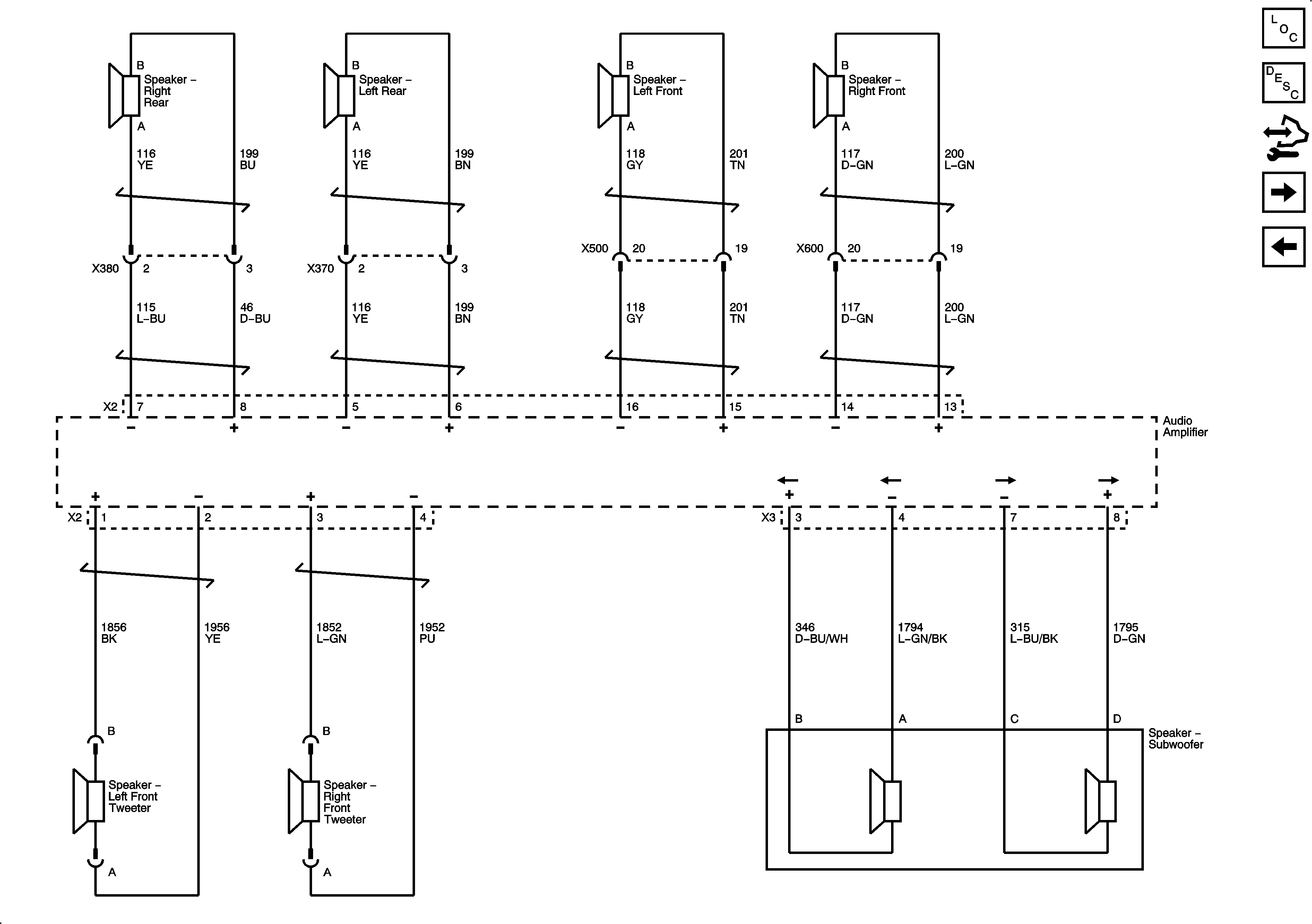
Speakers - UQA
Speakers - UQ3
Figure
4:
Speakers - UQS
Master Electrical Component List
Radio/Audio System Description and Operation
Control Module References
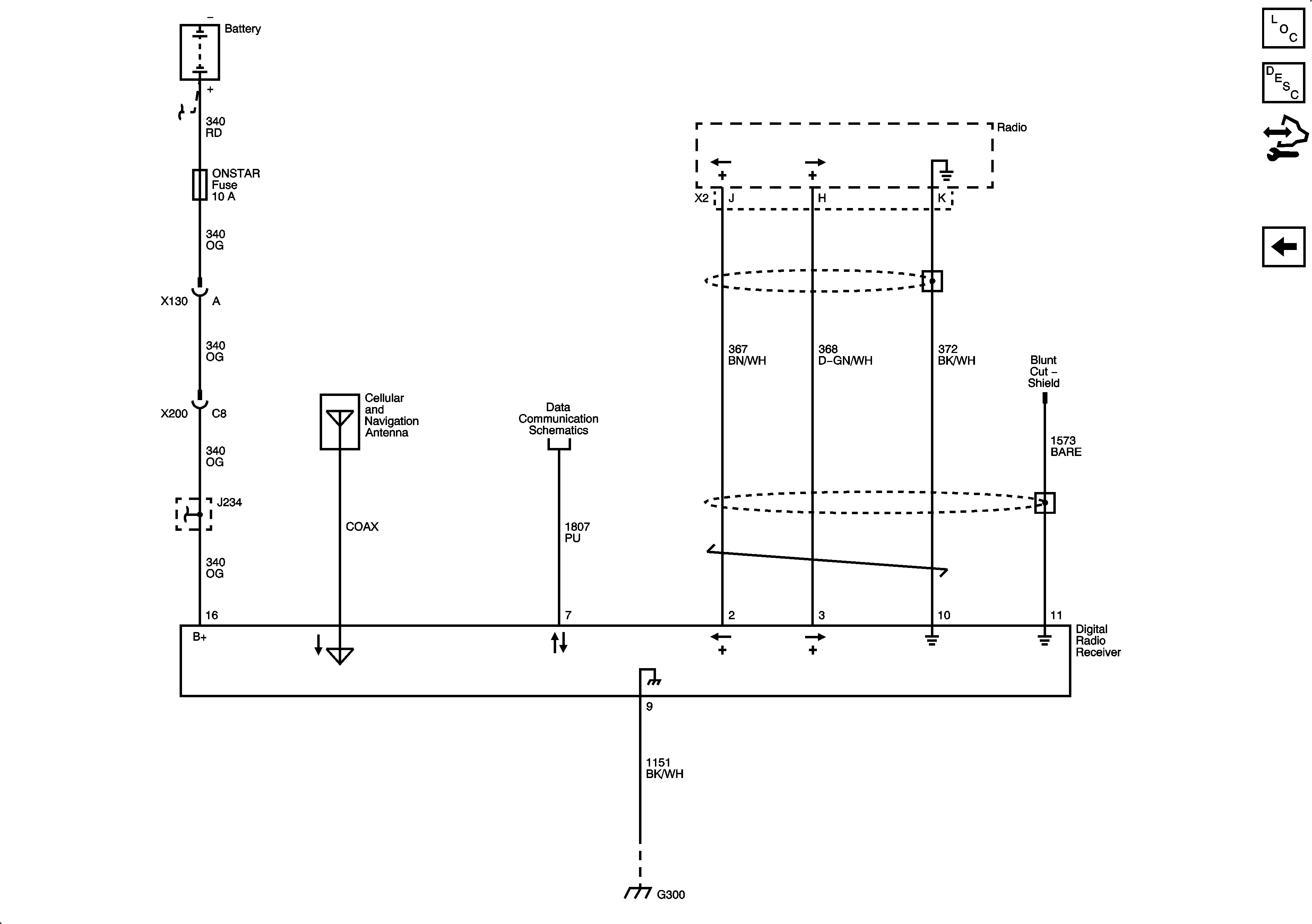
Digital Radio Recevier - U2K
Amplifier Inputs - UQA
Figure
5:
Digital Radio Receiver - U2K
Master Electrical Component List
Radio/Audio System Description and Operation
Control Module References
Speakers - UQA