GM Service Manual Online
For 1990-2009 cars only
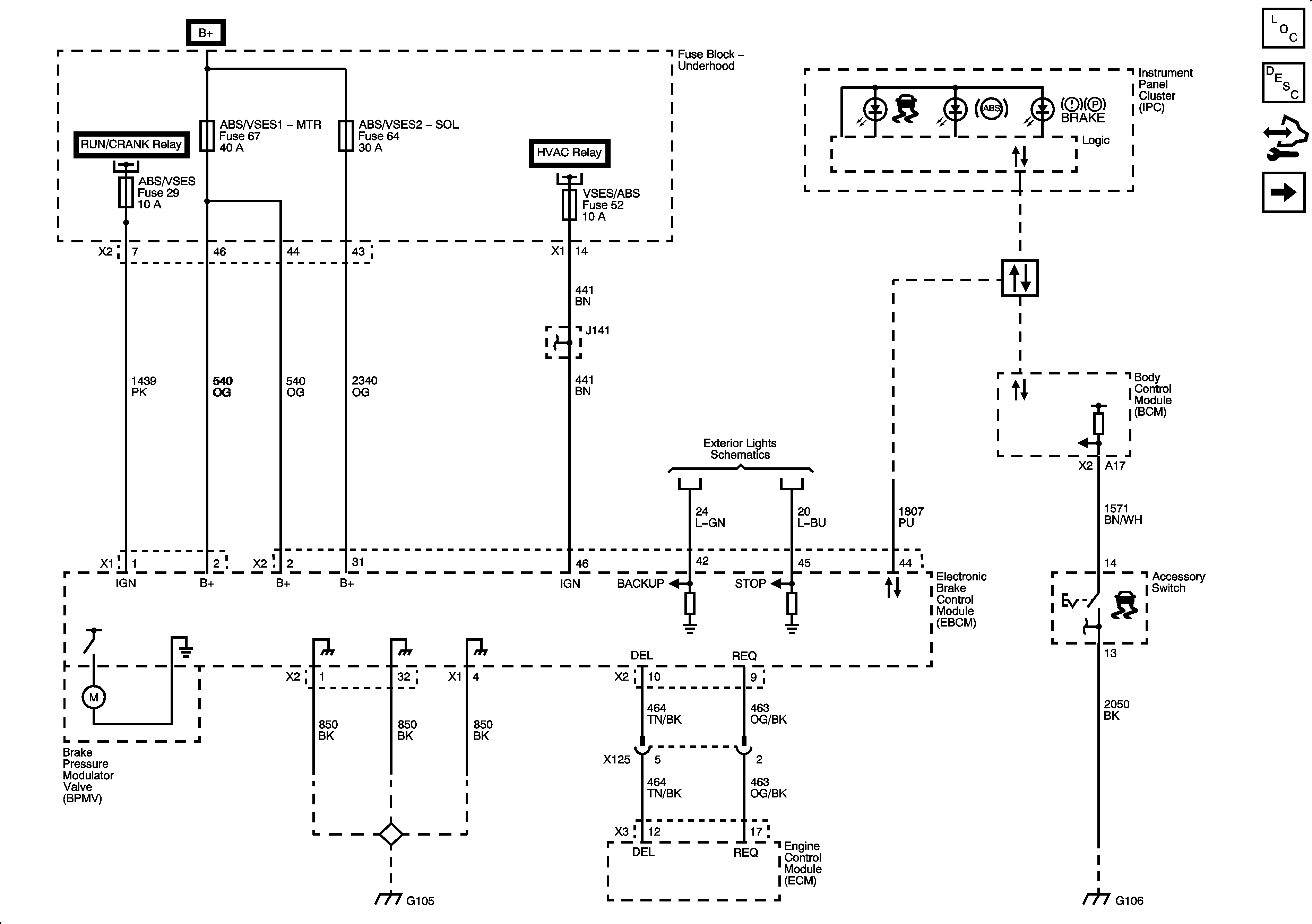
Figure 1:

Power, Ground, Serial Data, and Traction Control


Object Number: 1911863  Size: FS
Master Electrical Component List
ABS Description and Operation
Control Module References
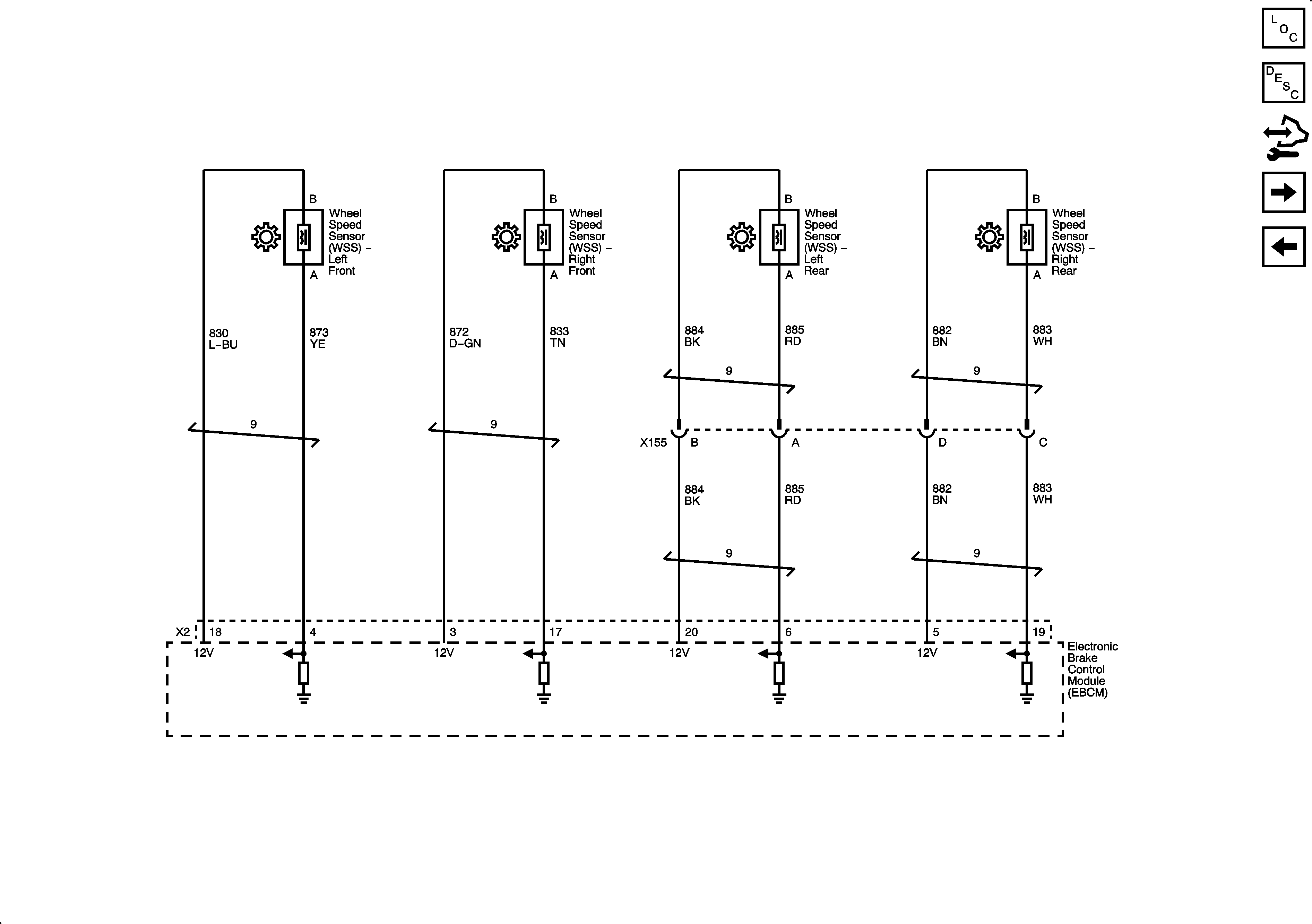
Wheel Speed Signals
Figure 2:

Wheel Speed Signals


Object Number: 1911867  Size: FS
Master Electrical Component List
ABS Description and Operation
Control Module References
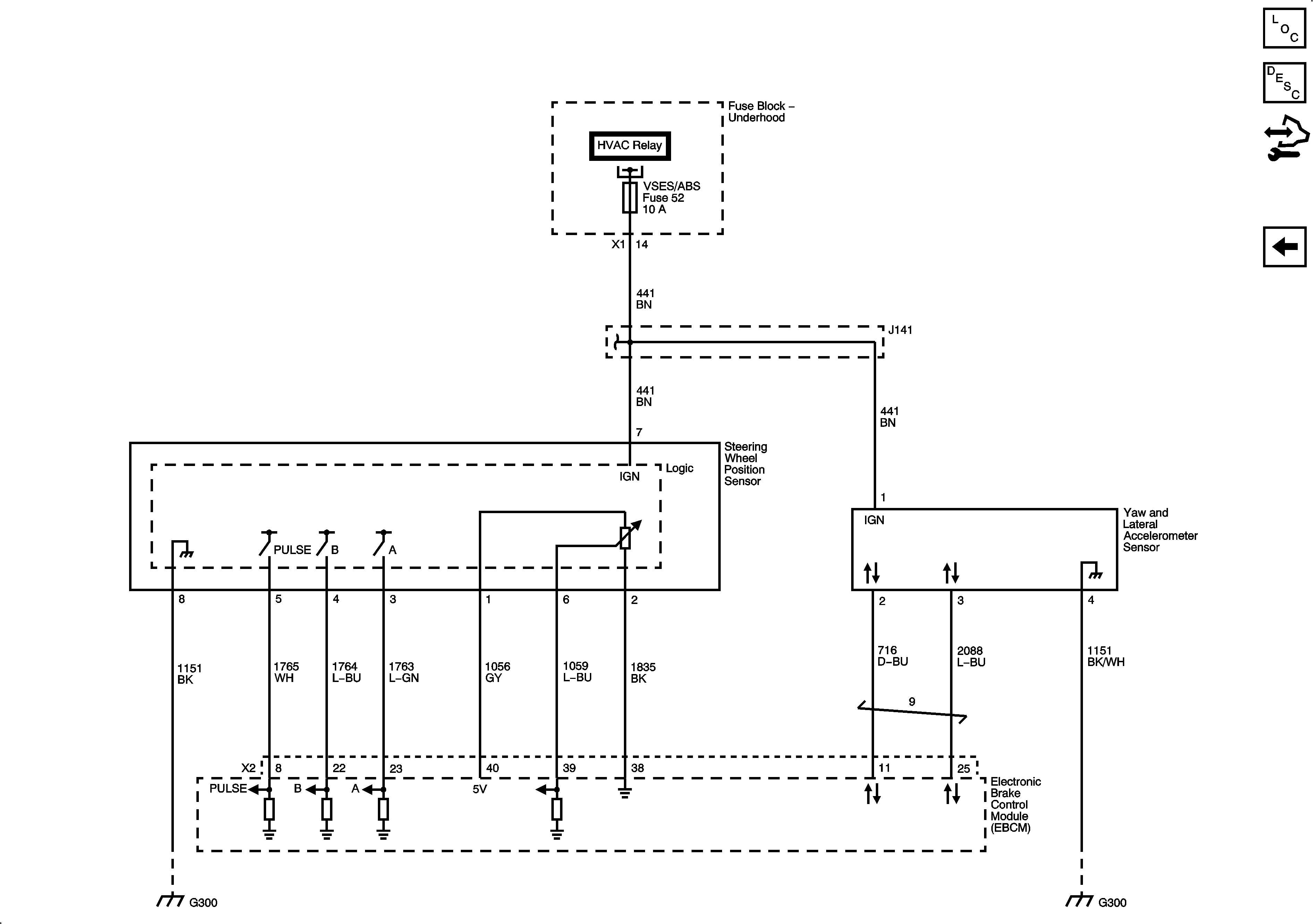
Vehicle Stability - JL4
Power, Ground, Serial Data, and Traction Controls
Figure 3:

Vehicle Stability - JL4


Object Number: 1911868  Size: FS
Master Electrical Component List
ABS Description and Operation
Control Module References
Wheel Speed Signals