GM Service Manual Online
For 1990-2009 cars only
Makes
🢒
HUMMER
🢒
2008
🢒
H3
🢒
Brakes
🢒
Hydraulic Brakes
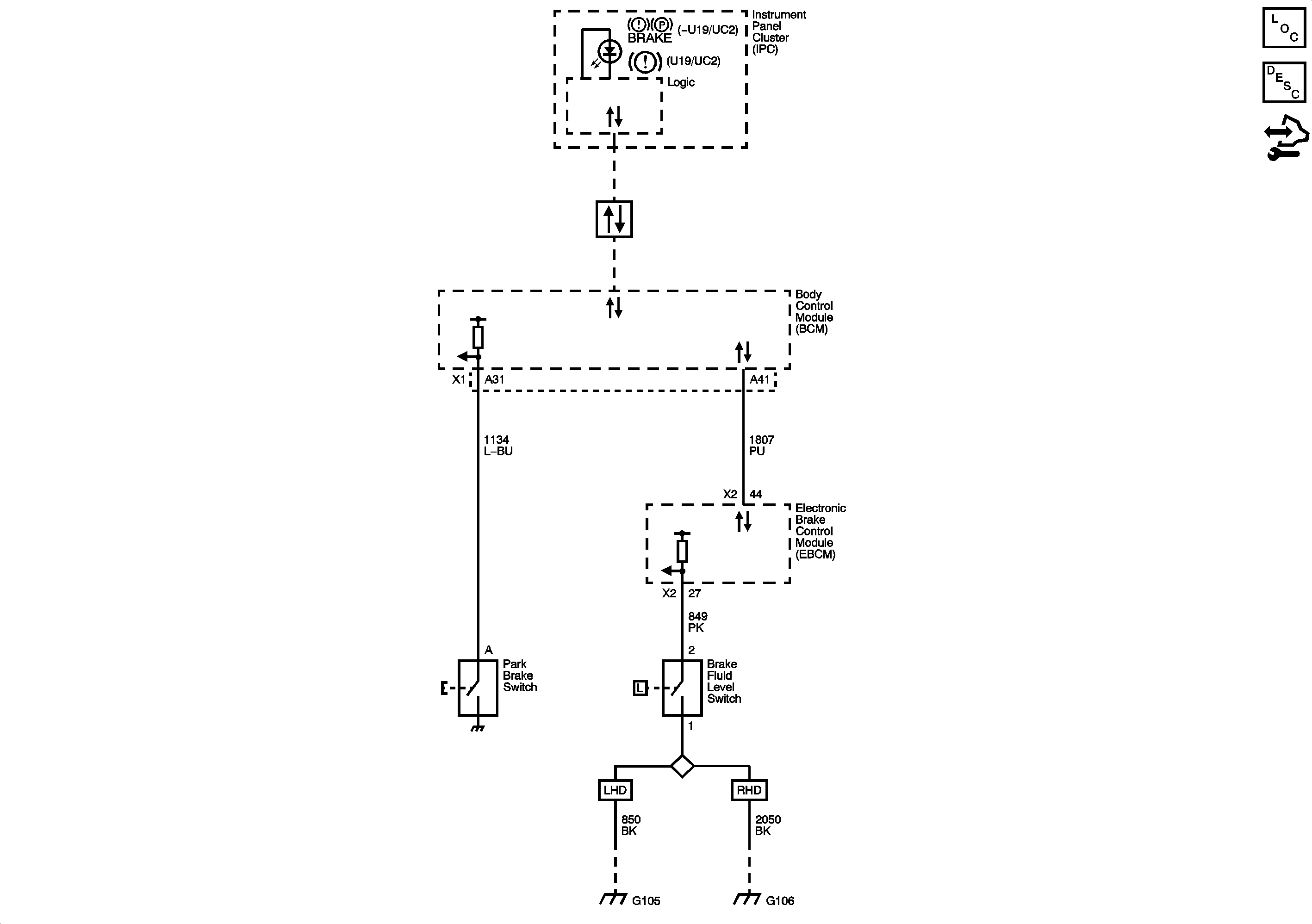
🢒 Hydraulic Brake Schematics
Brake Warning
Master Electrical Component List
Hydraulic Brake System Description and Operation
Control Module References