GM Service Manual Online
For 1990-2009 cars only

Special Tools

CH-47830 Holding Fixture

Removal Procedure

  1. Remove the brake master cylinder and power brake booster assembly. Refer to Brake Master Cylinder with Power Brake Booster and Chassis Control Module Replacement .
  2. Install the CH-47830 to the master cylinder assembly.
  3. Position the CH-47830 with the master cylinder assembly in a vise.
  4. Remove the hydraulic brake booster accumulator. Refer to Power Brake Booster Pump Fluid Accumulator Replacement .
  5. Remove the power brake booster inlet hose. Refer to Power Brake Booster Inlet Hose Replacement .
  6. Remove the power brake booster outlet front pipe. Refer to Power Brake Booster Outlet Front Pipe Replacement .

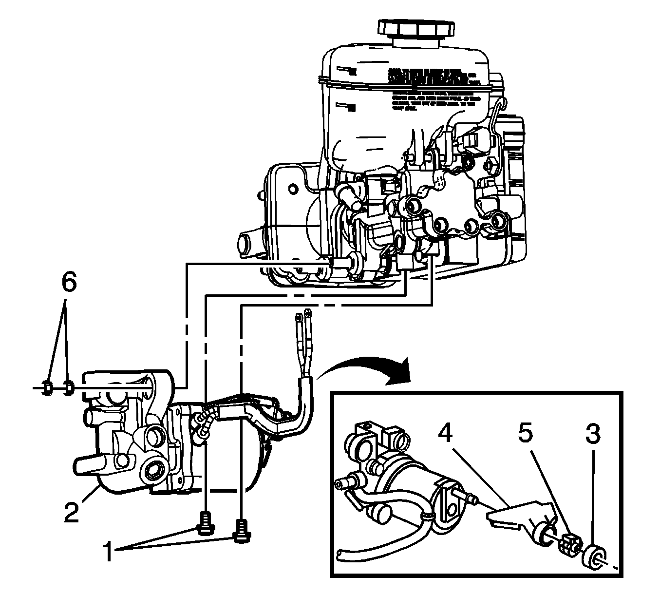
  7. Object Number: 1688220  Size: SH
  8. Remove the plugs (1).
  9. Remove the power brake booster pump motor wire retaining screws (2).
  10. Important: Note the position the black negative wire and the red positive wire. The black negative wire is toward the front of the vehicle. The red positive wire is facing the rear of the vehicle.

  11. Remove the black negative wire (3).
  12. Remove the red positive wire (4).

  13. Object Number: 1699163  Size: SH
  14. Remove the power brake booster pump bolts (1).
  15. Remove the power brake booster pump (2).
  16. Important: DO NOT reuse the retainer ring. Replace with a NEW retainer ring.

  17. Remove the retainer ring (3) on the mounting bracket (4) by breaking the retaining ring.
  18. Remove the mounting bracket (4).
  19. If damaged, replace the dampers (5) and (6).

Installation Procedure


    Object Number: 1699163  Size: SH
  1. Install the dampers (5) and (6), if removed.
  2. Install the mounting bracket (4) on the power brake booster pump (2).
  3. Install a NEW retainer ring (3).
  4. Install the power brake booster pump.
  5. Notice: Refer to Fastener Notice in the Preface section.

  6. Install the power brake booster pump bolts (1).
  7. Tighten
    Tighten the bolts to 8 N·m (71 lb in).


    Object Number: 1688220  Size: SH
  8. Install the red positive wire (4).
  9. Install the black negative wire (3).
  10. Install the power brake booster pump motor wire retaining screws (2).
  11. Tighten
    Tighten the screws to 3 N·m (27 lb in).

  12. Install the plugs (1).
  13. Install the power brake booster outlet front pipe. Refer to Power Brake Booster Outlet Front Pipe Replacement .
  14. Install the power brake booster inlet hose. Refer to Power Brake Booster Inlet Hose Replacement .
  15. Install the hydraulic brake booster accumulator (1). Refer to Power Brake Booster Pump Fluid Accumulator Replacement .
  16. Remove the CH-47830 from the master cylinder assembly.
  17. Install the brake master cylinder and power brake booster assembly. Refer to Brake Master Cylinder with Power Brake Booster and Chassis Control Module Replacement .