GM Service Manual Online
For 1990-2009 cars only
Makes
🢒
HUMMER
🢒
2008
🢒
H3
🢒
Transmission/Transaxle
🢒
Automatic Transmission - 4L60-E/4L65-E/4L70-E
🢒 Automatic Transmission Controls Schematics
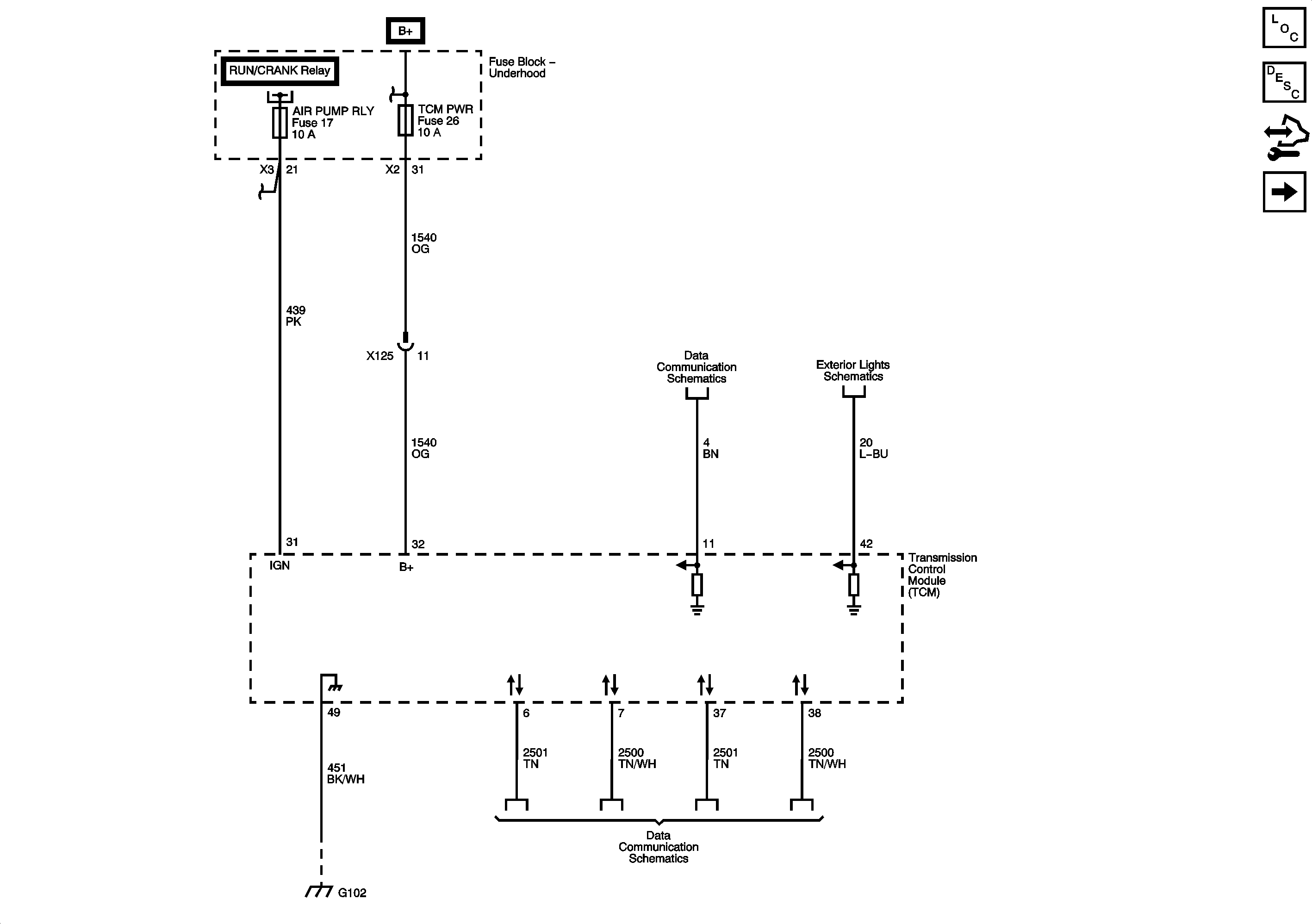
Figure
1:
Module Power, Ground, and Serial Data
Master Electrical Component List
Transmission Component and System Description
Control Module References
Shift Controls
Figure
2:
Shift Controls
Master Electrical Component List
Transmission Component and System Description
Control Module References
Pressure and Temperature Controls
Module Power, Ground, and Serial Data
Figure
3:
Pressure and Temperature Controls
Master Electrical Component List
Transmission Component and System Description
Control Module References
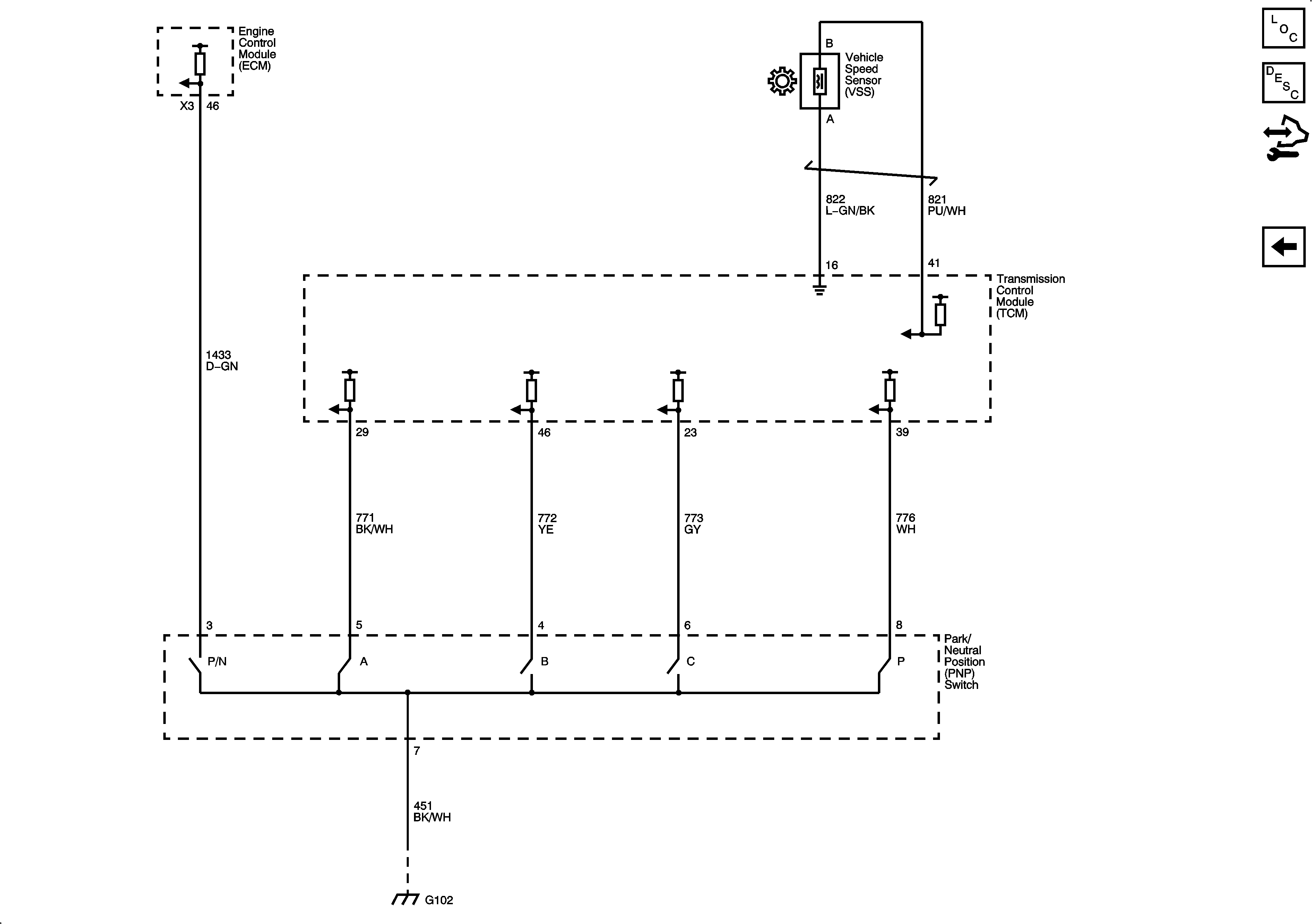
PNP, VSS, and Tow/Haul Signals
Shift Controls
Figure
4:
PNP, VSS and Tow/Haul Signals
Master Electrical Component List
Transmission Component and System Description
Control Module References
Pressure and Temperature Controls