GM Service Manual Online
For 1990-2009 cars only
Figure 1:

Door Components


Object Number: 1562142  Size: LF
(1)Door Jamb Switch - Right Rear
(2)Door Jamb Switch - Passenger
(3)Endgate Ajar Switch
(4)Door Jamb Switch - Left Rear
(5)Door Jamb Switch - Driver
Figure 2:

Driver Door Components


Object Number: 1554740  Size: LF
(1)Outside Rearview Mirror - Driver
(2)Outside Rearview Mirror Switch
(3)X510
(4)X500
(5)Window Motor - Driver
(6)Speaker - Left Front
(7)Door Lock/Window Switch - Driver
(8)Door Lock/Window Switch - Driver X1
(9)Door Lock/Window Switch - Driver X2
(10)Door Lock Actuator - Driver
(11)Inflatable Restraint Side Impact Sensor (SIS) - Left (ASF)
(12)Key Lock Cylinder
Figure 3:

Passenger Door Components


Object Number: 1554741  Size: LF
(1)Window Motor - Passenger
(2)Inflatable Restraint Side Impact Sensor (SIS) - Right (ASF)
(3)Door Lock Actuator - Passenger
(4)Door Lock/Window Switch - Passenger
(5)Speaker - Right Front
(6)X600
(7)X610
(8)Outside Rearview Mirror - Passenger
Figure 4:

Left Rear Door Components


Object Number: 1554745  Size: LF
(1)Window Motor - Left Rear
(2)X700
(3)Speaker - Left Rear
(4)Window Switch - Left Rear
(5)Door Lock Actuator - Left Rear
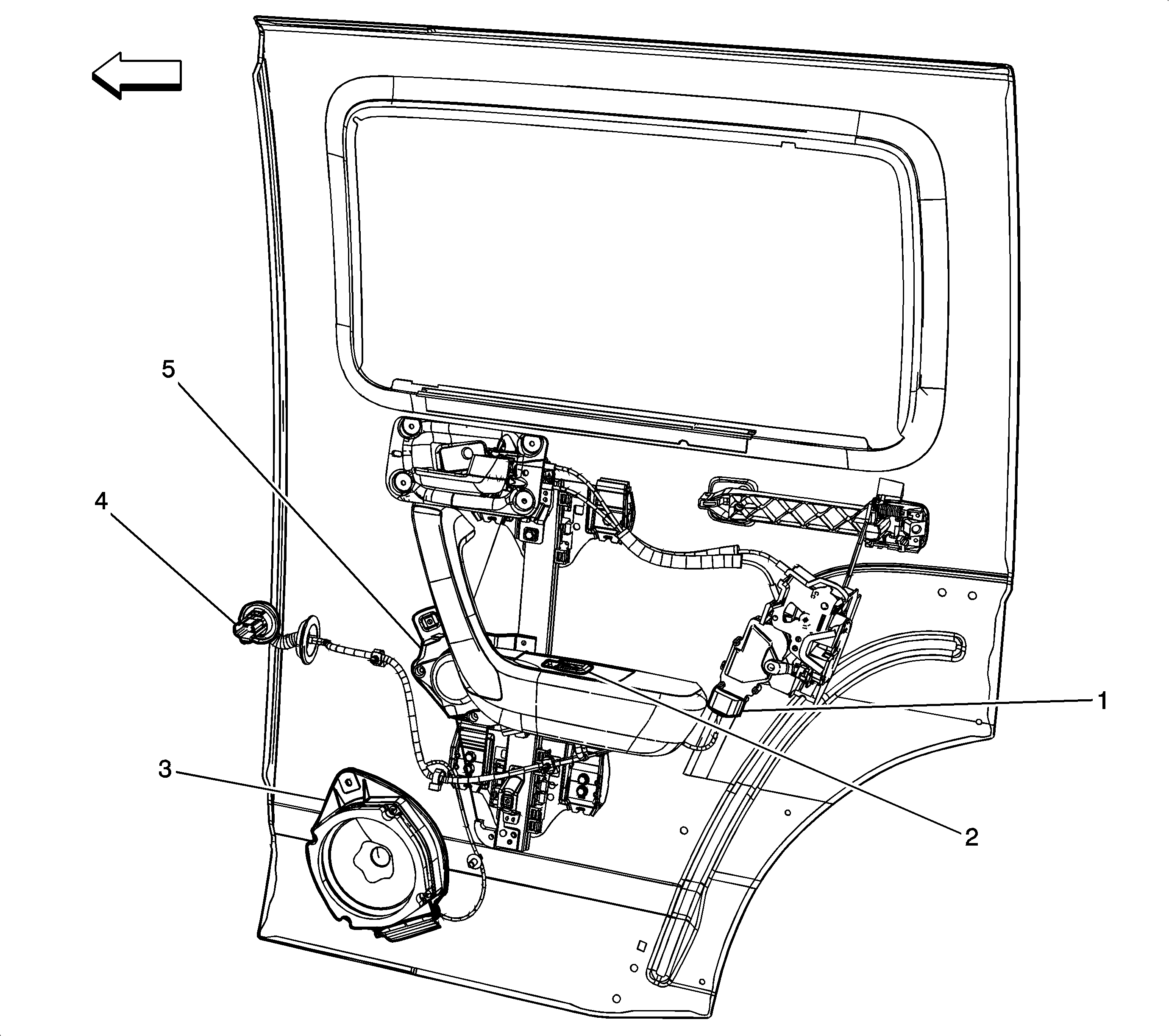
Figure 5:

Right Rear Door Components


Object Number: 1972985  Size: LF
(1)Door Lock Actuator - Right Rear
(2)Window Switch - Right Rear
(3)Speaker - Right Rear
(4)X800
(5)Window Motor - Right Rear