GM Service Manual Online
For 1990-2009 cars only
Makes
🢒
HUMMER
🢒
2008
🢒
H3
🢒
Seats
🢒
Seat Heating and Cooling
🢒 Heated/Cooled Seat Schematics
Figure
1:
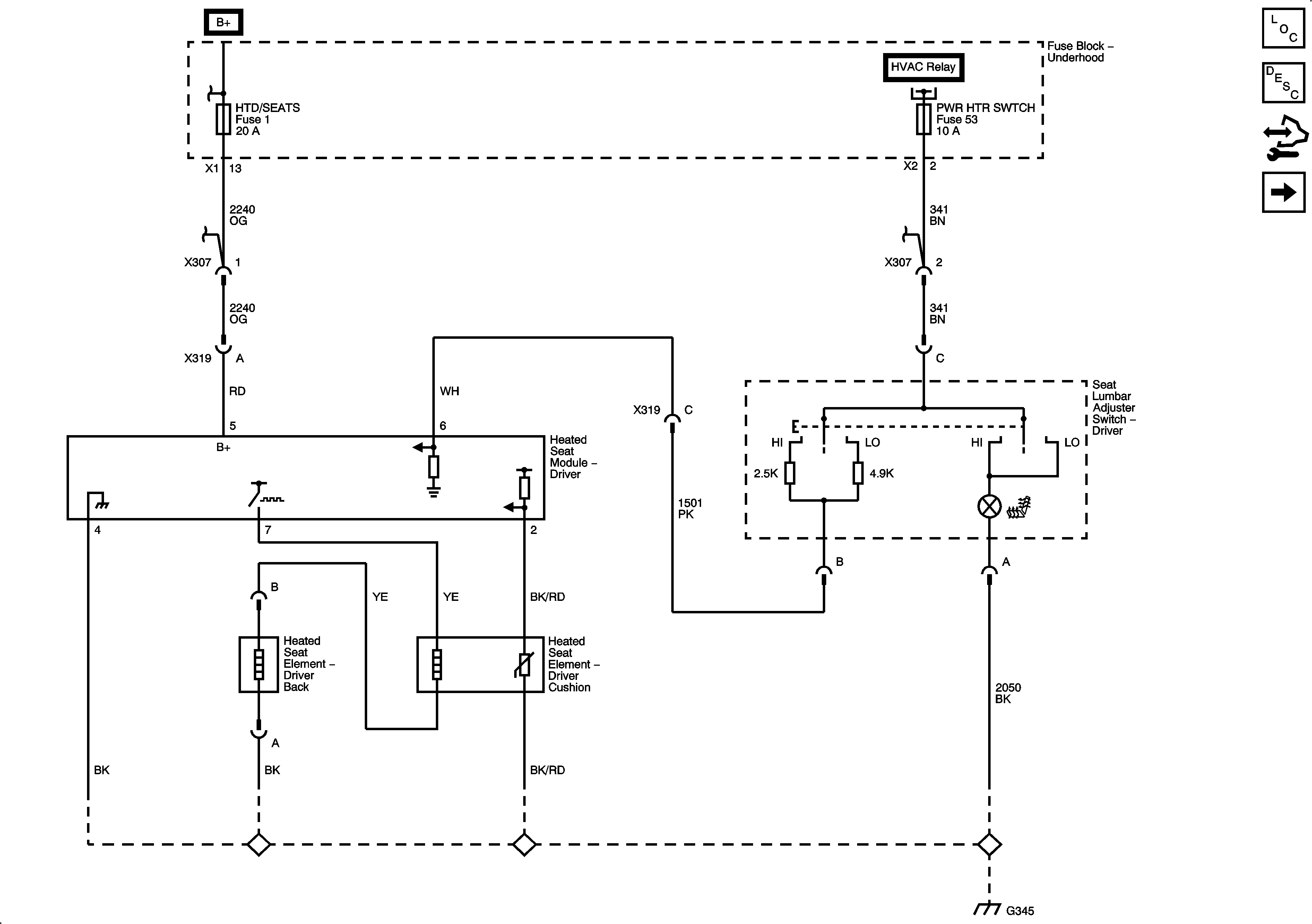
Driver
Master Electrical Component List
Heated Seats Description and Operation
Control Module References
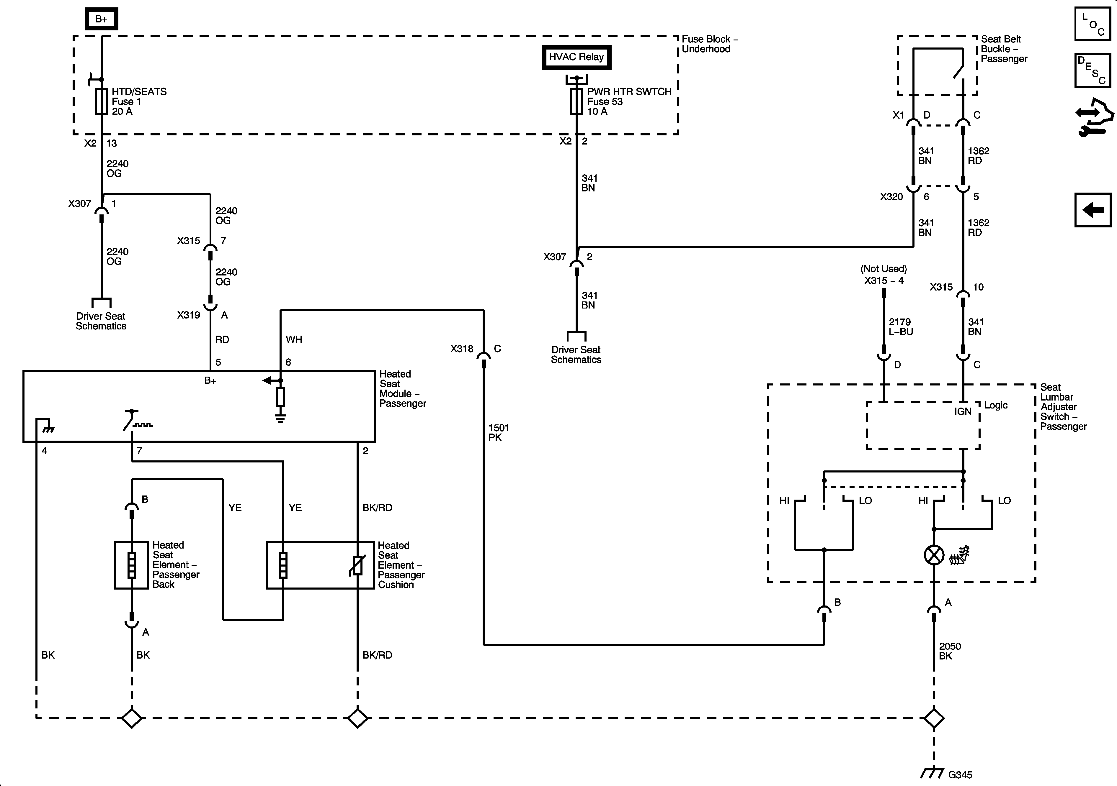
Passenger
Figure
2:
Passenger
Master Electrical Component List
Heated Seats Description and Operation
Control Module References
Driver