GM Service Manual Online
For 1990-2009 cars only
Makes
🢒
HUMMER
🢒
2008
🢒
H3
🢒
Safety and Security
🢒
Object Detection
🢒 Object Detection Schematics
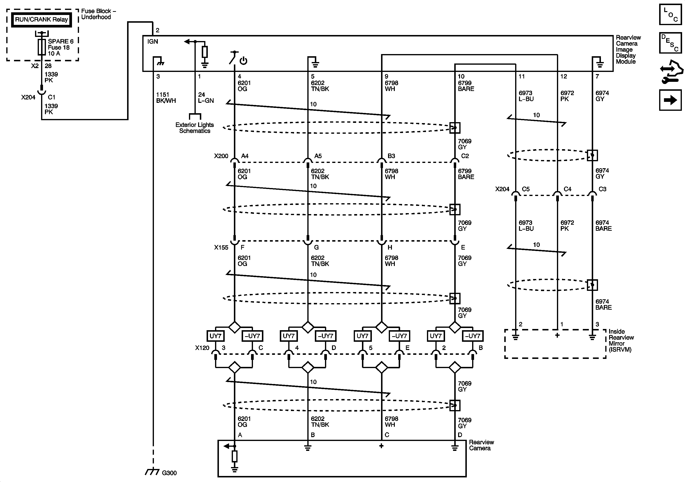
Figure
1:
Rearview Camera (UVC)
Master Electrical Component List
Object Detection Description and Operation Rear Vision Camera
Control Module References
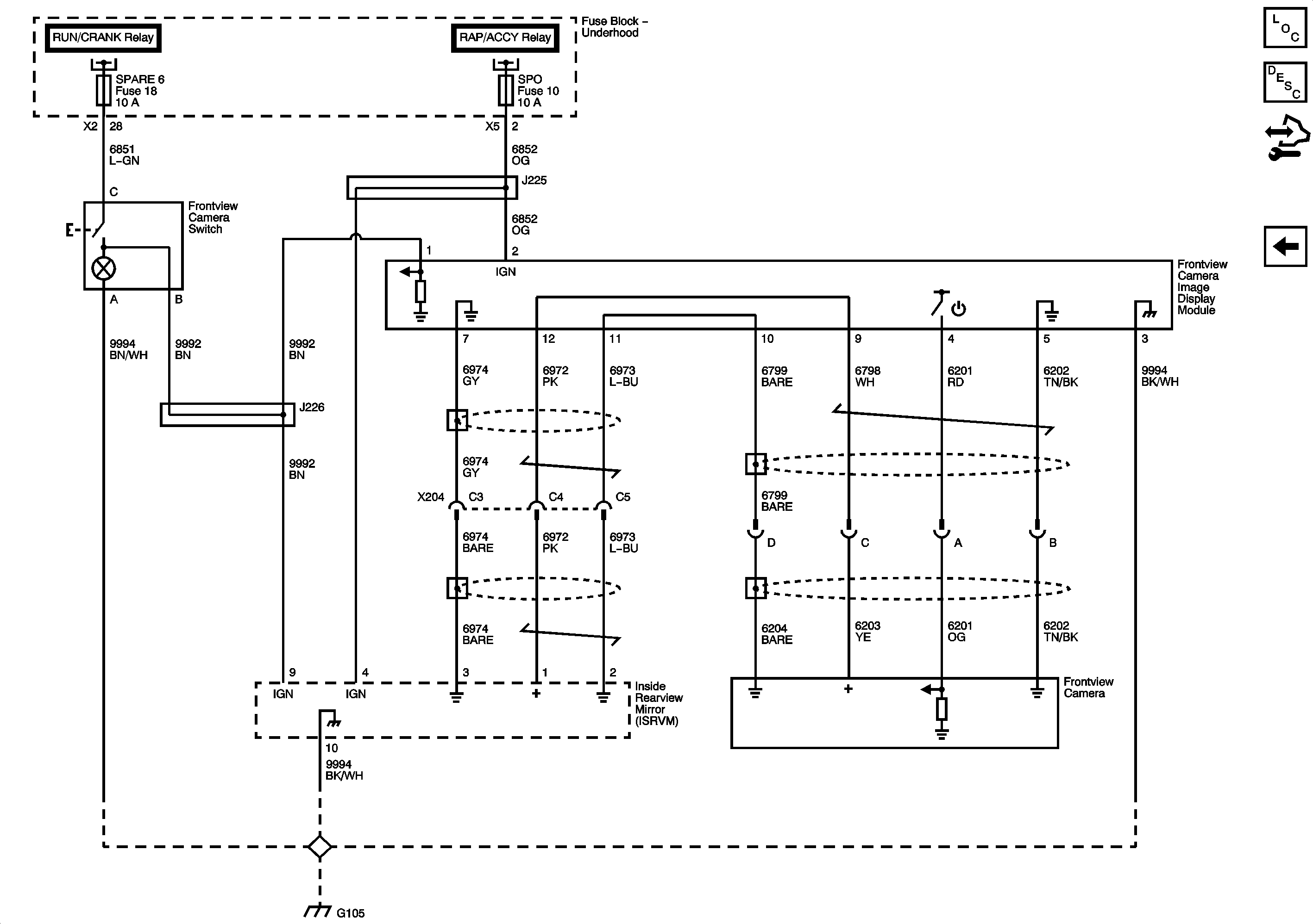
Figure
2:
Frontview Camera (CV5)