GM Service Manual Online
For 1990-2009 cars only

Object Number: 1557386  Size: MF

Callout

Component Name

Notice: Refer to Fastener Notice in the Preface section.

Fastener Tightening Specifications: Refer to Fastener Tightening Specifications .

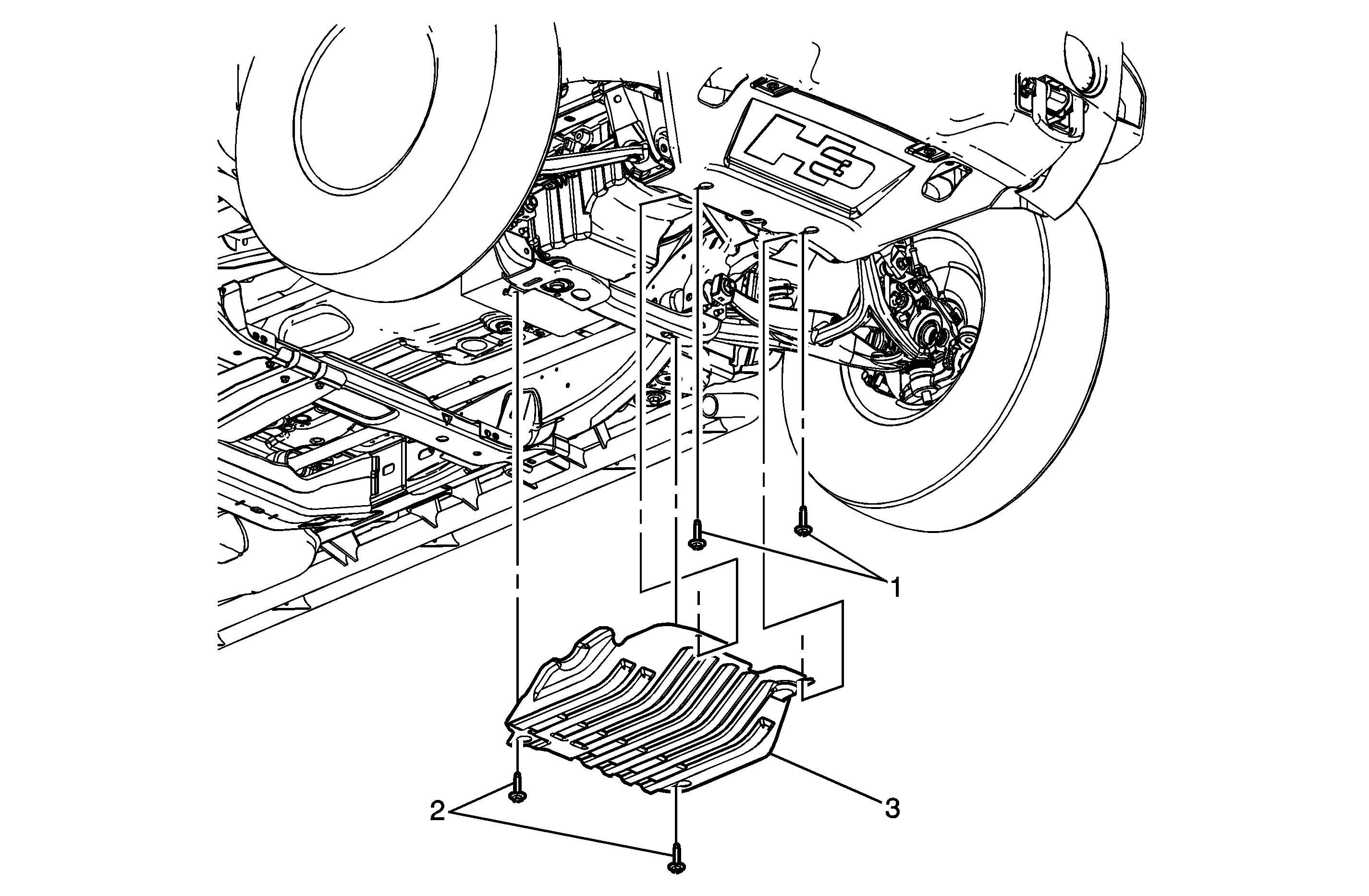
Preliminary Procedure

Raise the vehicle. Refer to Lifting and Jacking the Vehicle .

1

Bolts, Oil Pan Skid Plate (Qty: 2)

Tighten
20 N·m (15 lb ft)

2

Bolts, Oil Pan Skid Plate (Qty: 2)

Tighten
20 N·m (15 lb ft)

3

Plate, Oil Pan Skid