GM Service Manual Online
For 1990-2009 cars only
Makes
🢒
HUMMER
🢒
2009
🢒
H3
🢒
Driveline/Axle
🢒
Rear Drive Axle
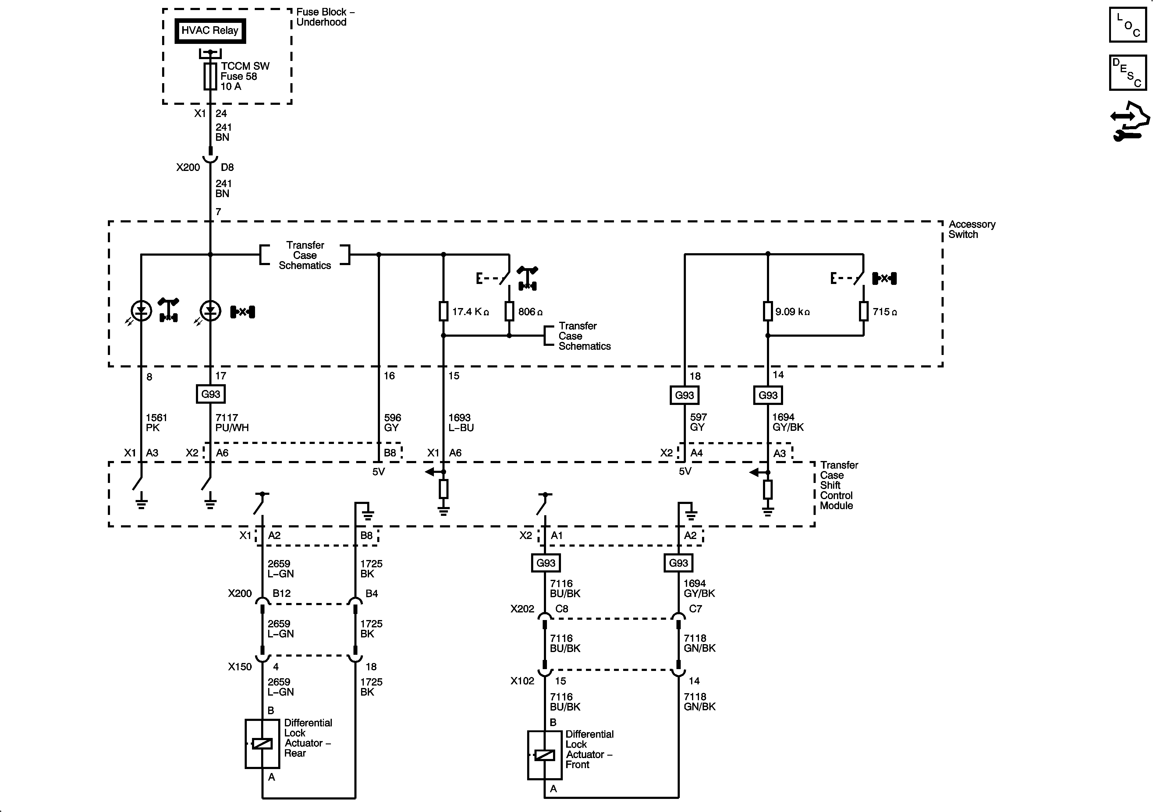
🢒 Differential Lock Schematics