GM Service Manual Online
For 1990-2009 cars only
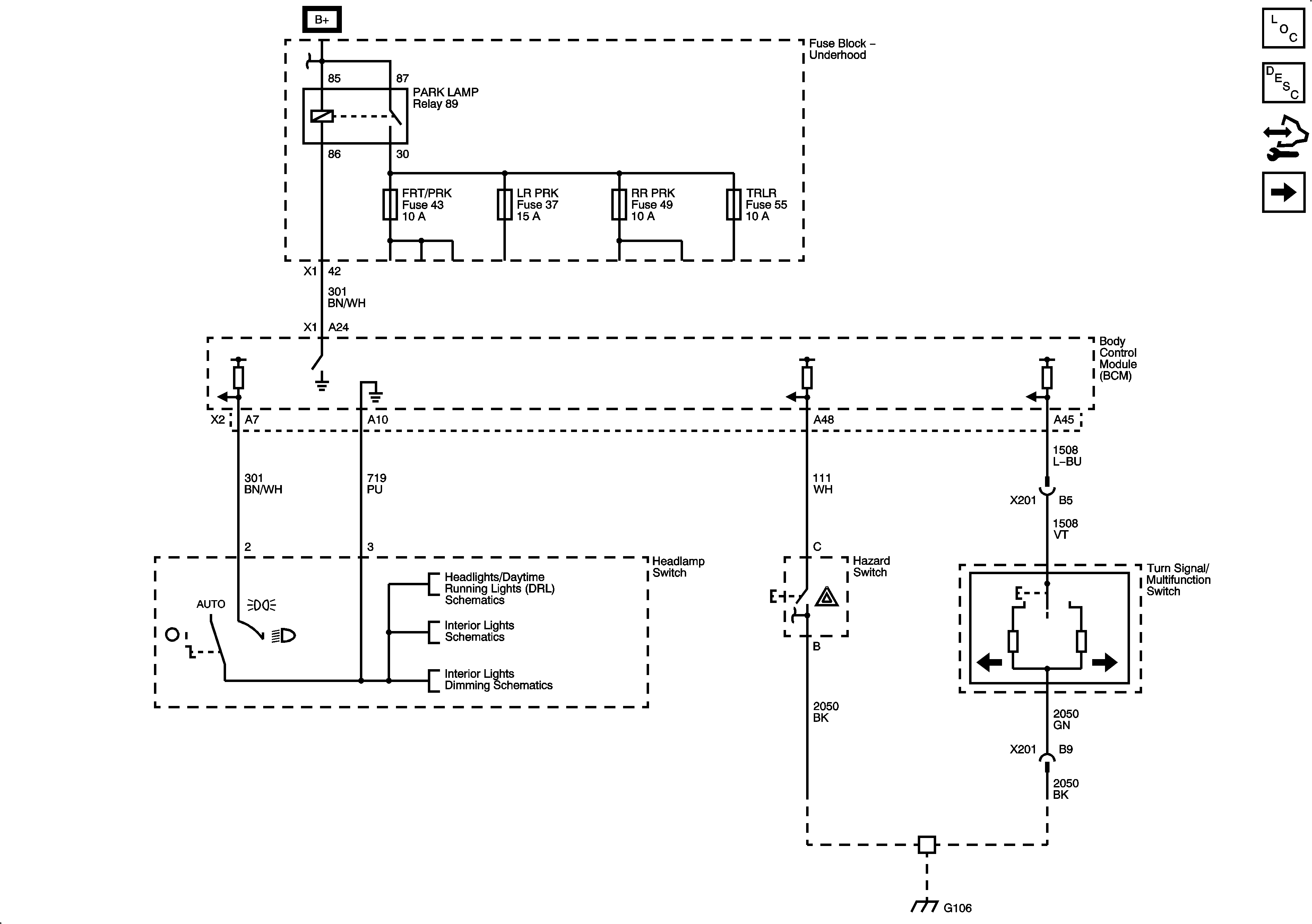
Figure 1:

Park Lamp and Turn Signal Lamp Controls


Object Number: 2080473  Size: FS
Figure 2:

Park Lamps - Domestic


Object Number: 2080474  Size: FS
Figure 3:

Park Lamps - Export


Object Number: 2080476  Size: FS
Figure 4:

Park Lamps - Domestic


Object Number: 2080474  Size: FS
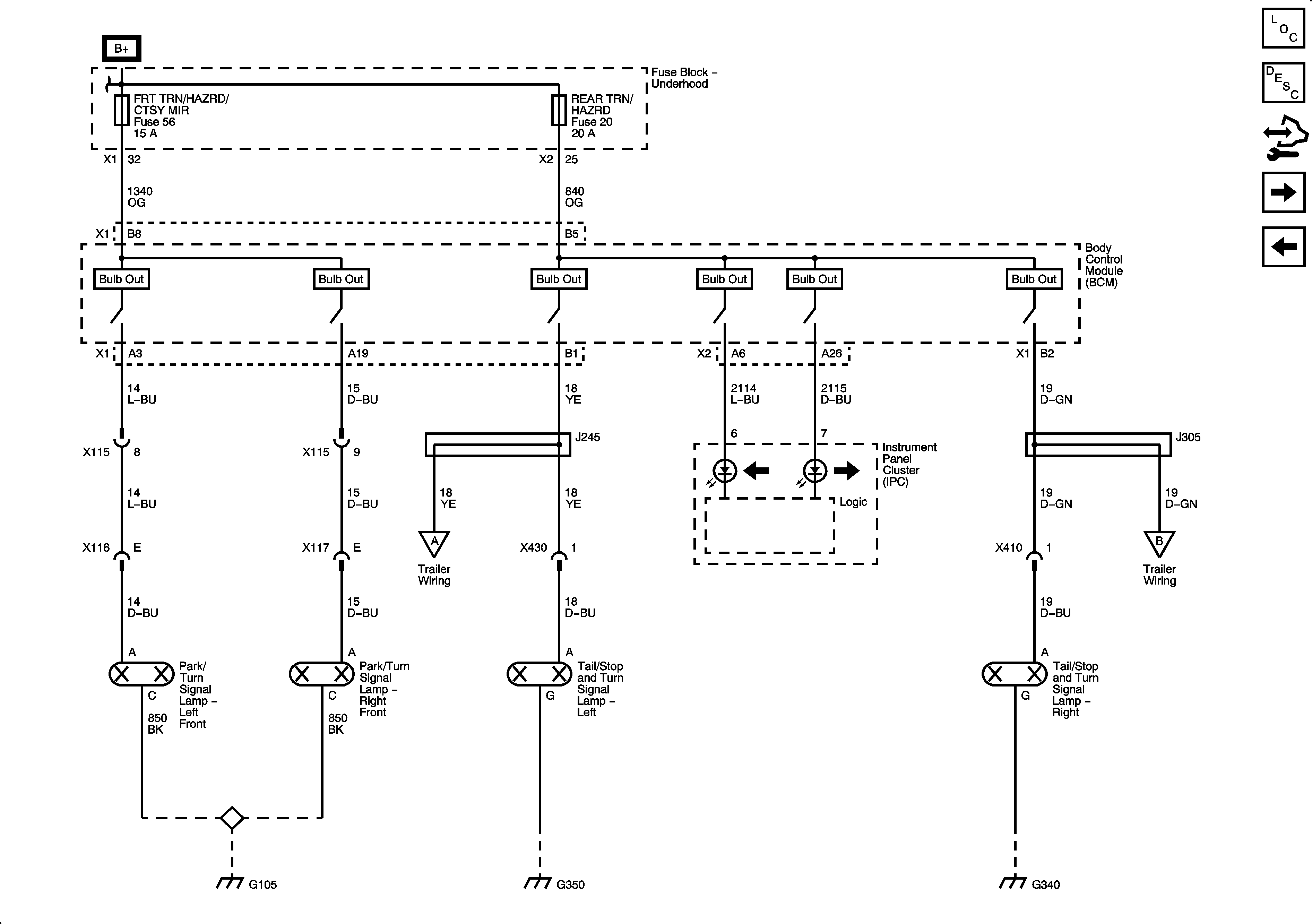
Figure 5:

Turn Signals - Domestic


Object Number: 2080478  Size: FS
Figure 6:

Turn Signals - Export


Object Number: 2080479  Size: FS
Figure 7:

Turn Signals - Domestic


Object Number: 2080478  Size: FS
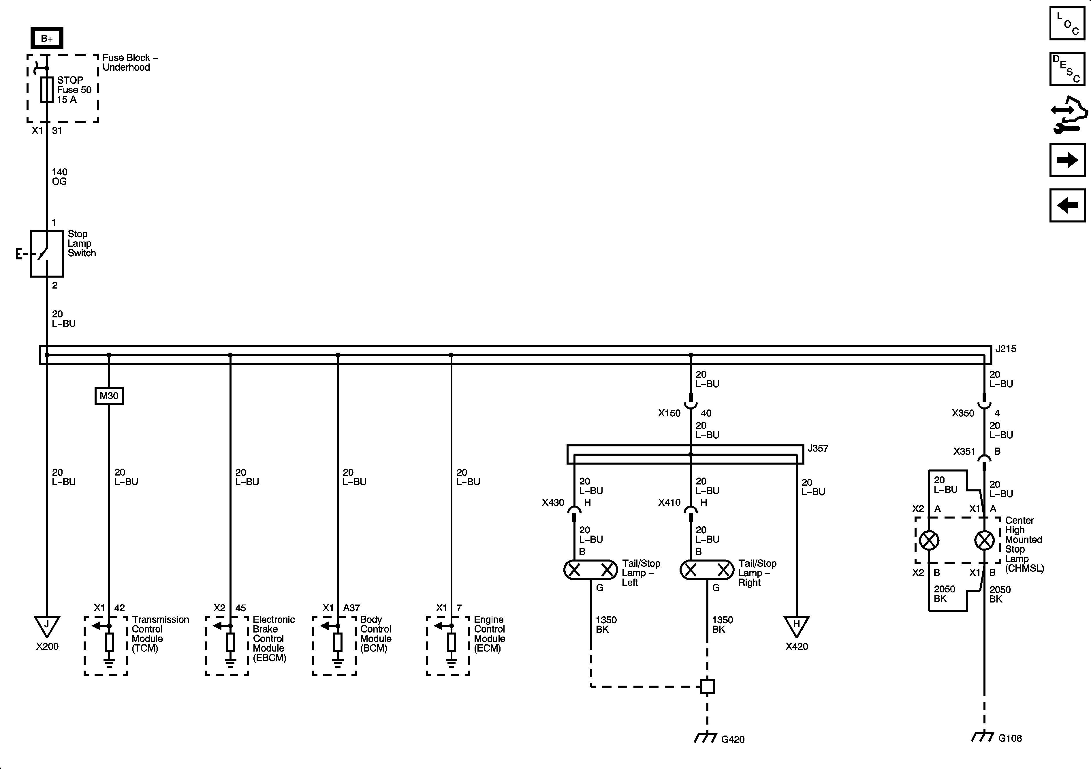
Figure 8:

Stop Lamps


Object Number: 2080482  Size: FS
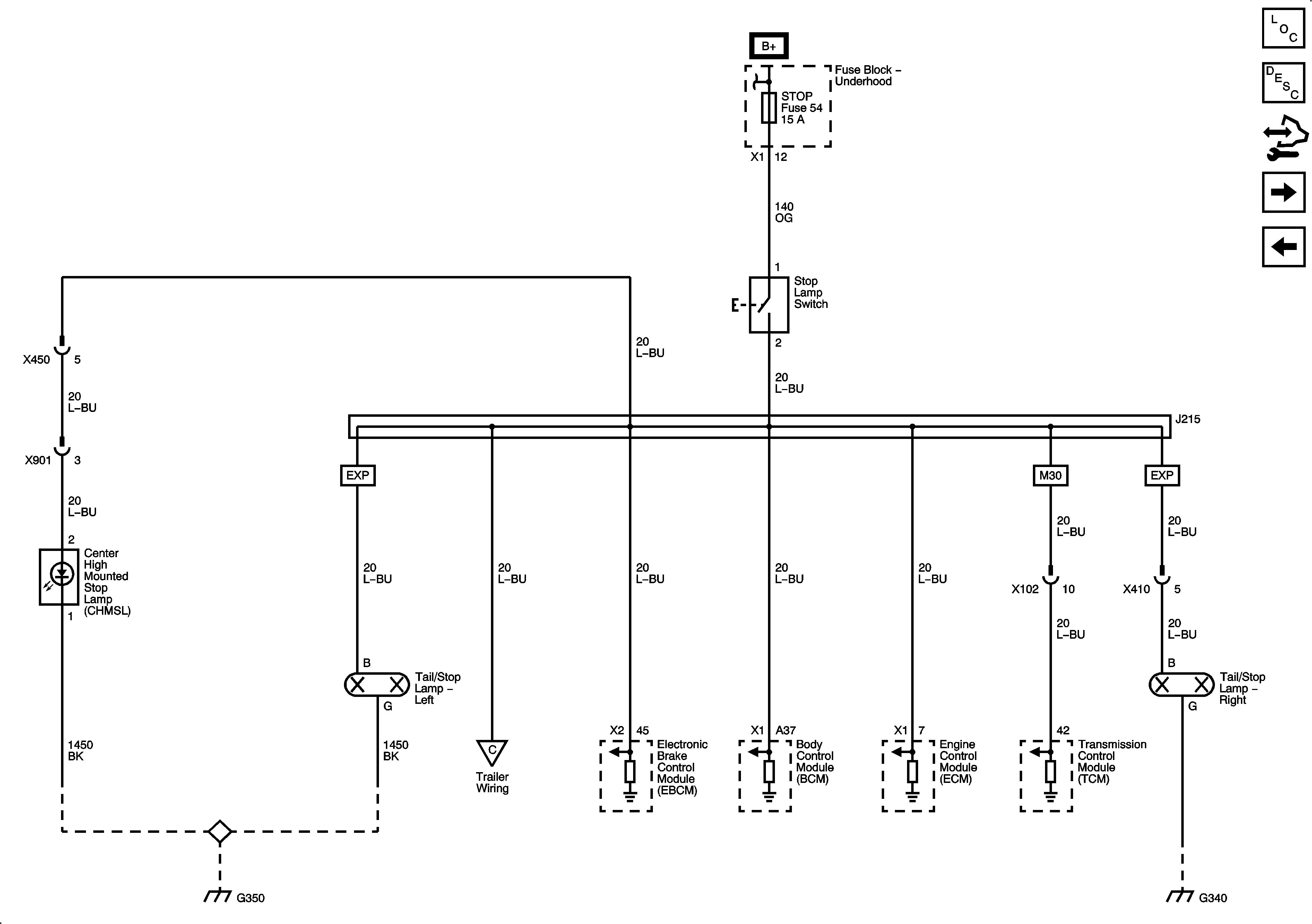
Figure 9:

Stop Lamps


Object Number: 2136290  Size: FS
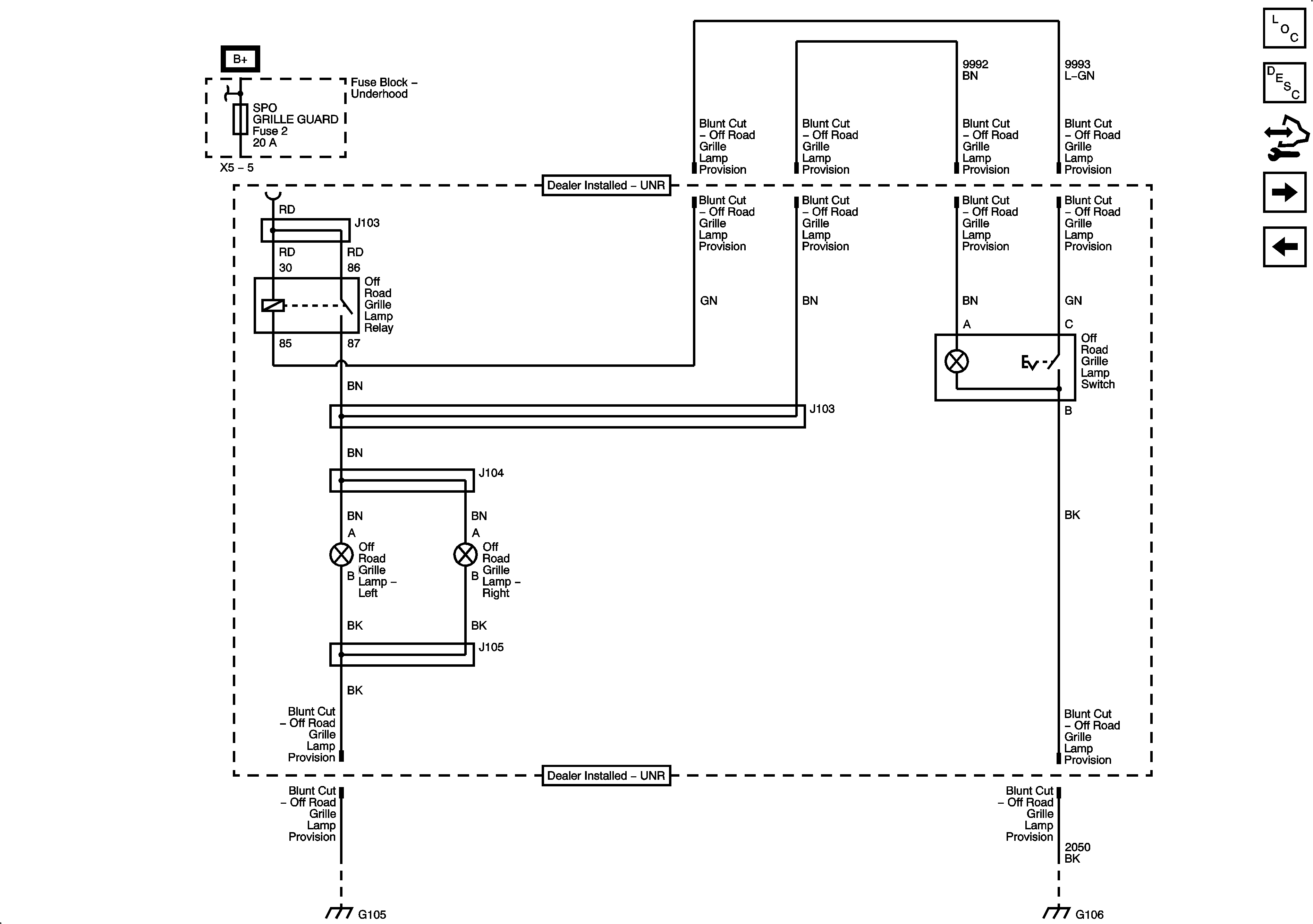
Figure 10:

Grille Mounted Off Road Lamps - UNR


Object Number: 2080483  Size: FS
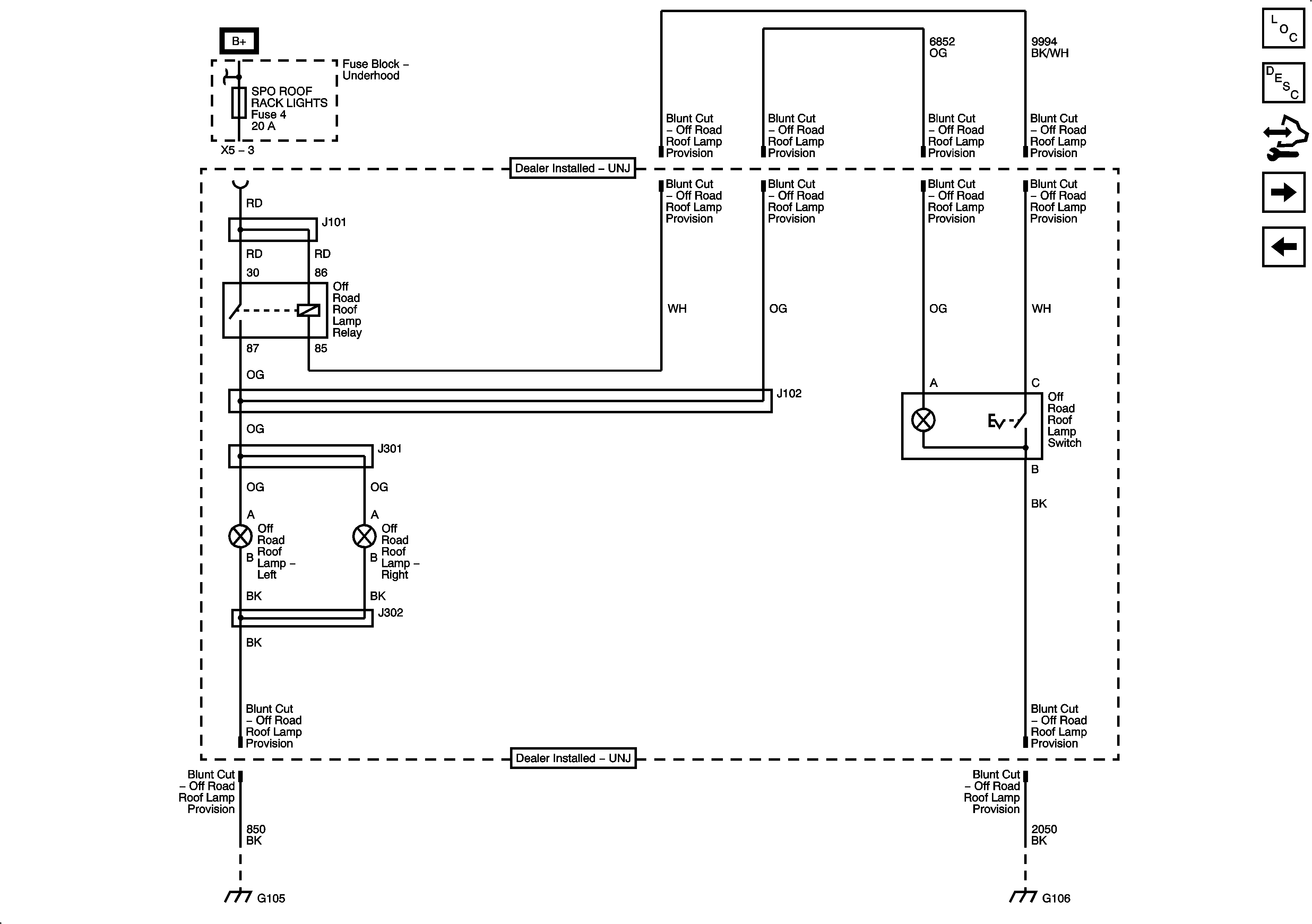
Figure 11:

Roof Mounted Off Road Lamps - UNJ


Object Number: 2080489  Size: FS
Figure 12:

Backup Lamps


Object Number: 2080491  Size: FS
Figure 13:

Backup Lamps


Object Number: 2080491  Size: FS
Figure 14:

Trailer Wiring - Domestic


Object Number: 2080492  Size: FS
Figure 15:

Trailer Wiring - 1 of 2 (EXP)


Object Number: 2080494  Size: FS
Figure 16:

Trailer Wiring - 2 of 2 (EXP)


Object Number: 2080495  Size: FS
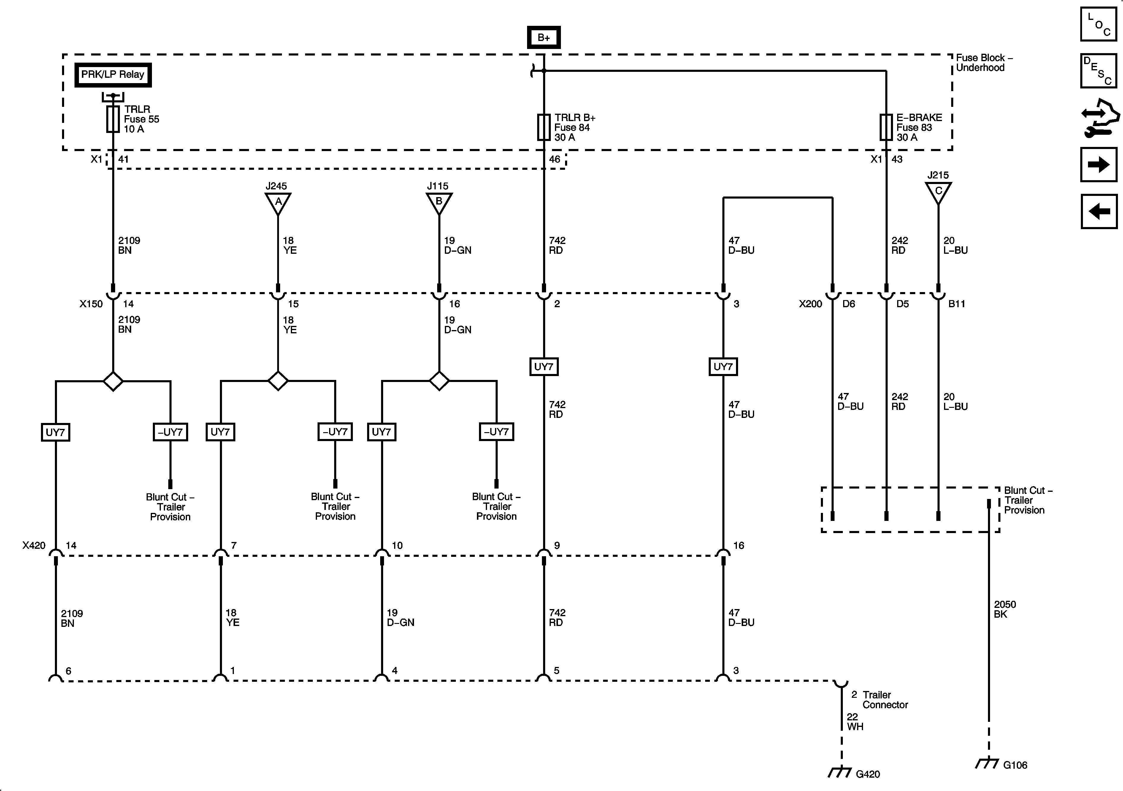
Figure 17:

Trailer Wiring with UY7 - 1 of 2


Object Number: 2082974  Size: FS
Figure 18:

Trailer Wiring with UY7 - 2 of 2


Object Number: 2082976  Size: FS