GM Service Manual Online
For 1990-2009 cars only
Makes
🢒
HUMMER
🢒
2009
🢒
H3
🢒
Transmission
🢒
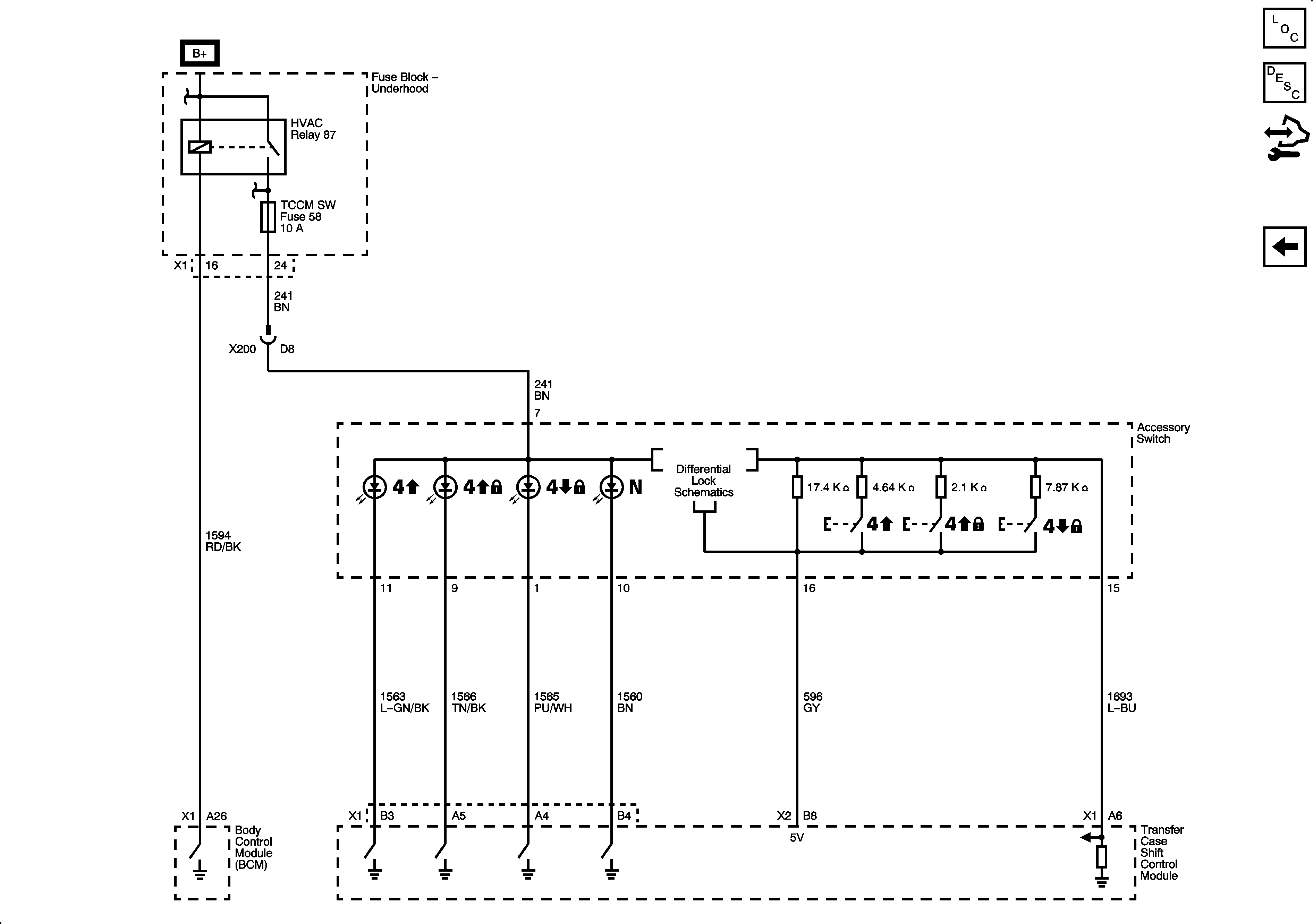
Transfer Case - BW 4493/4494
🢒 Transfer Case Control Schematics
Figure
1:
Power, Ground, Serial Data, and Front Axle Control
Figure
2:
Shift Controls