GM Service Manual Online
For 1990-2009 cars only
Makes
🢒
HUMMER
🢒
2009
🢒
H3
🢒
Power and Signal Distribution
🢒
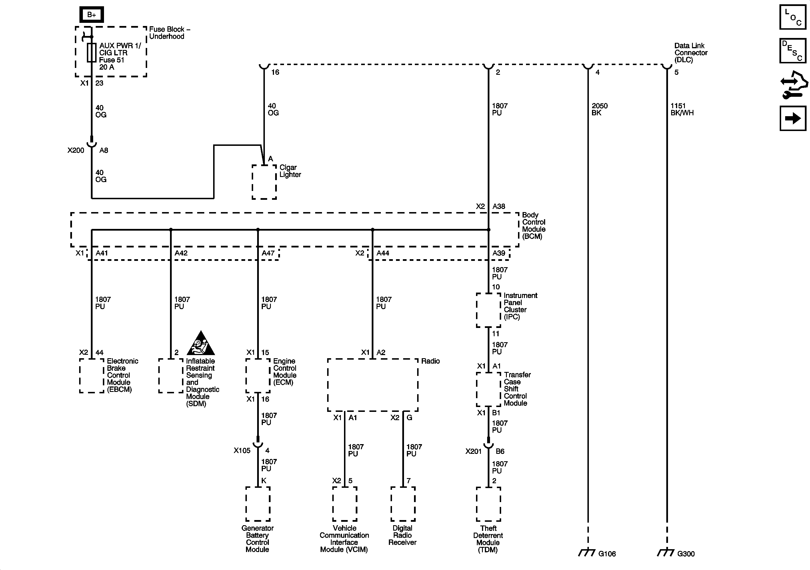
Data Communications
🢒 Data Communication Schematics