GM Service Manual Online
For 1990-2009 cars only
Figure 1:

G100, G102, G103, G104, G110, and G120


Object Number: 2080085  Size: FS
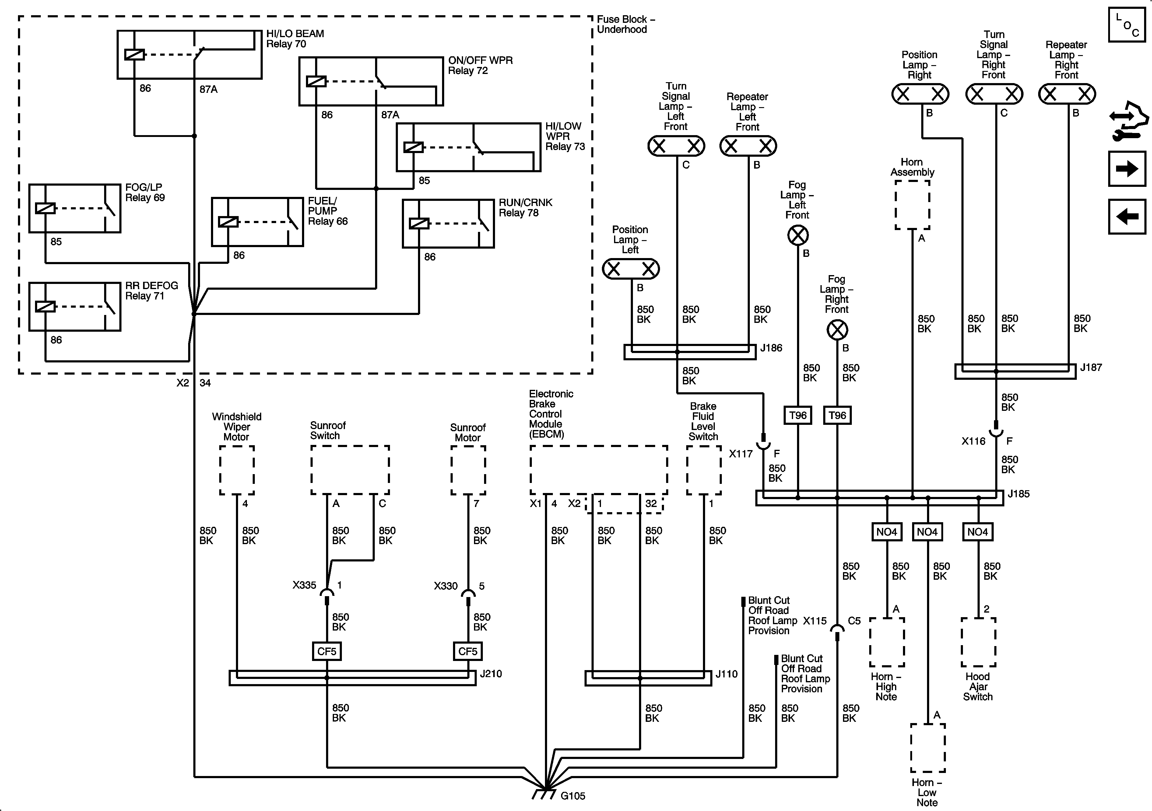
Figure 2:

G105 - Left Hand Drive Except EXP


Object Number: 2080090  Size: FS
Figure 3:

G105 - Left Hand Drive with EXP


Object Number: 2080094  Size: FS
Figure 4:

G105 - Right Hand Drive


Object Number: 2080096  Size: FS
Figure 5:

G106 - Left Hand Drive


Object Number: 2080100  Size: FS
Figure 6:

G106 - Right Hand Drive


Object Number: 2080102  Size: FS
Figure 7:

G300, G310, and G320


Object Number: 2080106  Size: FS
Figure 8:

G340 and G345


Object Number: 2080111  Size: FS
Figure 9:

G350


Object Number: 2080114  Size: FS
Figure 10:

G420 (Except EXP)


Object Number: 2080117  Size: FS
Figure 11:

G420 (EXP)


Object Number: 2080118  Size: FS