GM Service Manual Online
For 1990-2009 cars only
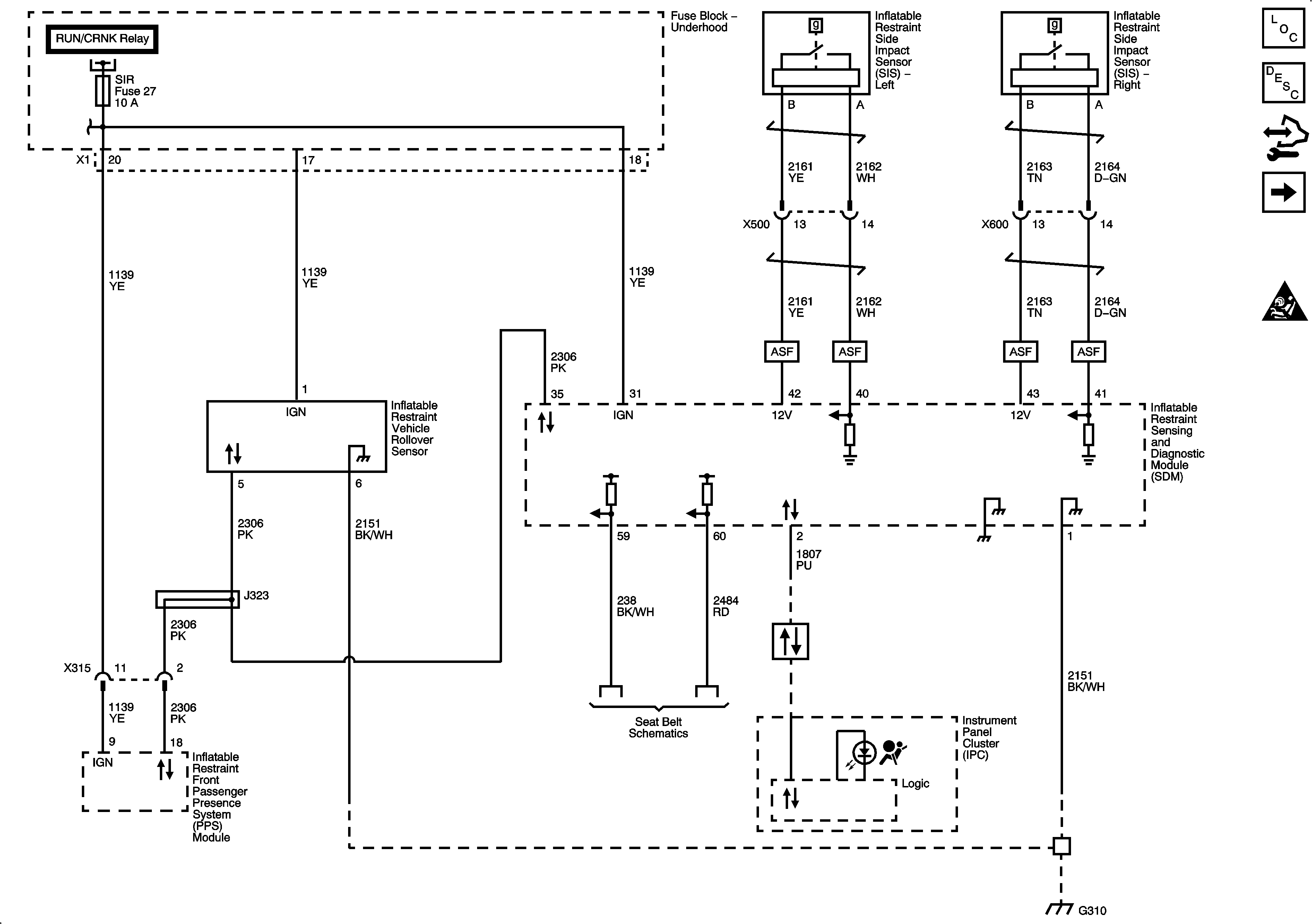
Figure 1:

Module Power, Ground, Serial Data, Impact Sensors, and Indicators


Object Number: 2080570  Size: FS
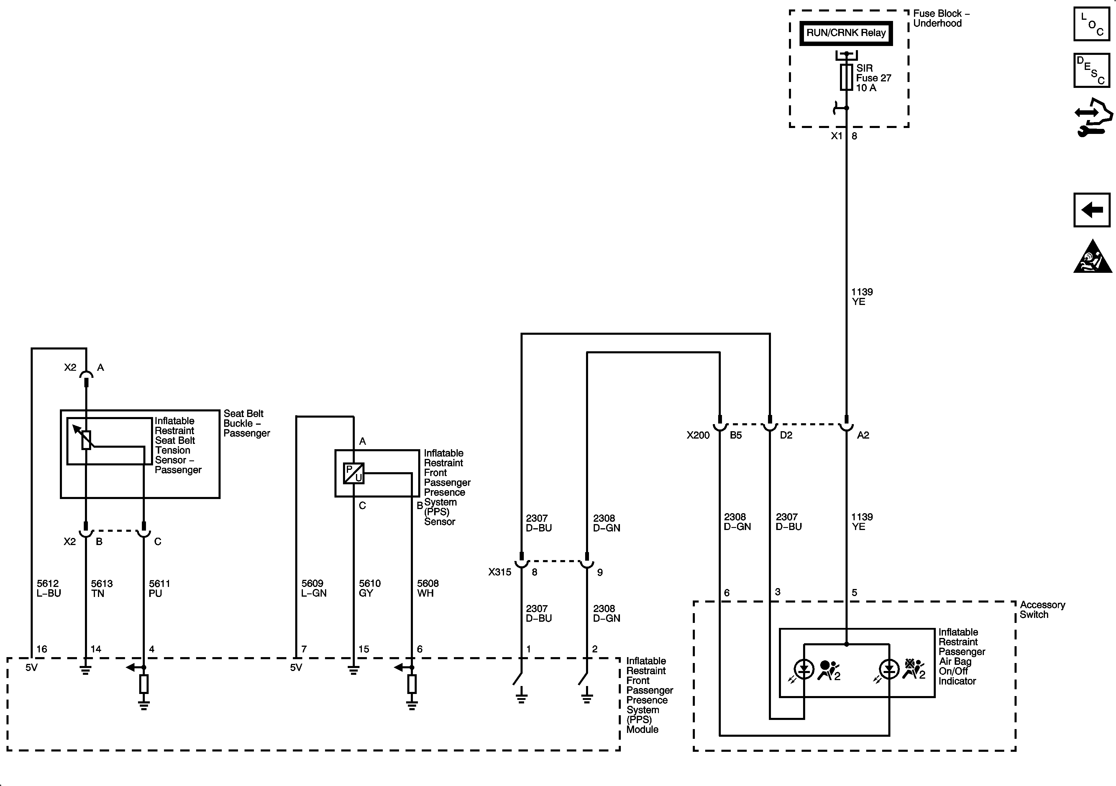
Figure 2:

Inflator Modules


Object Number: 2080573  Size: FS
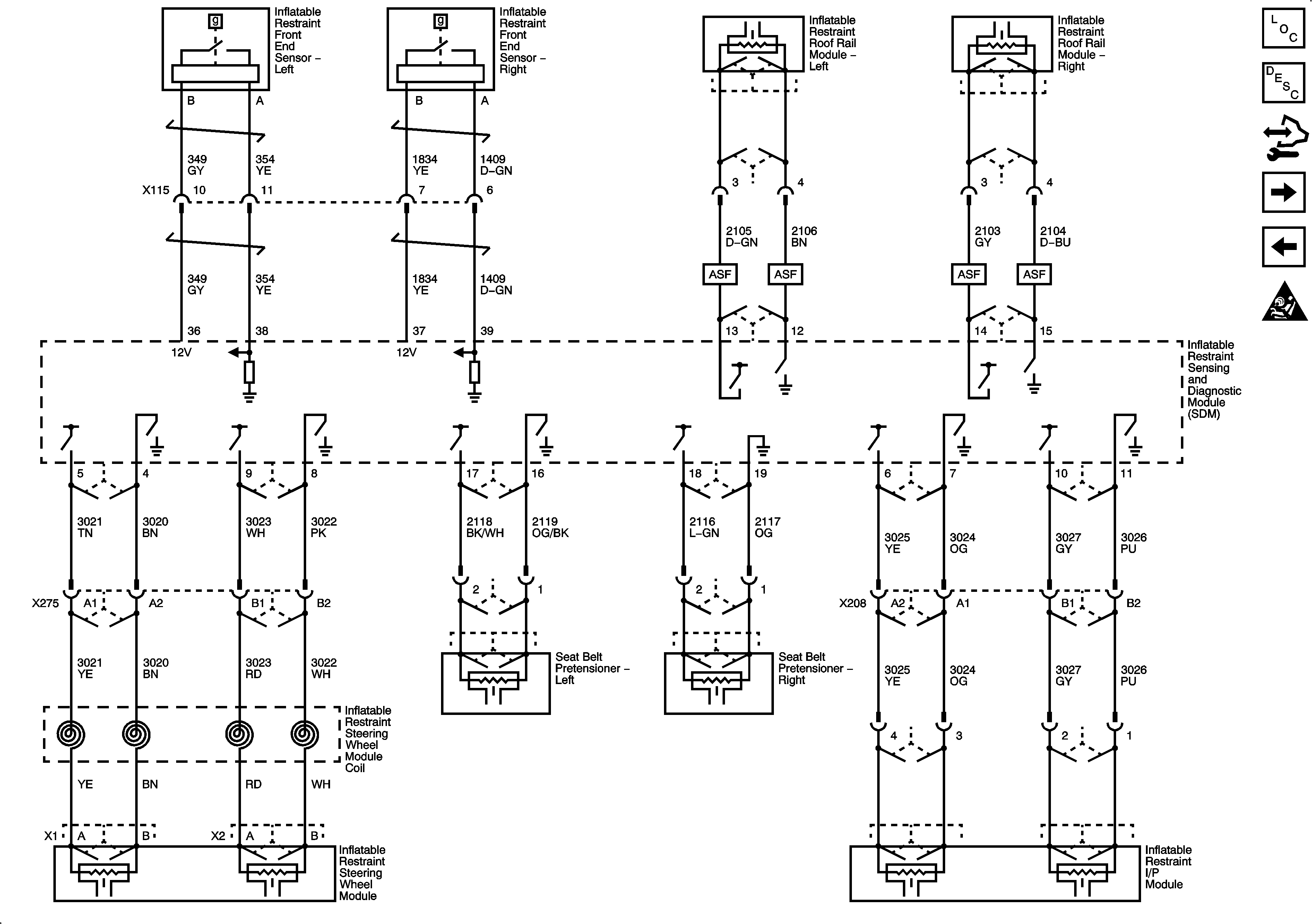
Figure 3:

Passenger Presence


Object Number: 2080574  Size: FS