GM Service Manual Online
For 1990-2009 cars only
Makes
🢒
Holden
🢒
2006
🢒
Barina
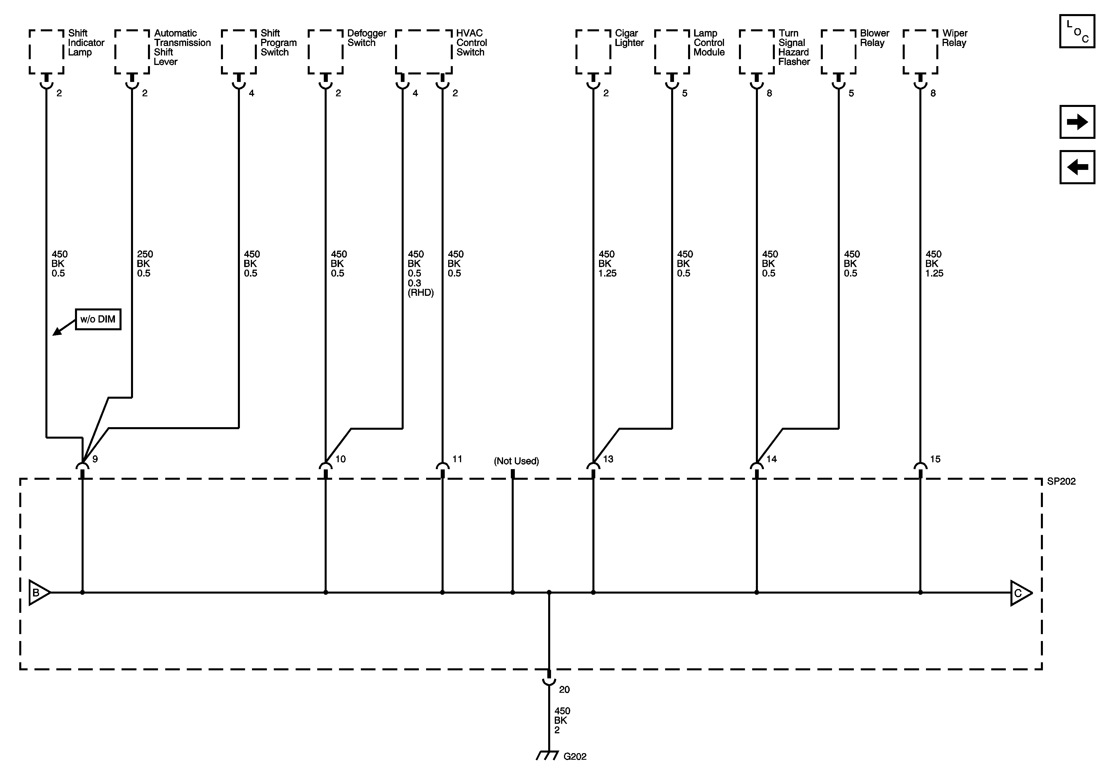
🢒 Ground Distribution - G202 2of3
Ground Distribution - G202 2of3
G202 - 2 of 3
Master Electrical Component List
Ground Distribution - G202 3of3, G201
Ground Distribution - G202 1of3
Ground Distribution - G202 3of3, G201
Ground Distribution - G202 1of3