GM Service Manual Online
For 1990-2009 cars only

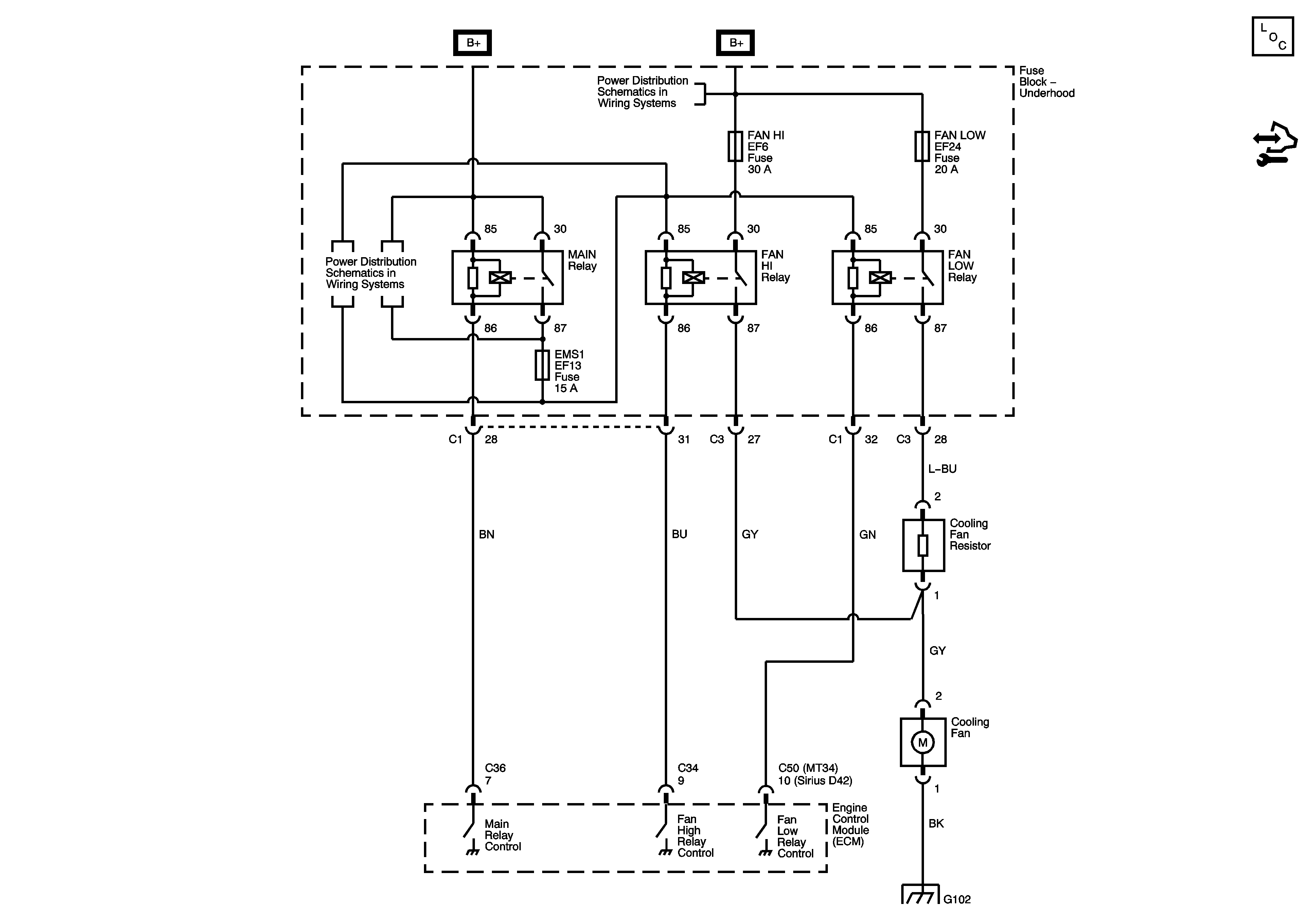
Engine Cooling Schematics Notchback

Figure 1:

MR140, HV240


Object Number: 1737635  Size: FS
Master Electrical Component List (Notchback)
Control Module References
FAN LOW, FAN HI, A/C COMP, P/WINDOW Relays and Fuses
FAN LOW, FAN HI, A/C COMP, P/WINDOW Relays and Fuses
SDM, EMS 1, EMS 2 Fuses
SDM, EMS 1, EMS 2 Fuses
G102
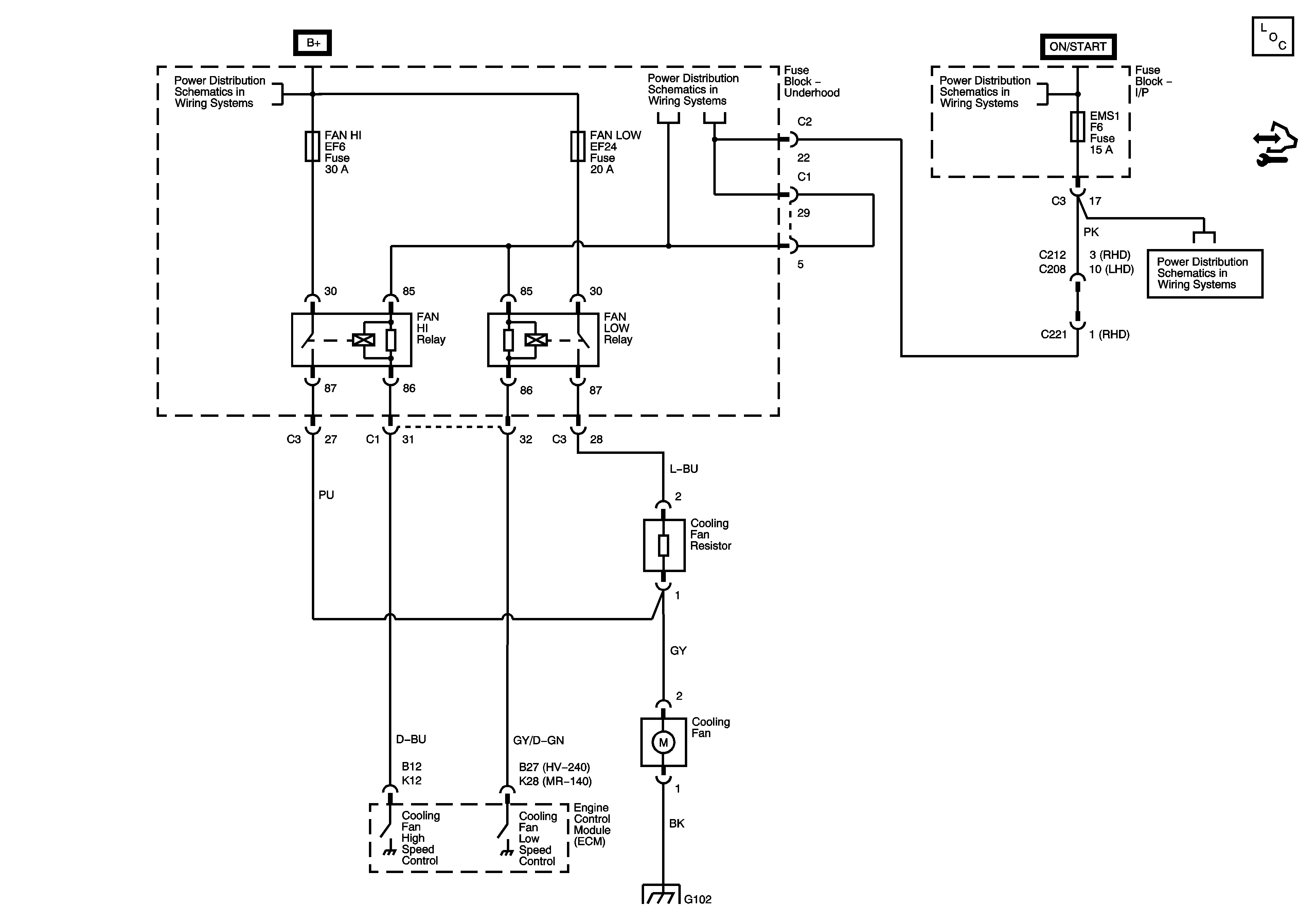
Figure 2:

MT34, Sirius D42


Object Number: 1756977  Size: FS
Master Electrical Component List (Notchback)
Control Module References
FAN LOW, FAN HI, A/C COMP, P/WINDOW Relays and Fuses
MAIN, FAN, A/C RELAYS, EMS1, EMS2 Fuses - SIRIUS D42, MT34
G102

Engine Cooling Schematics Hatchback

Figure 1:

1.2L


Object Number: 1902433  Size: FS
Master Electrical Component List (Hatchback)
Cooling System Description and Operation
Control Module References
Engine Cooling 1.4L, 1.5L
Battery Feed
Power Distribution Fuse F18
Power, Ground and MIL
G104
Figure 2:

1.4L, 1.5L


Object Number: 1902437  Size: FS
Master Electrical Component List (Hatchback)
Cooling System Description and Operation
Control Module References
Engine Cooling 1.6L
Engine Cooling 1.2L
Battery Feed
Power Distribution Fuse F18
G104
Ground Distribution G101, G102 - 1 of 2 and G105
Figure 3:

1.6L


Object Number: 1902439  Size: FS
Master Electrical Component List (Hatchback)
Cooling System Description and Operation
Control Module References
Engine Cooling 1.4L, 1.5L
Battery Feed
Underhood EF13 and EF17 Fuses
Power, Ground and MIL 1.6L
G104