GM Service Manual Online
For 1990-2009 cars only
Makes
🢒
Holden
🢒
2008
🢒
Barina
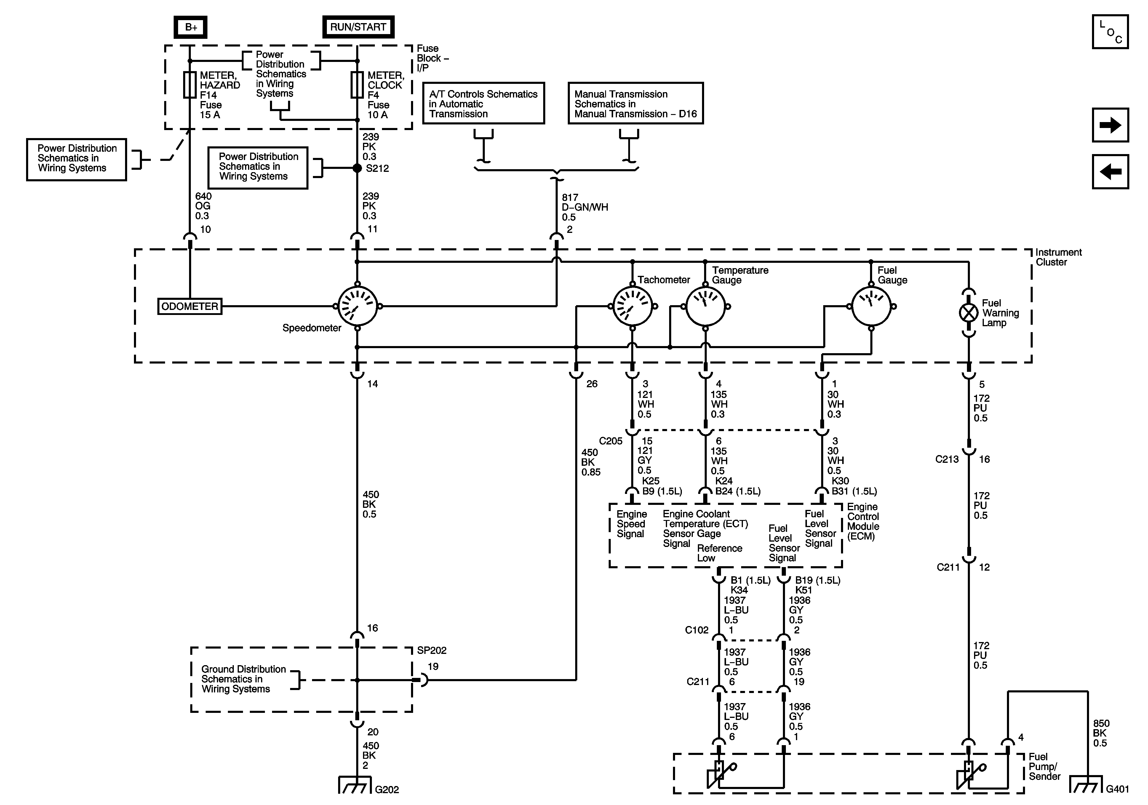
🢒 Instr Cluster 1.4L, 1.5L Gauges
Instr Cluster 1.4L, 1.5L Gauges
1.4L, 1.5L Gauges
Master Electrical Component List
Instr Cluster 1.6L Gauges
Instr Cluster 1.2L Gauges
Power Distribution - Battery Feed
Power Distribution - Battery Feed
Power Distribution - Battery Feed
Auto Transaxle Power and Ground
Manual Transaxle 1.4L-1.5L
Ground Distribution - G101, G102, G105
Ground Distribution - G202 1of3
Ground Distribution - G401 Notchback