GM Service Manual Online
For 1990-2009 cars only
Makes
🢒
Holden
🢒
2008
🢒
Barina
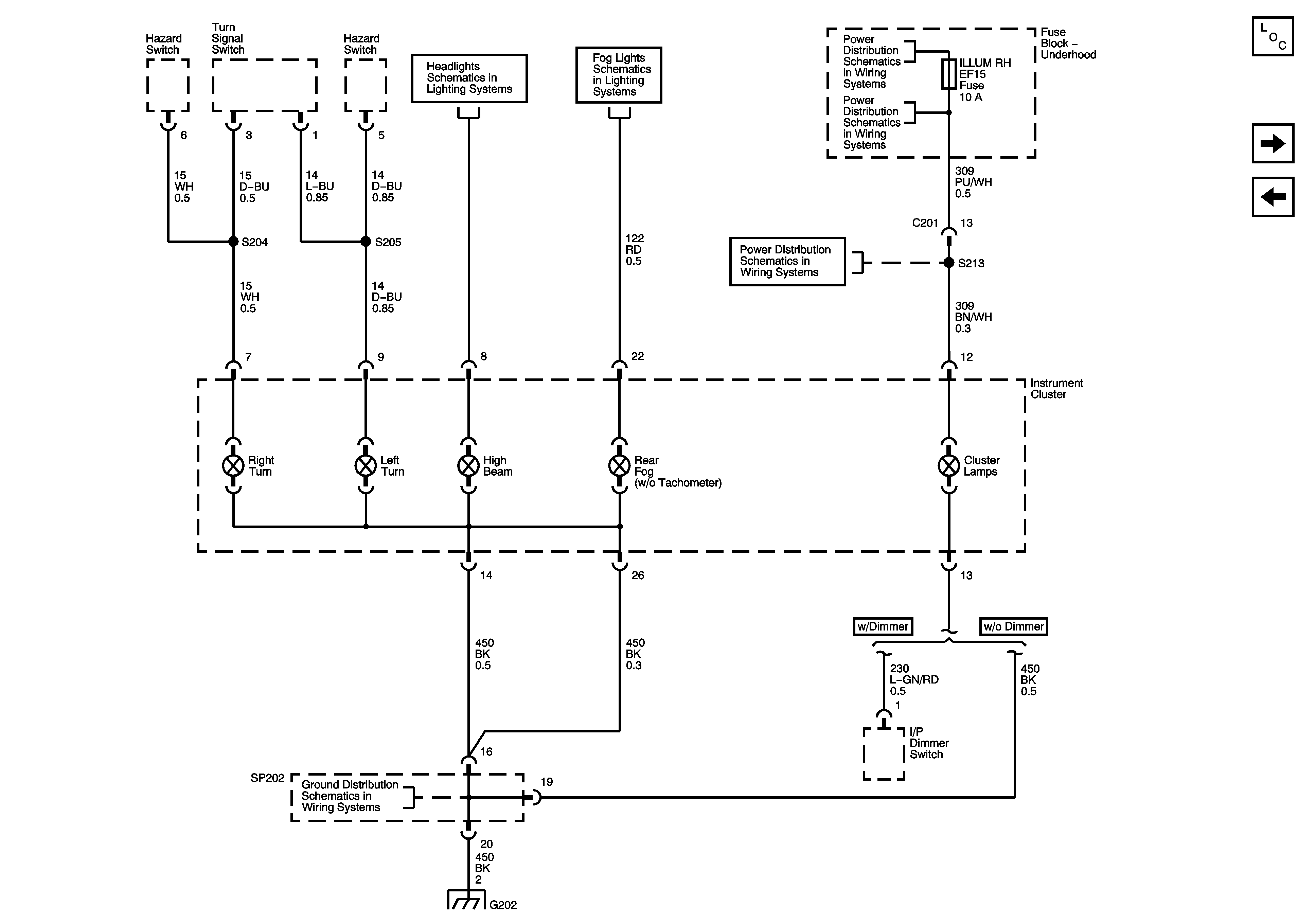
🢒 Instr Cluster Indicators
Instr Cluster Indicators
Indicators
Master Electrical Component List
Instr Cluster Indicators cont.
Instr Cluster 1.6L Gauges
06 S Car Aveo Figure for Graphic 1680374
06 S Car Aveo Figure for Graphic 1680382
Power Distribution - Battery Feed
Power Distribution - Battery Feed
Power Distribution - Battery Feed
Ground Distribution - G101, G102, G105
Ground Distribution - G202 1of3