GM Service Manual Online
For 1990-2009 cars only
Makes
🢒
Holden
🢒
2008
🢒
Barina
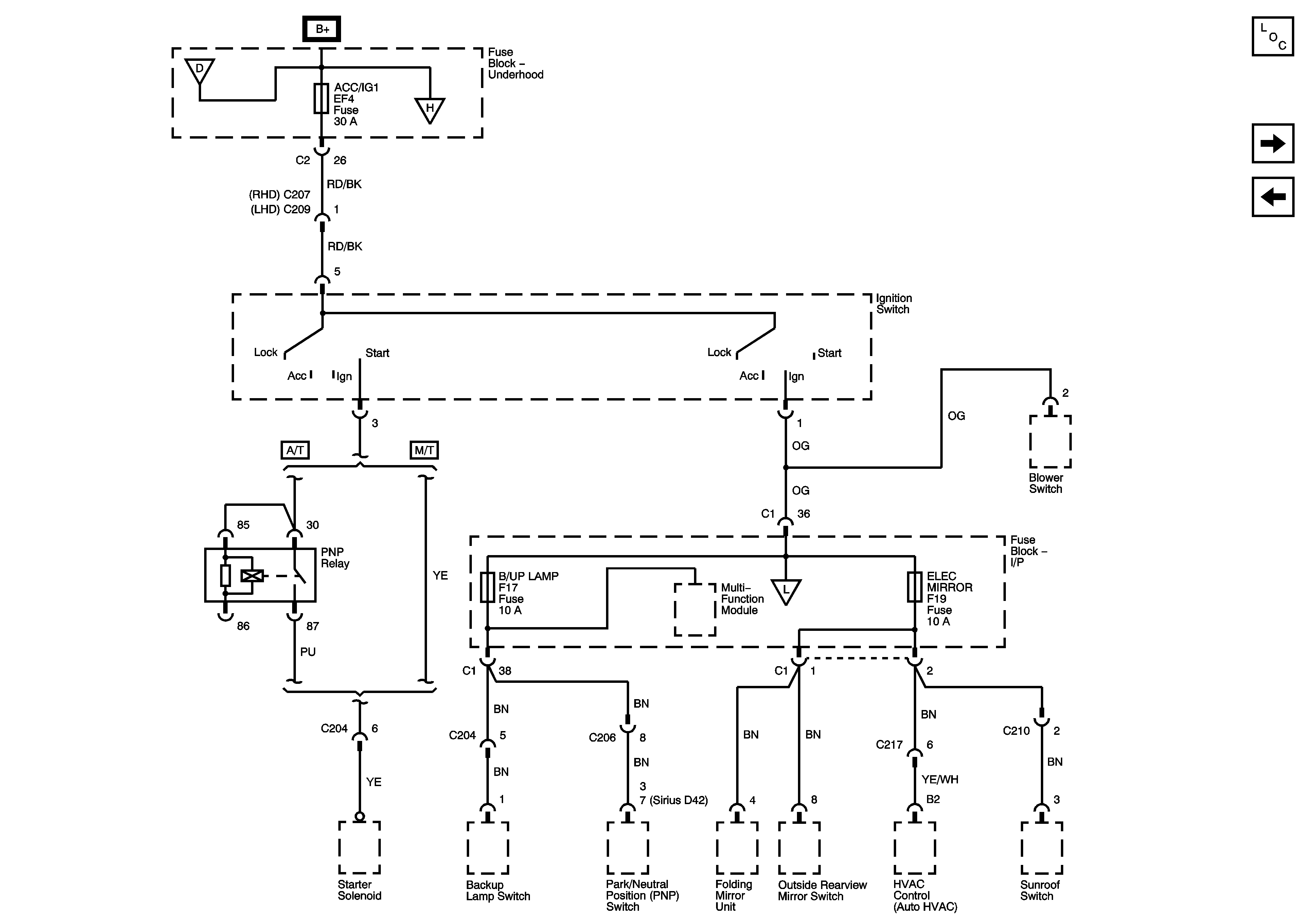
🢒 ACC/IG 1 Fuse, Ignition Switch, B/UP LAMP, ELEC MIRROR Fuses
ACC/IG 1 Fuse, Ignition Switch, B/UP LAMP, ELEC MIRROR Fuses
ACC/IG1 Fuse, Ignition Switch, B/UP LAMP, ELEC MIRROR Fuses
Master Electrical Component List (Notchback)
IGN 2/ST Fuse, Ignition Switch, CIGAR, AUDIO/CLOCK, CLUSTER, T/SIG Fuses
HORN, WIPER, DOOR LOCK, RR FOG Fuses and Relays
Headlamp, Fog Lamp Relays and Fuses, BATT Fuse
IGN 2/ST Fuse, Ignition Switch, CIGAR, AUDIO/CLOCK, CLUSTER, T/SIG Fuses
AUDIO/RKE, DEFOGGER, DEFOG MIRROR Fuses