Makes 🢒
Holden 🢒
2008 🢒
Barina 🢒
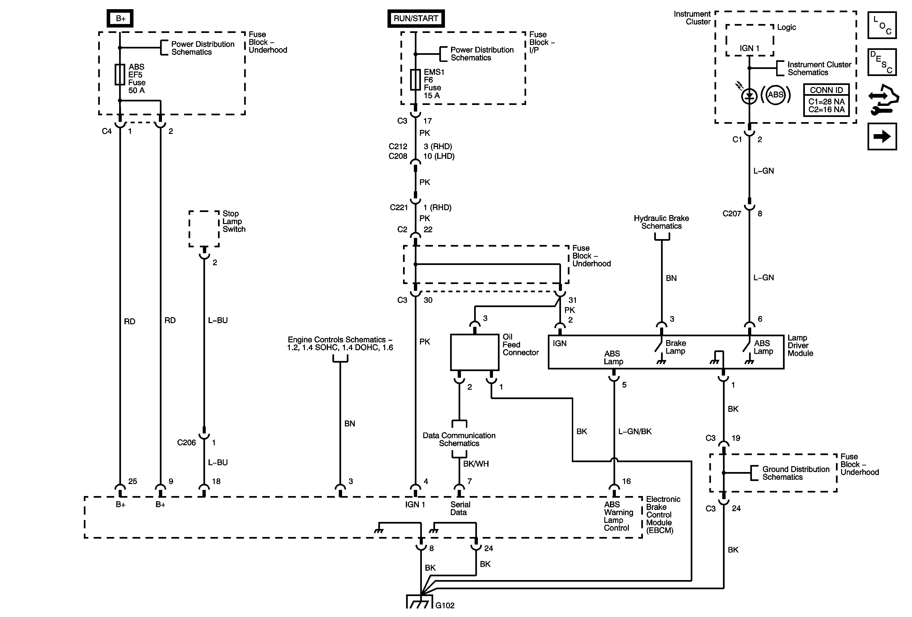
Electronic Brake Control Module (EBCM) Power and Ground Distribution, Serial Data, Lamp Driver Module and Stop Lamp Switch
Electronic Brake Control Module (EBCM) Power and Ground Distribution, Serial Data, Lamp Driver Module and Stop Lamp Switch