GM Service Manual Online
For 1990-2009 cars only
Makes
🢒
Holden
🢒
2008
🢒
Barina
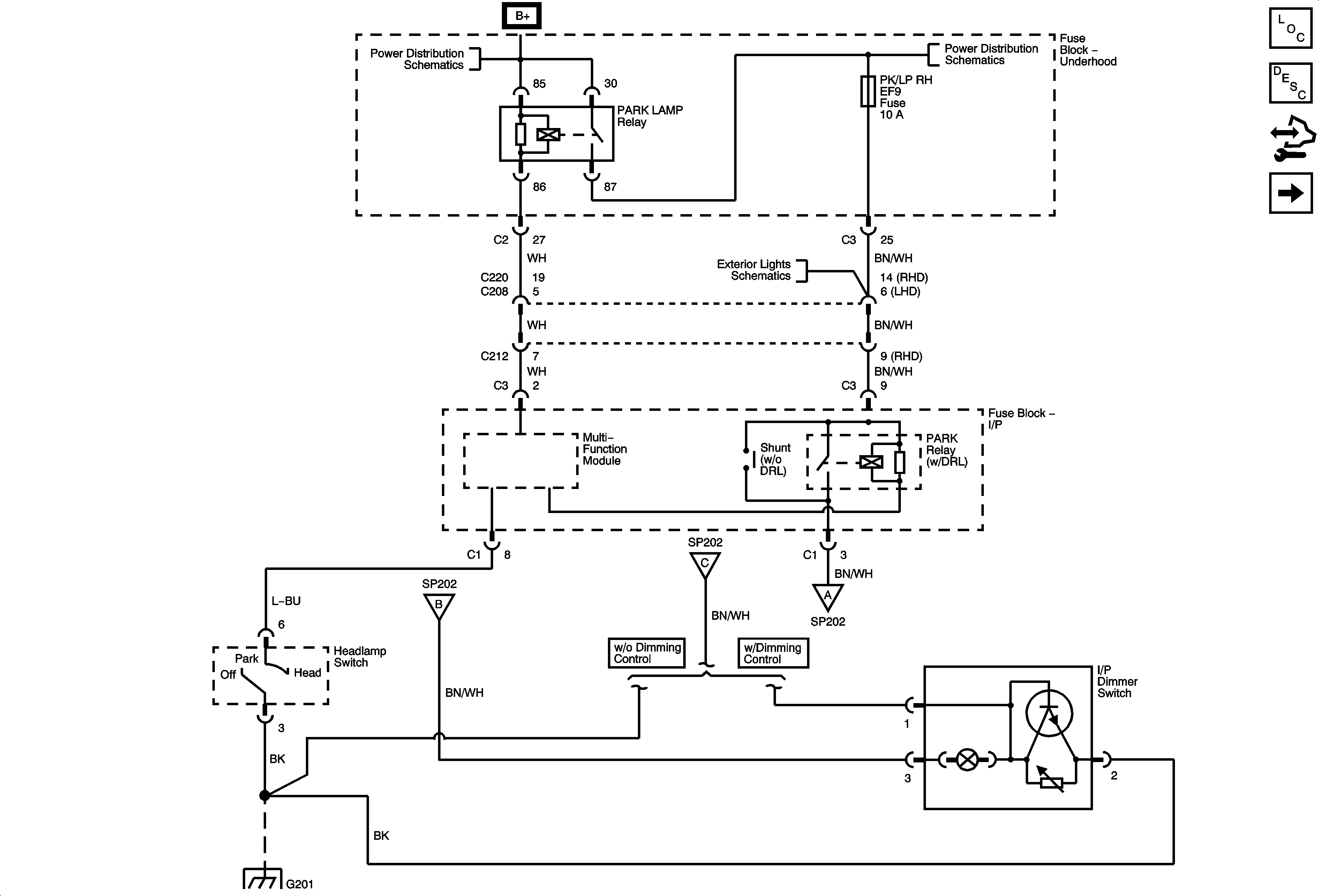
🢒 Interior Lights Dimming Schematics (1 of 2)
Interior Lights Dimming Schematics (1 of 2)
Interior Lights Dimming (1 of 2)
Master Electrical Component List Notchback
Interior Lighting Systems Description and Operation
Control Module References
Interior Lights Dimming Schematics (2 of 2)
PK/LP Relay and Fuses
PK/LP Relay and Fuses
Park and Turn Indicator Lamps
Interior Lights Dimming Schematics (2 of 2)
Interior Lights Dimming Schematics (2 of 2)
Interior Lights Dimming Schematics (2 of 2)
G201 - 1 of 3