GM Service Manual Online
For 1990-2009 cars only
Makes
🢒
Holden
🢒
2008
🢒
Barina
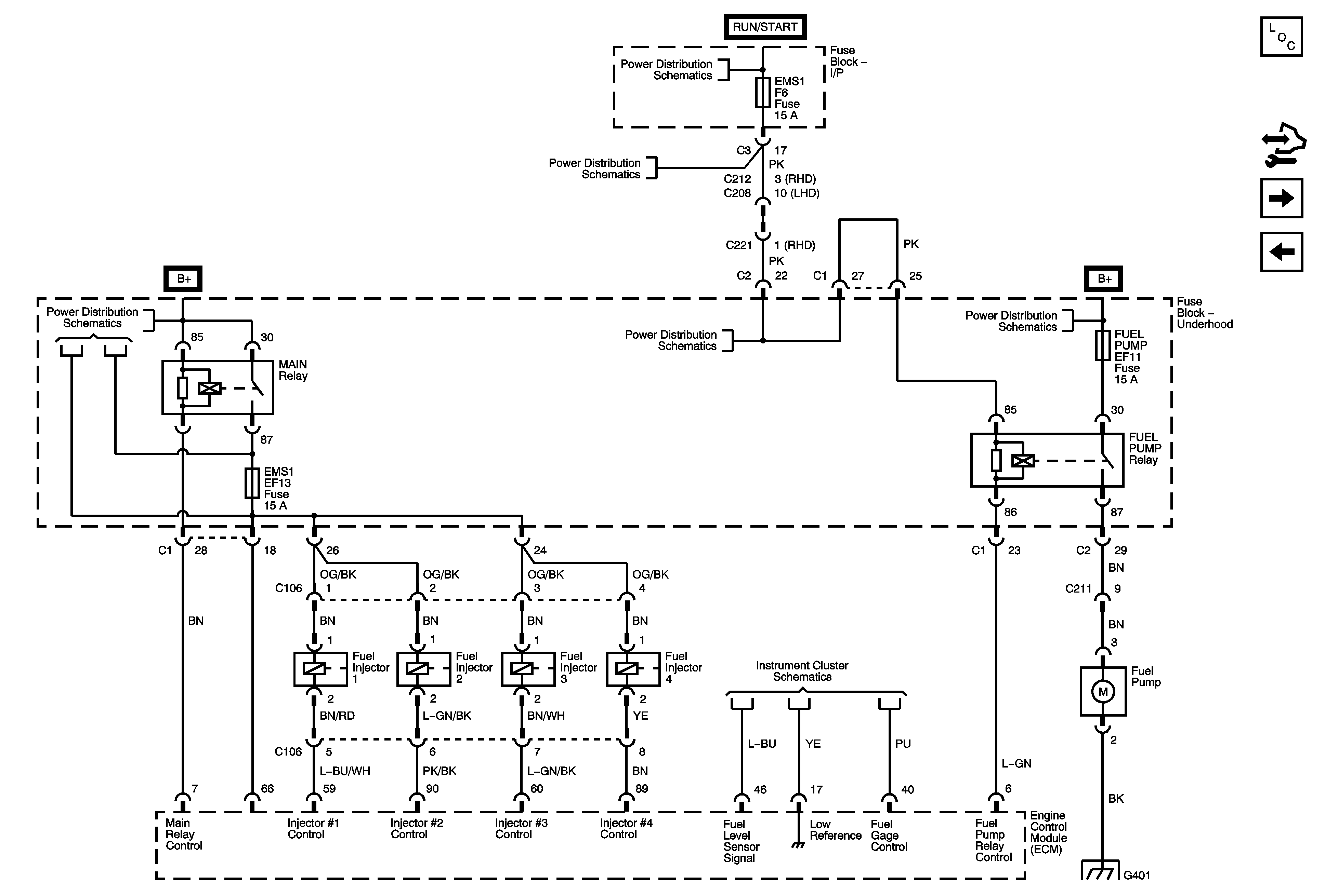
🢒 Fuel Pump and Injectors
Fuel Pump and Injectors
Fuel Pump and Injectors
Master Electrical Component List (Notchback)
Control Module References
EGR Valve, ECT Sensor, Main Throttle Intake Actuator
EVAP Canister Purge Solenoid, CMP, CKP, Knock, Rough Road Sensors
SDM, EMS 1, EMS 2 Fuses
SDM, EMS 1, EMS 2 Fuses
MAIN, FAN, A/C RELAYS, EMS1, EMS2 Fuses - SIRIUS D42, MT34
ABS, HAZARD, ECU, FUEL PUMP Fuses
ABS, HAZARD, ECU, FUEL PUMP Fuses
Instrument Cluster Power and Ground, Ambient Temperature, Engine Temperature, Fuel, Speed Gages
G401, G402