GM Service Manual Online
For 1990-2009 cars only
Makes
🢒
Holden
🢒
2008
🢒
Barina
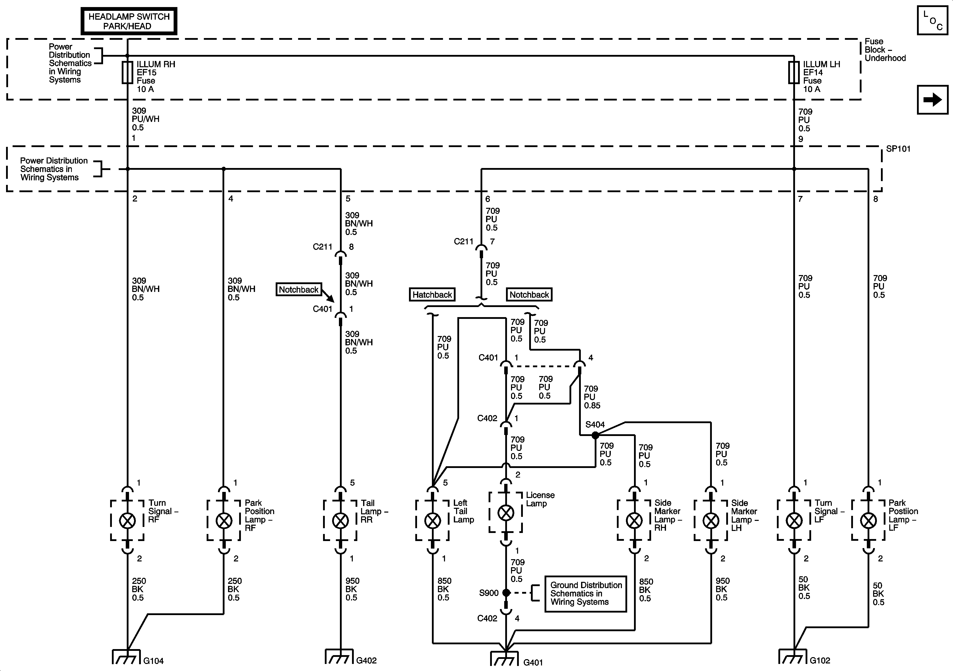
🢒 Park Lamps
Park Lamps
Park Lamps
Master Electrical Component List Hatchback
Stop Lamps
Battery Feed
Battery Feed
Ground Distribution G101, G102 - 1 of 2 and G105
G104
Ground Distribution G402
Ground Distribution G401
Ground Distribution G101, G102 - 1 of 2 and G105