GM Service Manual Online
For 1990-2009 cars only
Makes
🢒
Holden
🢒
2008
🢒
Barina
🢒 Hydraulic Brakes
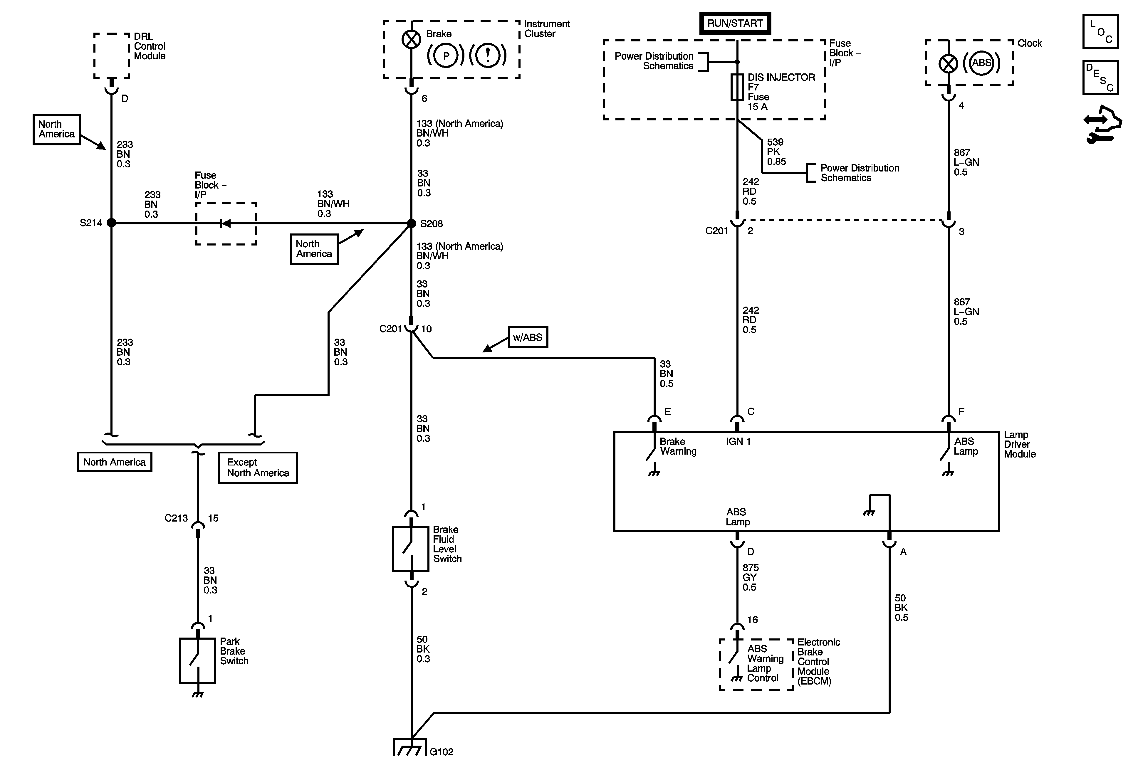
Hydraulic Brakes
Master Electrical Component List (Hatchback)
Hydraulic Brake System Description and Operation
Control Module References
Power Distribution Ignition Switch and Fuses F6, 7 - 1 of 2, 17 and 18
Power Distribution Ignition Switch and Fuses F6, 7 - 1 of 2, 17 and 18
Ground Distribution G101, G102 - 1 of 2 and G105