GM Service Manual Online
For 1990-2009 cars only
Makes
🢒
Holden
🢒
2008
🢒
Barina
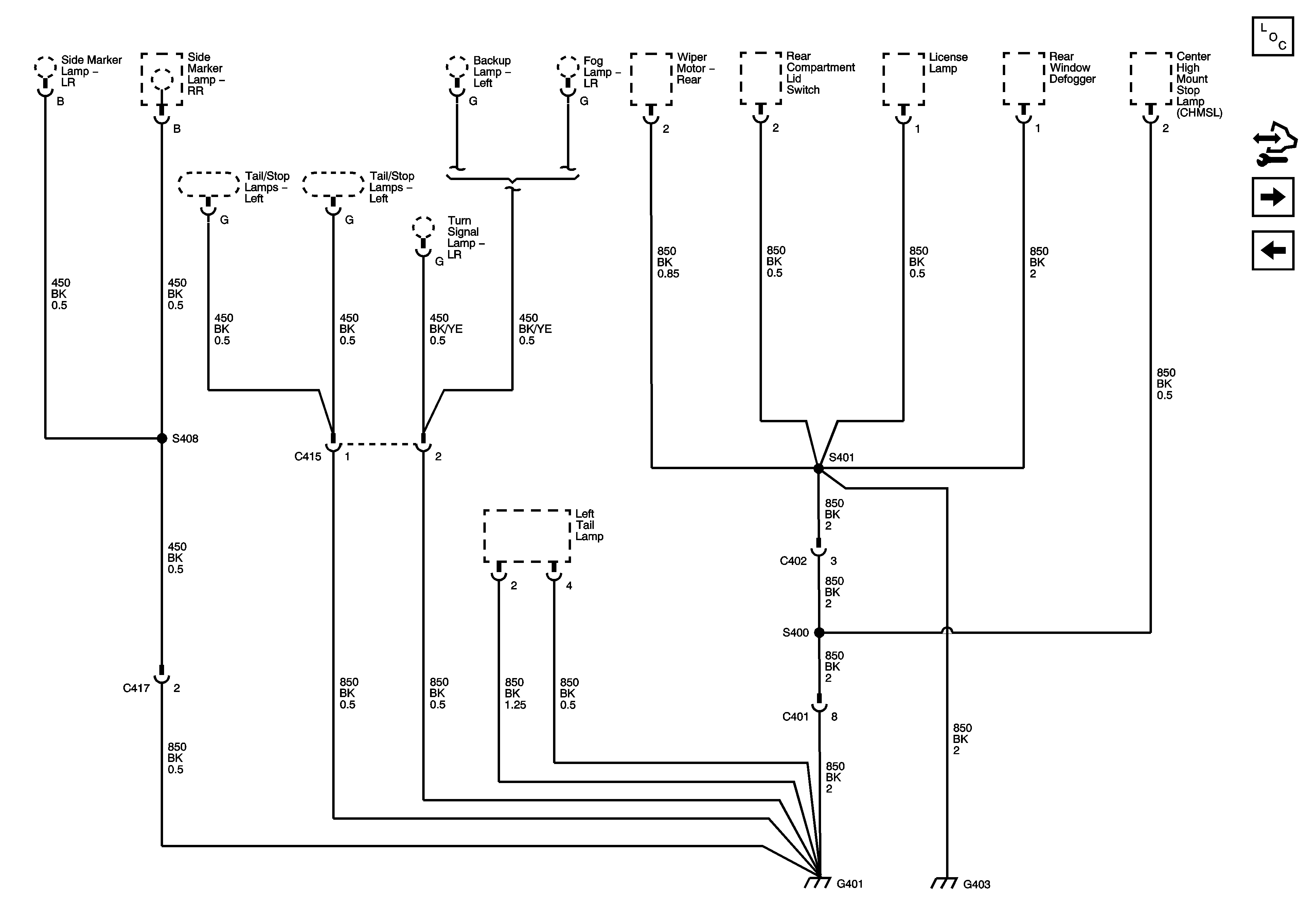
🢒 Ground Distribution G401, G901
Ground Distribution G401, G901
G401, G403
Master Electrical Component List (Hatchback)
Control Module References
Ground Distribution G402
Ground Distribution G301