GM Service Manual Online
For 1990-2009 cars only
Makes
🢒
Holden
🢒
2008
🢒
Barina
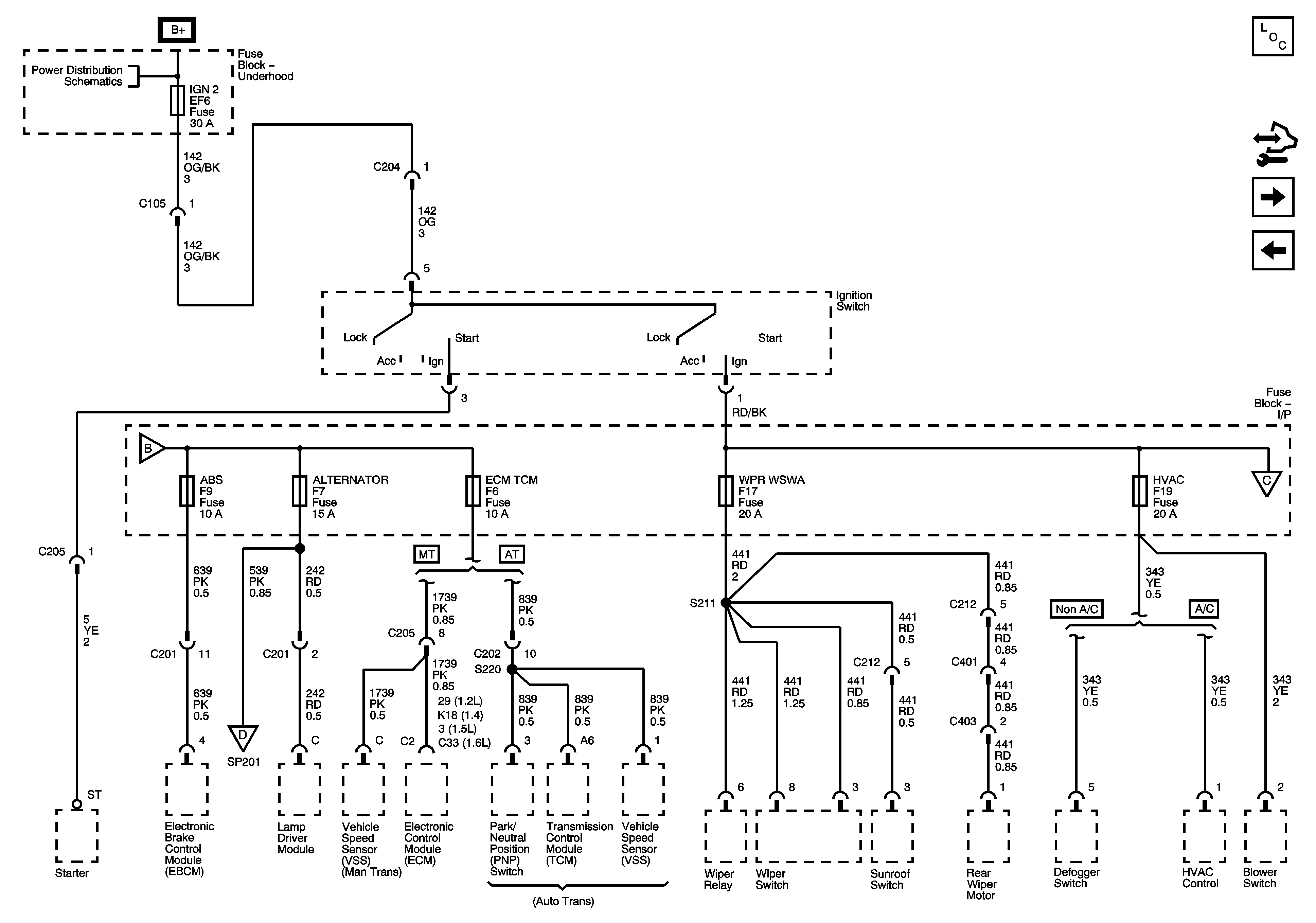
🢒 Fuse Block - Underhood IGN 2 Fuse, Ignition Switch, Fuse Block - I/P, ABS, ALTERNATOR, ECM TCM, HVAC, WPR WSWA Fuses
Fuse Block - Underhood IGN 2 Fuse, Ignition Switch, Fuse Block - I/P, ABS, ALTERNATOR, ECM TCM, HVAC, WPR WSWA Fuses
Fuse Block - Underhood IGN 2 Fuse, Ignition Switch, Fuse Block - I/P ABS, ALTERNATOR, ECM TCM, HVAC, and WPR WSWA Fuses
Master Electrical Component List Hatchback
Control Module References
SP201
Ignition Switch and Fuses EF5, F1, 2, 3, 4, 5, 8, and 11
Battery Feed
Ignition Switch and Fuses EF5, F1, 2, 3, 4, 5, 8, and 11
Power Distribution Fuse F18
SP201