GM Service Manual Online
For 1990-2009 cars only
Makes
🢒
Holden
🢒
2009
🢒
Barina
🢒
Driver Information and Entertainment
🢒
Displays and Gages
🢒 Driver Information System Schematics
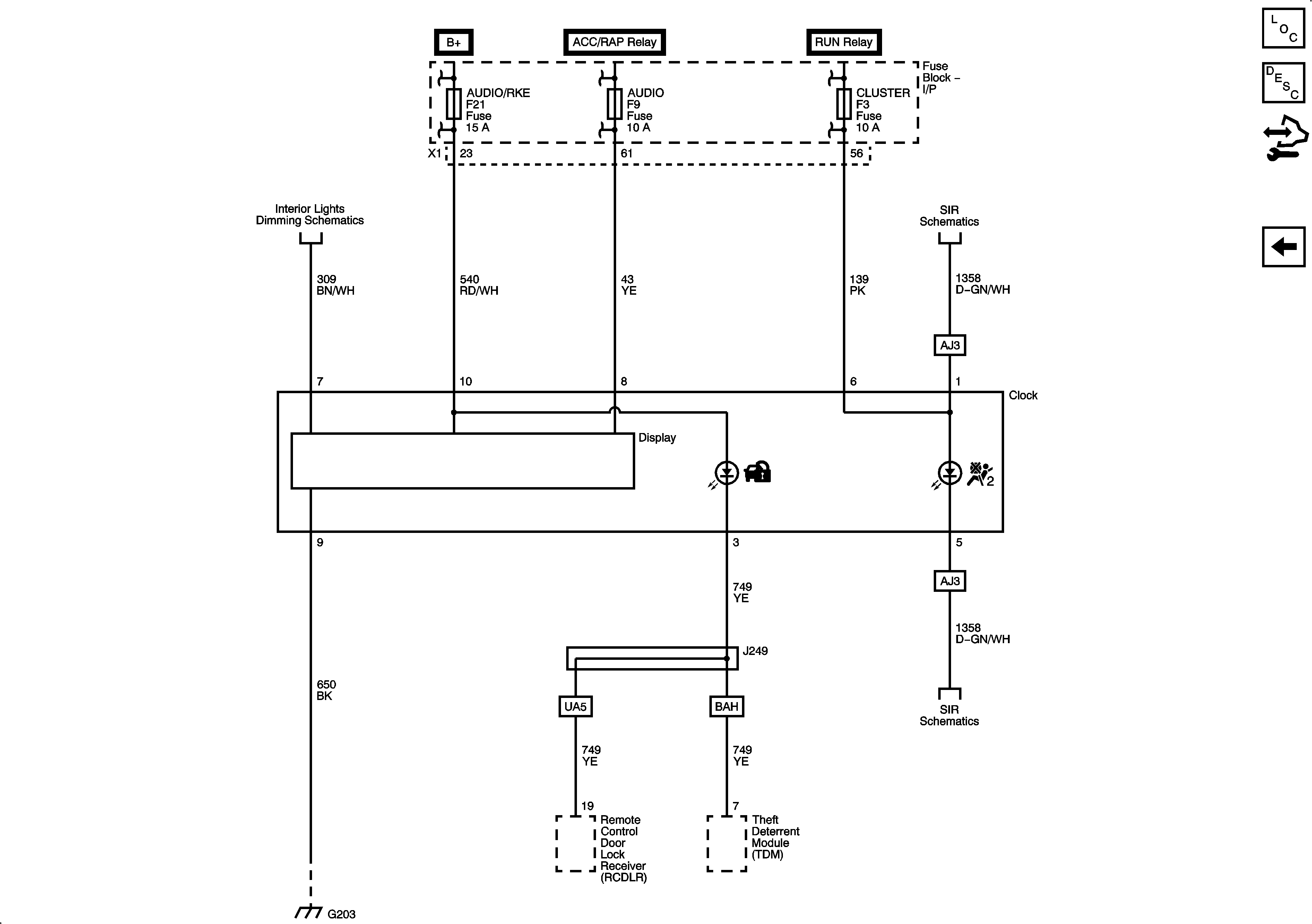
Figure
1:
Driver Information Center (with WHB)
Master Electrical Component List
Control Module References
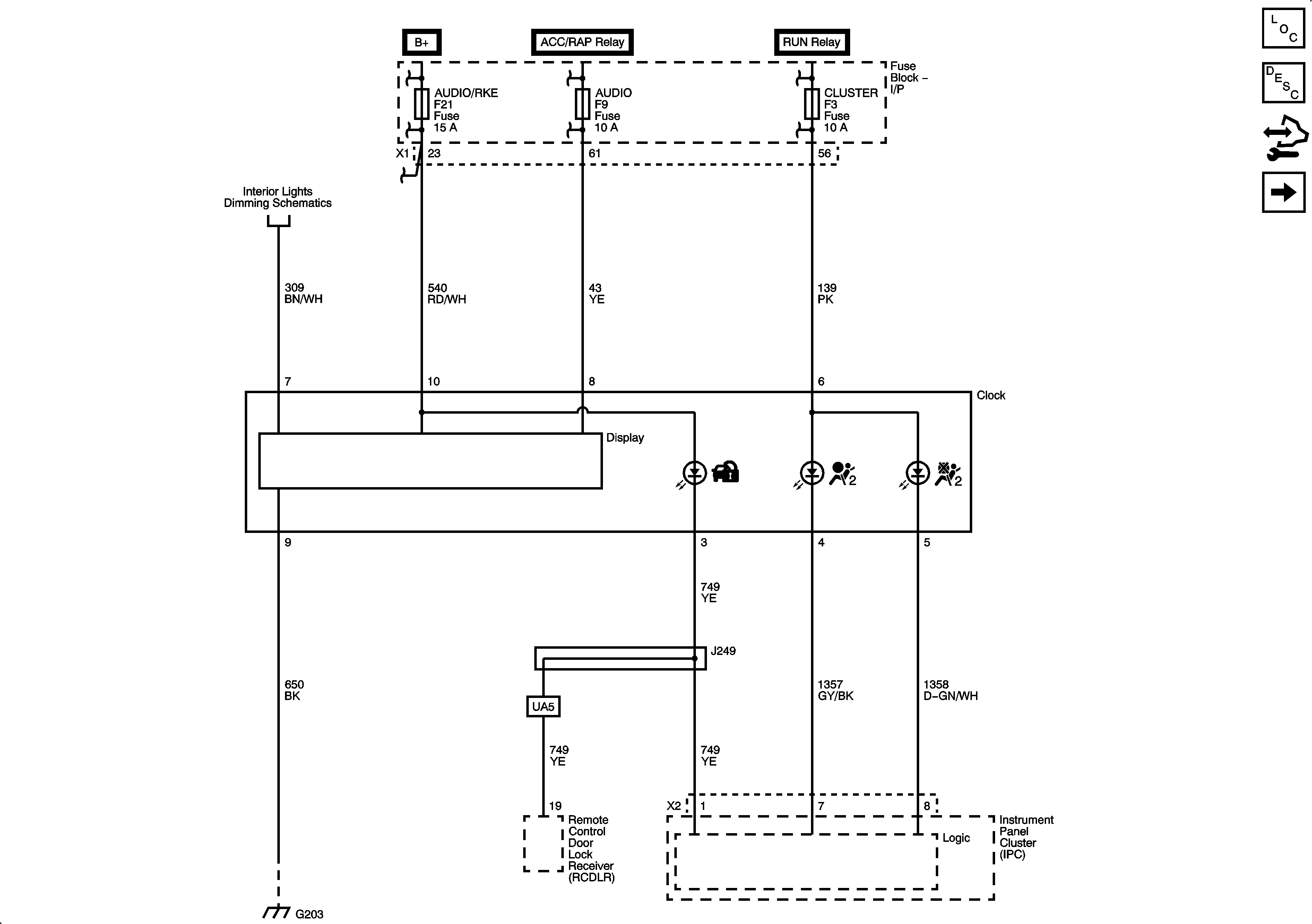
Driver Information Center (without WHB)
Figure
2:
Driver Information Center (without WHB)
Master Electrical Component List
Control Module References
Driver Information Center (with WHB)