GM Service Manual Online
For 1990-2009 cars only
Makes
🢒
Holden
🢒
2009
🢒
Barina
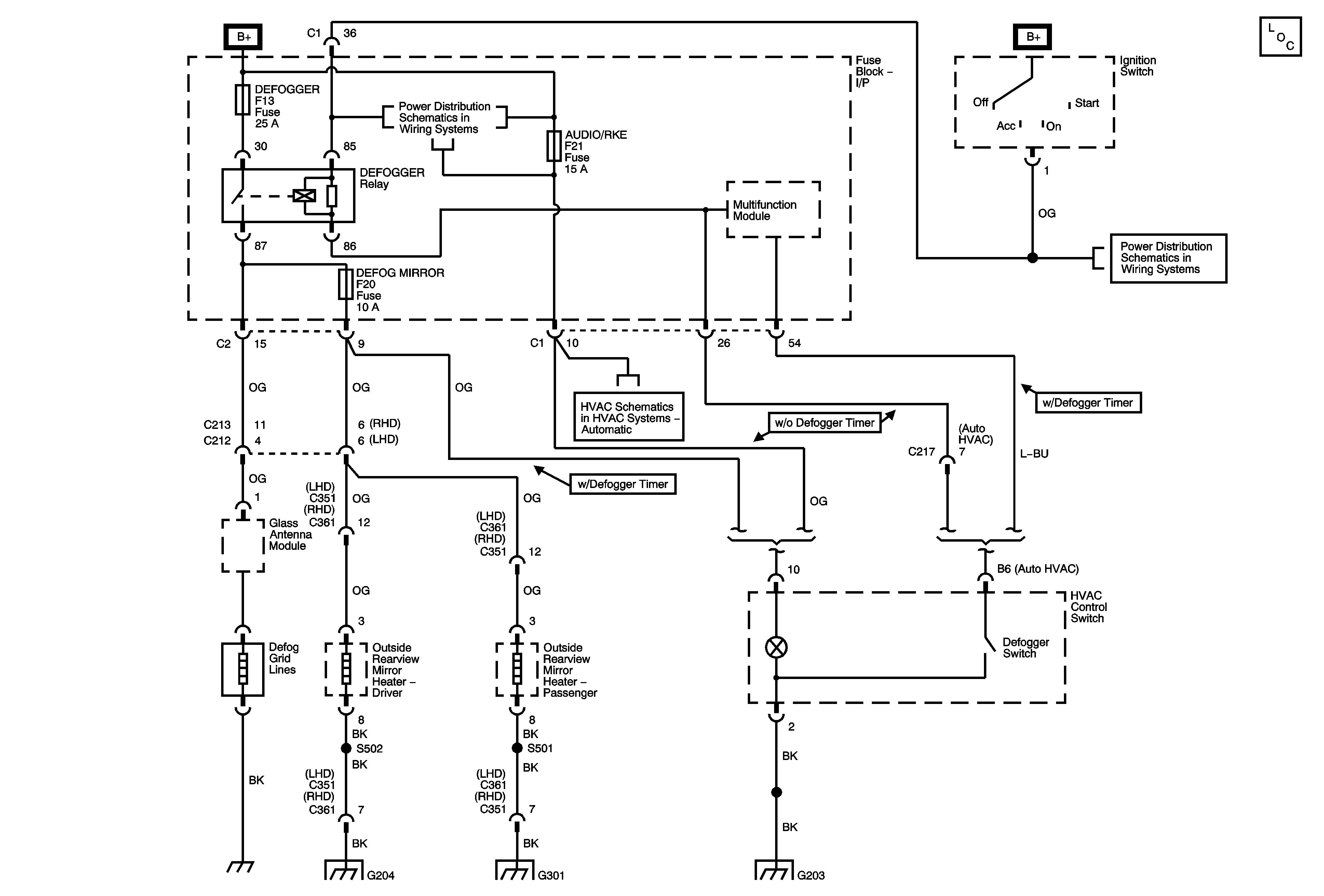
🢒 Defogger Schematics
Defogger Schematics
Master Electrical Component List (Notchback)
AUDIO/RKE, DEFOGGER, DEFOG MIRROR Fuses
ACC/IG 1 Fuse, Ignition Switch, B/UP LAMP, ELEC MIRROR Fuses
HVAC Control, Intake, Air Mix, Mode Motors
G204, G301
G204, G301
G203