GM Service Manual Online
For 1990-2009 cars only
Makes
🢒
Holden
🢒
2009
🢒
Barina
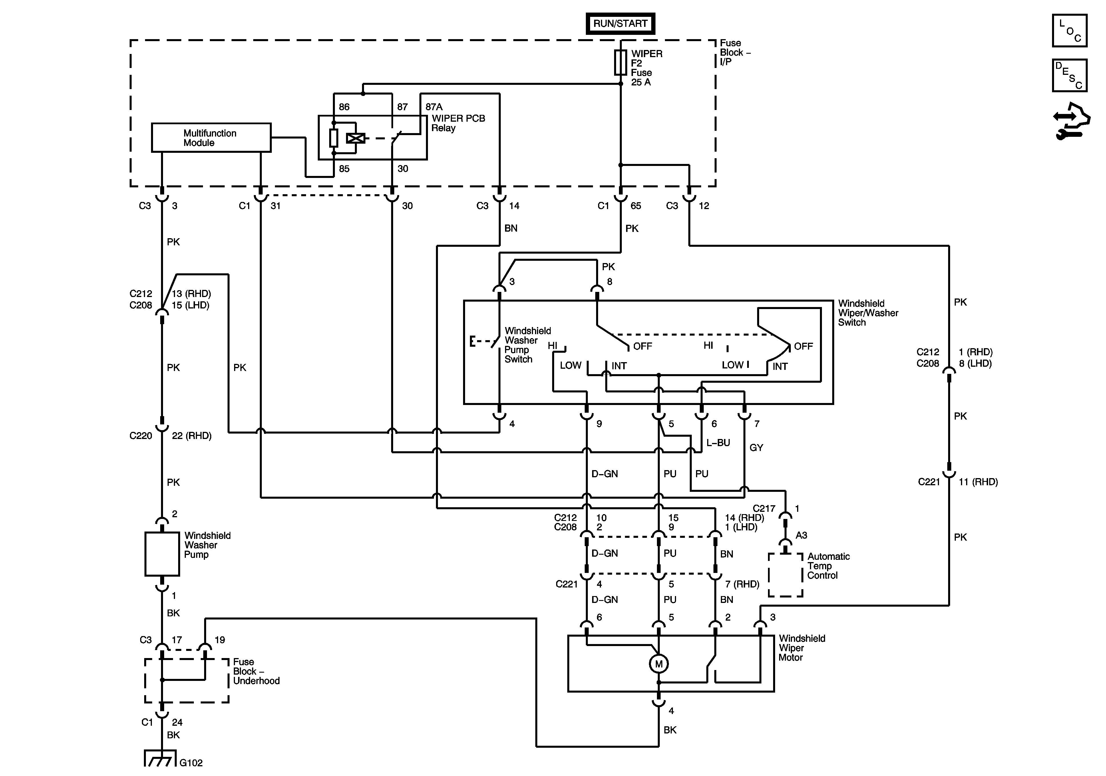
🢒 Wiper System Schematics
Wiper System Schematics
Master Electrical Component List (Notchback)
Rear Wiper/Washer System Description and Operation
Control Module References
G102