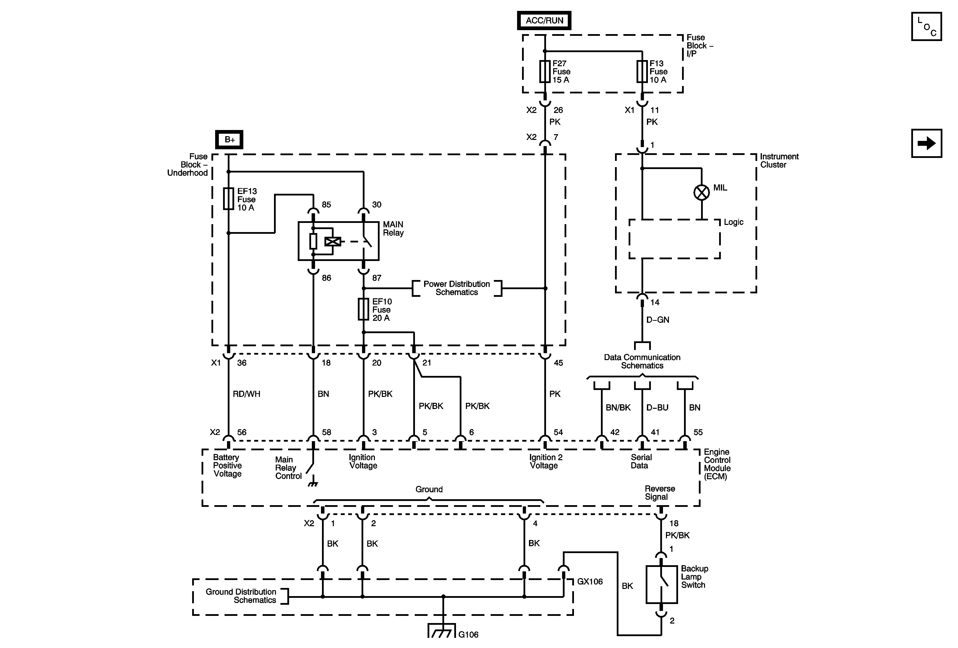
| Figure 1: |
Power, Ground and Malfunction Indicator Lamp (MIL)
|
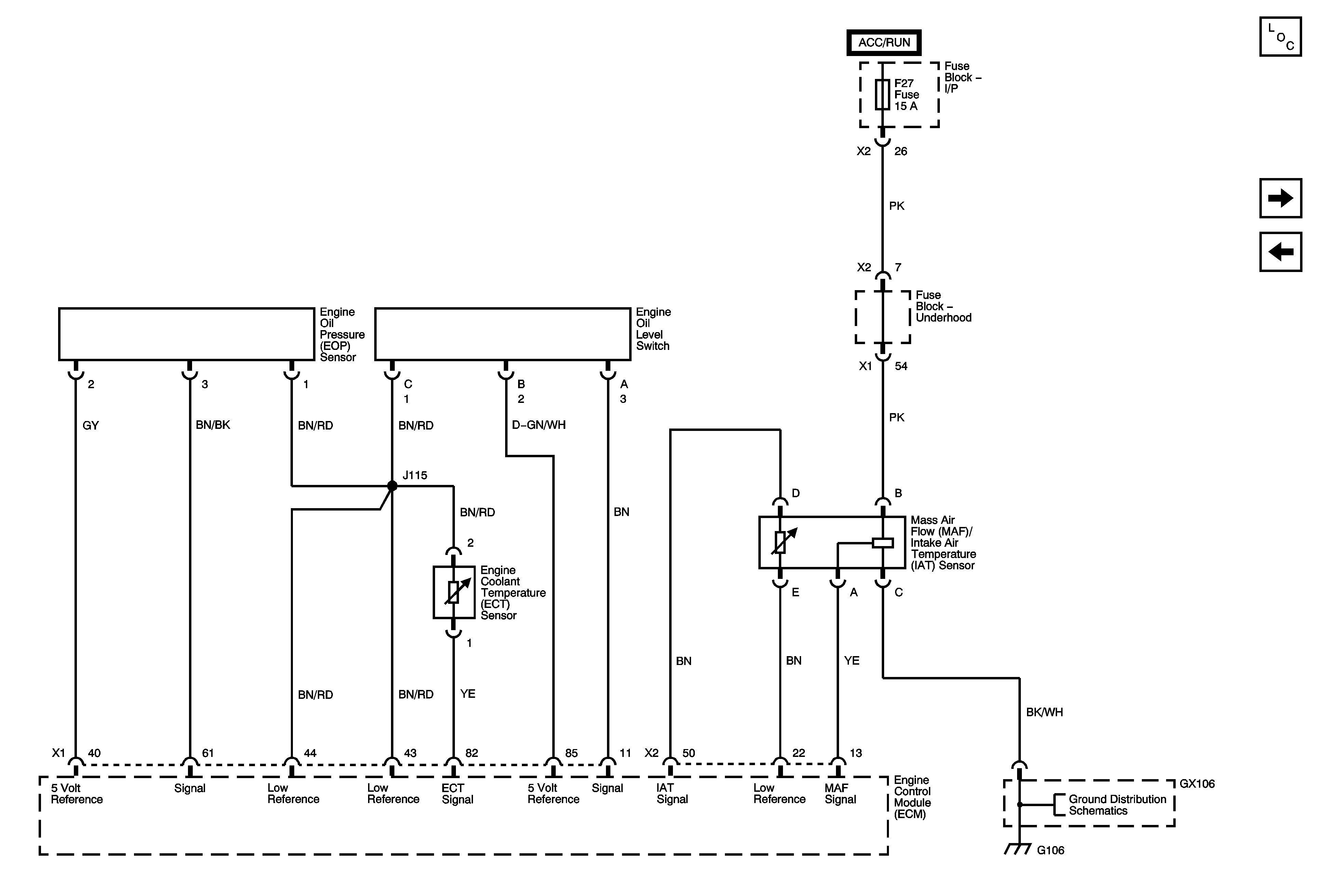
| Figure 2: |
Engine Coolant Temperature (ECT) and Mass Air Flow (MAF) Sensors
|
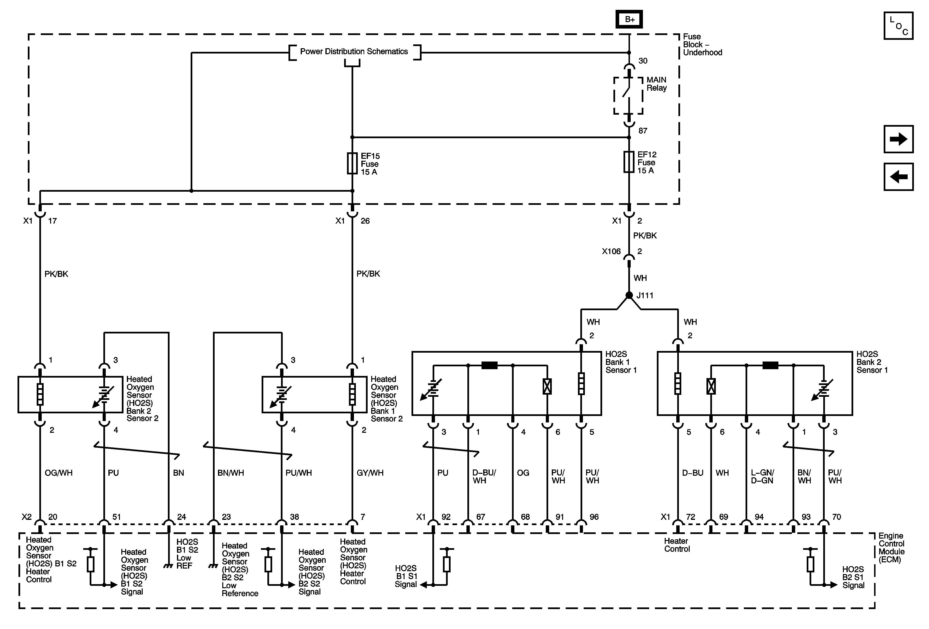
| Figure 3: |
Oxygen Sensors
|
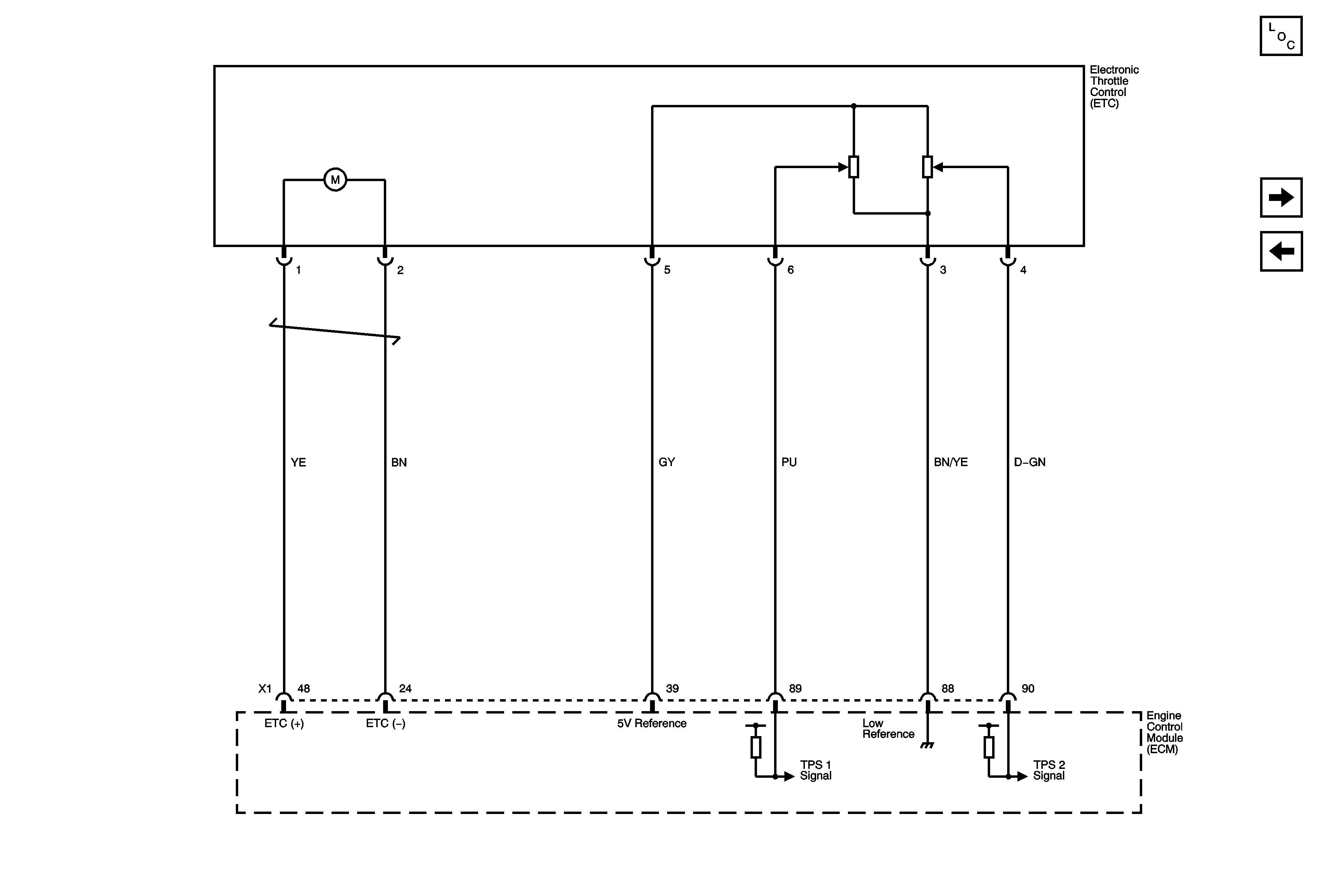
| Figure 4: |
Electronic Throttle Control
|
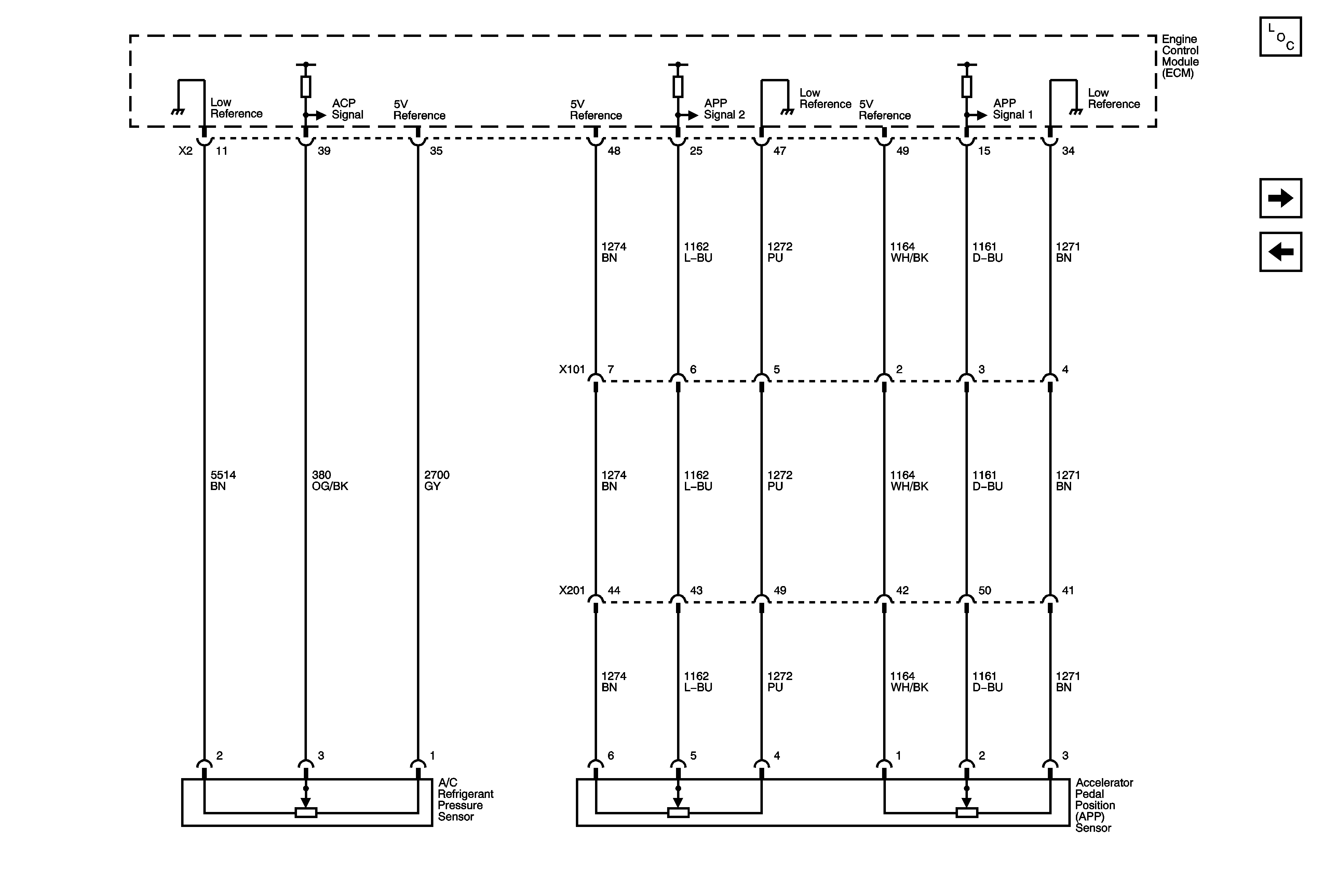
| Figure 5: |
ACP and Accelerator Pedal Position (APP) Sensors
|
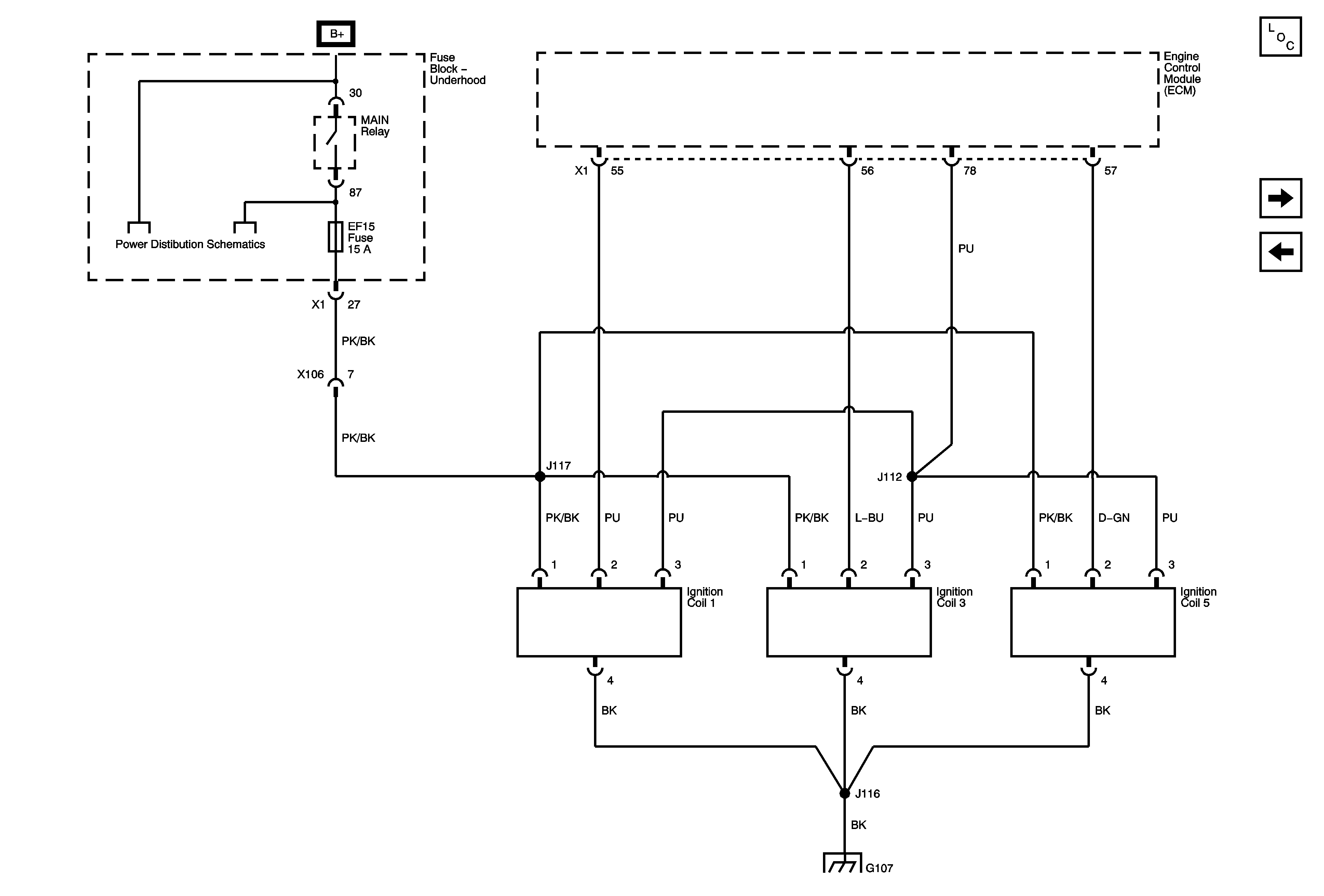
| Figure 6: |
Ignition Coils 1, 3, and 5
|
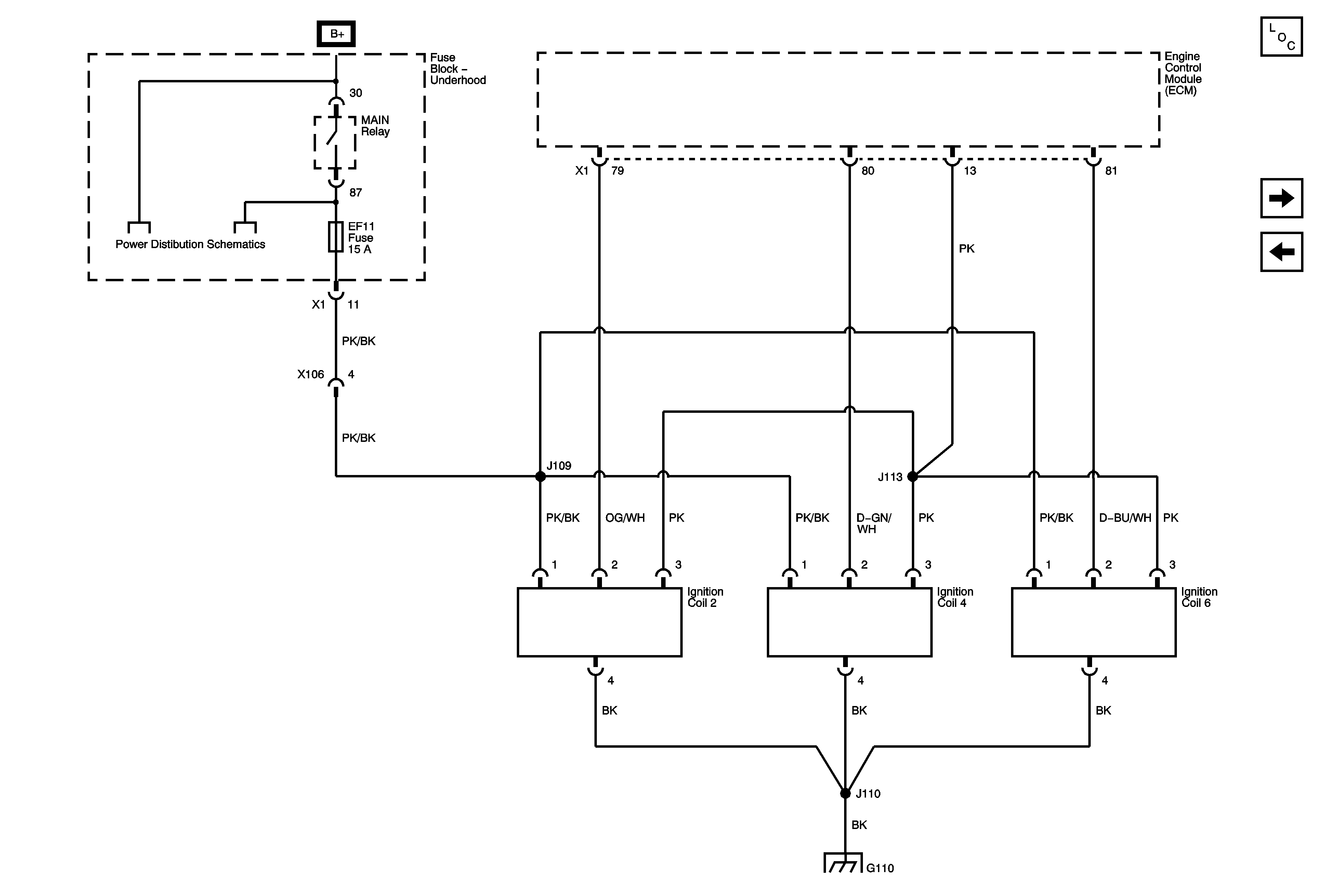
| Figure 7: |
Ignition Coils 2, 4, and 6
|
| Figure 8: |
Camshaft Position (CMP) Solenoids and VIM
|
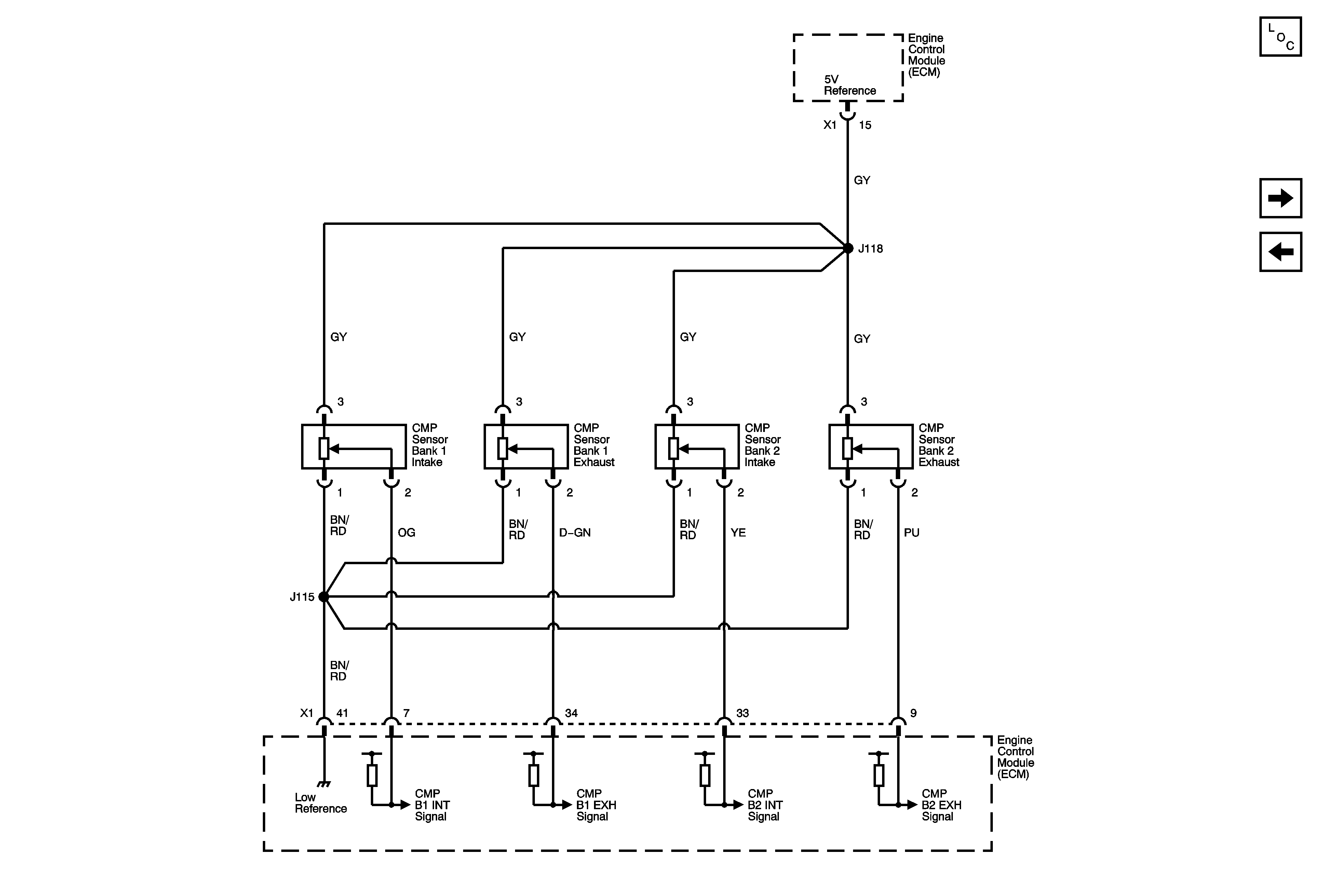
| Figure 9: |
Camshaft Position (CMP) Sensors
|
| Figure 10: |
Crankshaft Position (CKP) Sensors and Knock Sensors
|
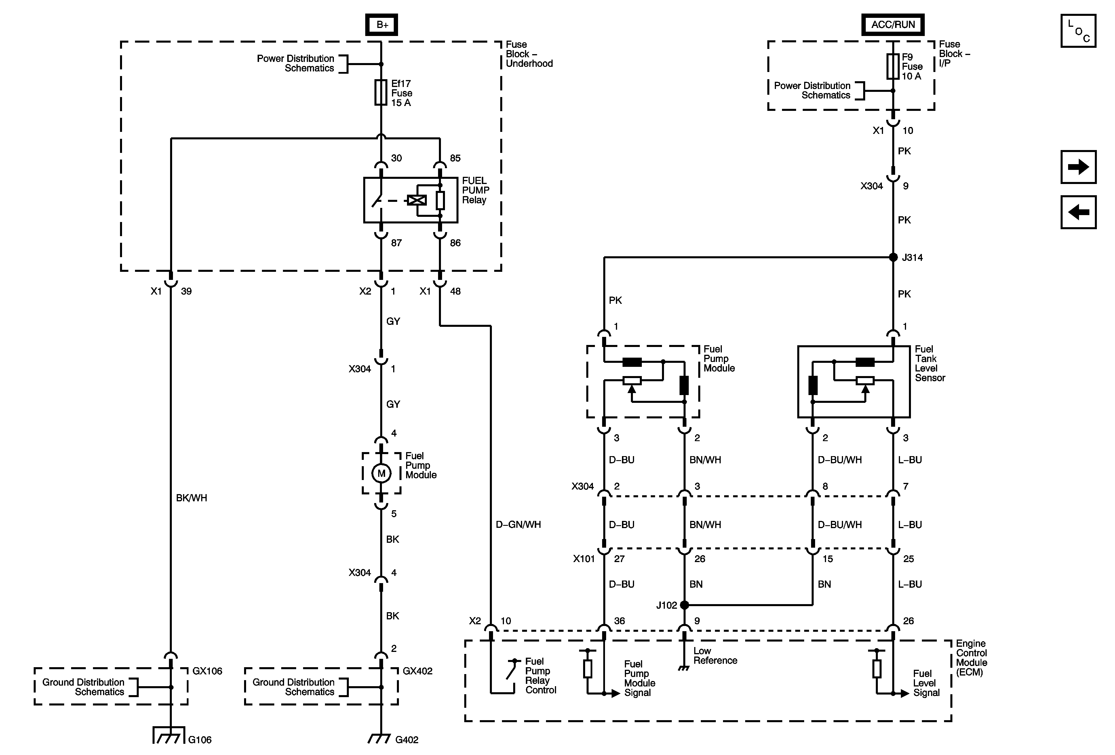
| Figure 11: |
Fuel Controls
|
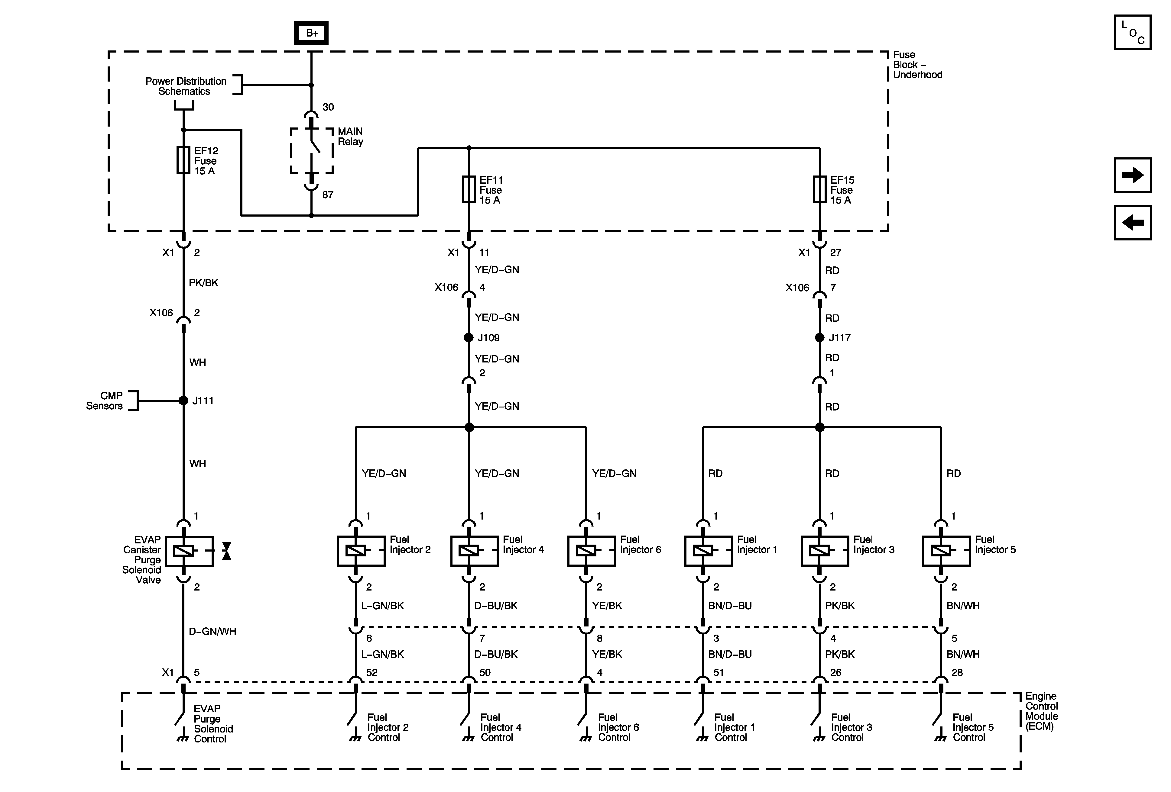
| Figure 12: |
Evaporative Emission (EVAP) Solenoid and Fuel Injectors
|
| Figure 13: |
Subsystem References
|