GM Service Manual Online
For 1990-2009 cars only
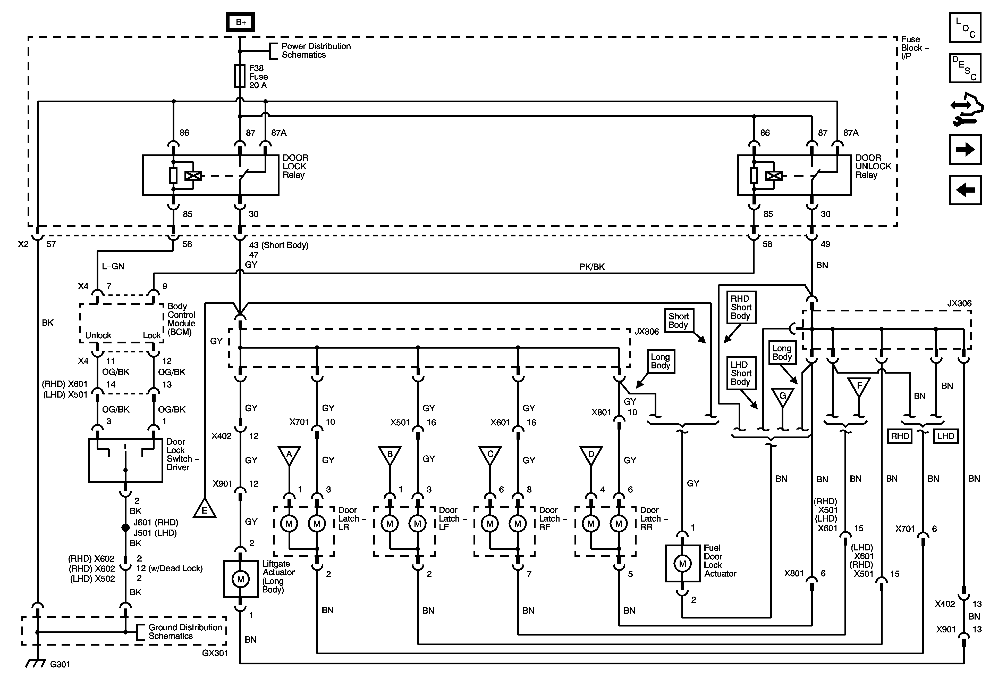
Figure 1:

Door Latches


Object Number: 1825726  Size: FS
Master Electrical Component List
Power Door Locks Description and Operation
Control Module References
Door Actuators
Ground Distribution G401
Ground Distribution G402
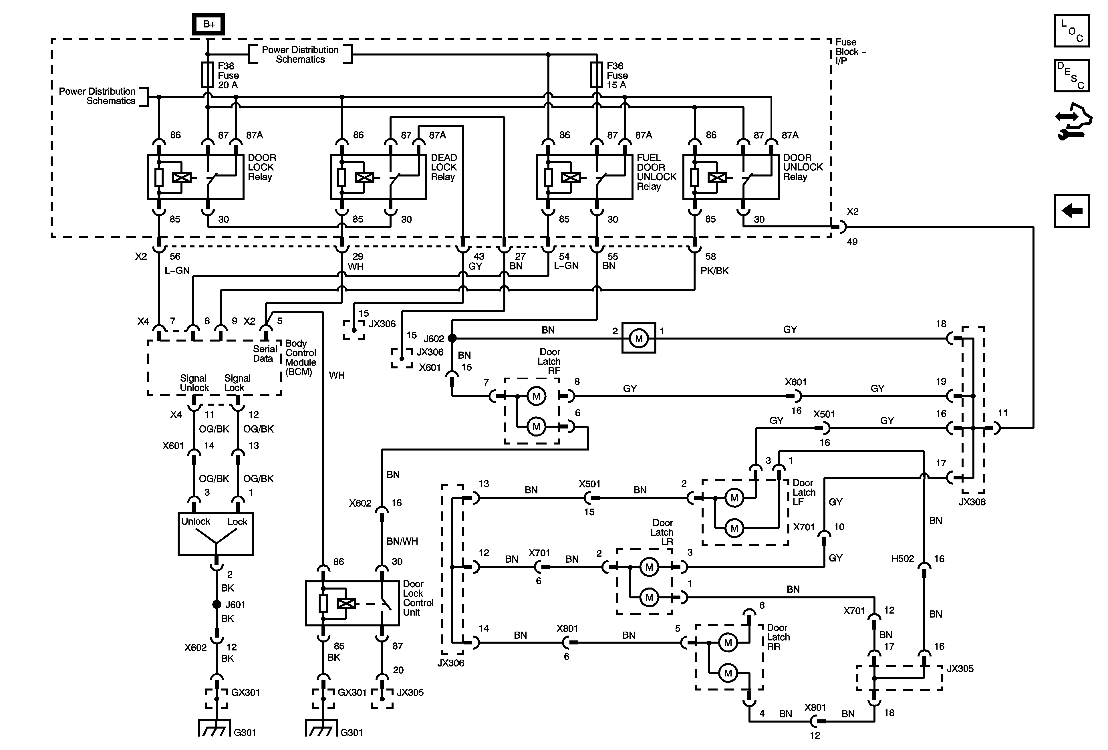
Figure 2:

Door Actuators


Object Number: 1825727  Size: FS
Master Electrical Component List
Power Door Locks Description and Operation
Control Module References
Central/Dead Locking
Door Latches
F38 Fuse, Door Lock and Unlock Relays
Ground Distribution G301
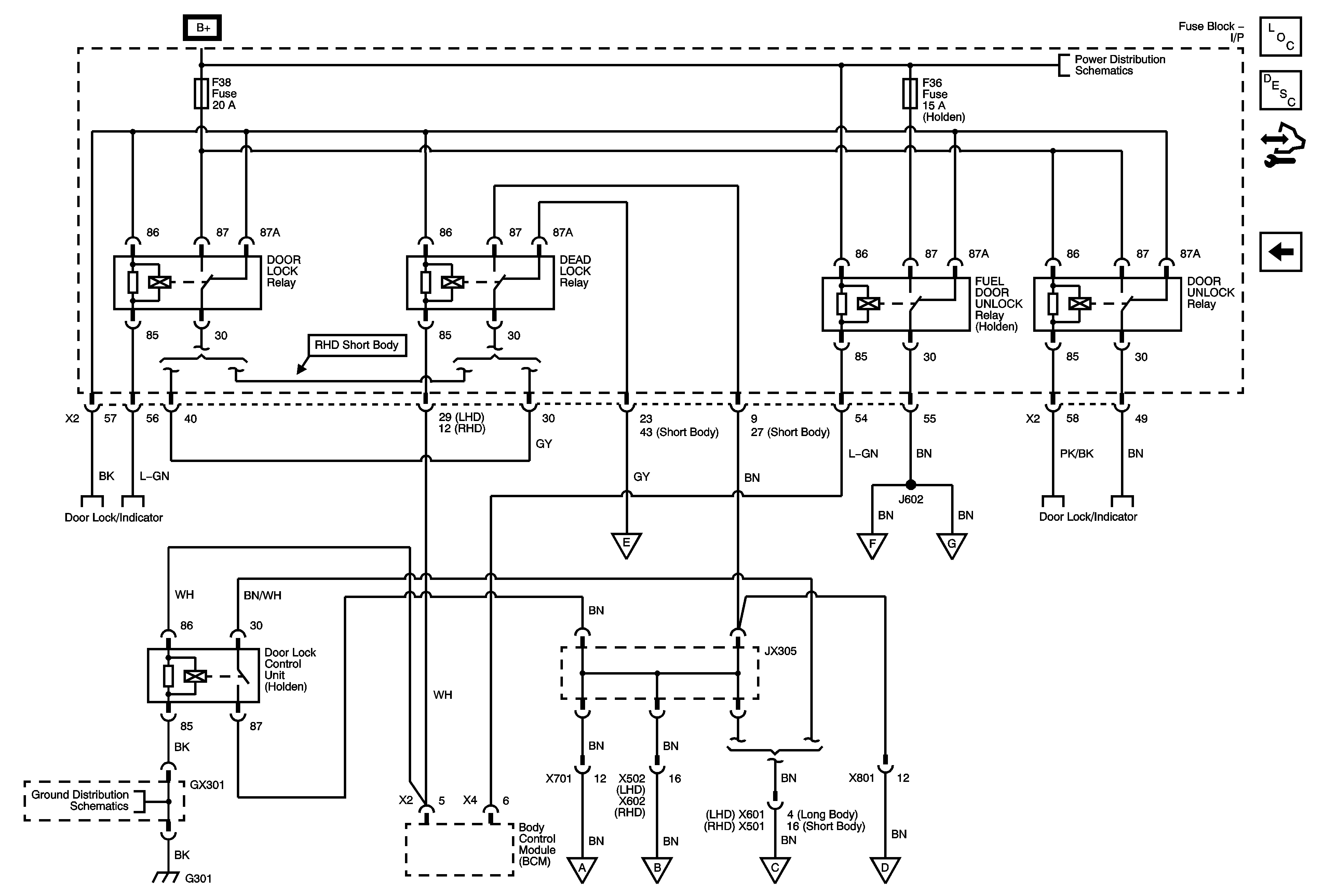
Figure 3:

Central/Dead Locking


Object Number: 1825728  Size: FS
Master Electrical Component List
Power Door Locks Description and Operation
Control Module References
Door Actuators
F38 Fuse, Door Lock and Unlock Relays
Ground Distribution G301
Figure 4:

Dead Locking - Holden


Object Number: 1813678  Size: FS