GM Service Manual Online
For 1990-2009 cars only
Makes
🢒
Holden
🢒
2007
🢒
Captiva
🢒
Diagnostic Navigation
🢒
Vehicle Diagnostic Information
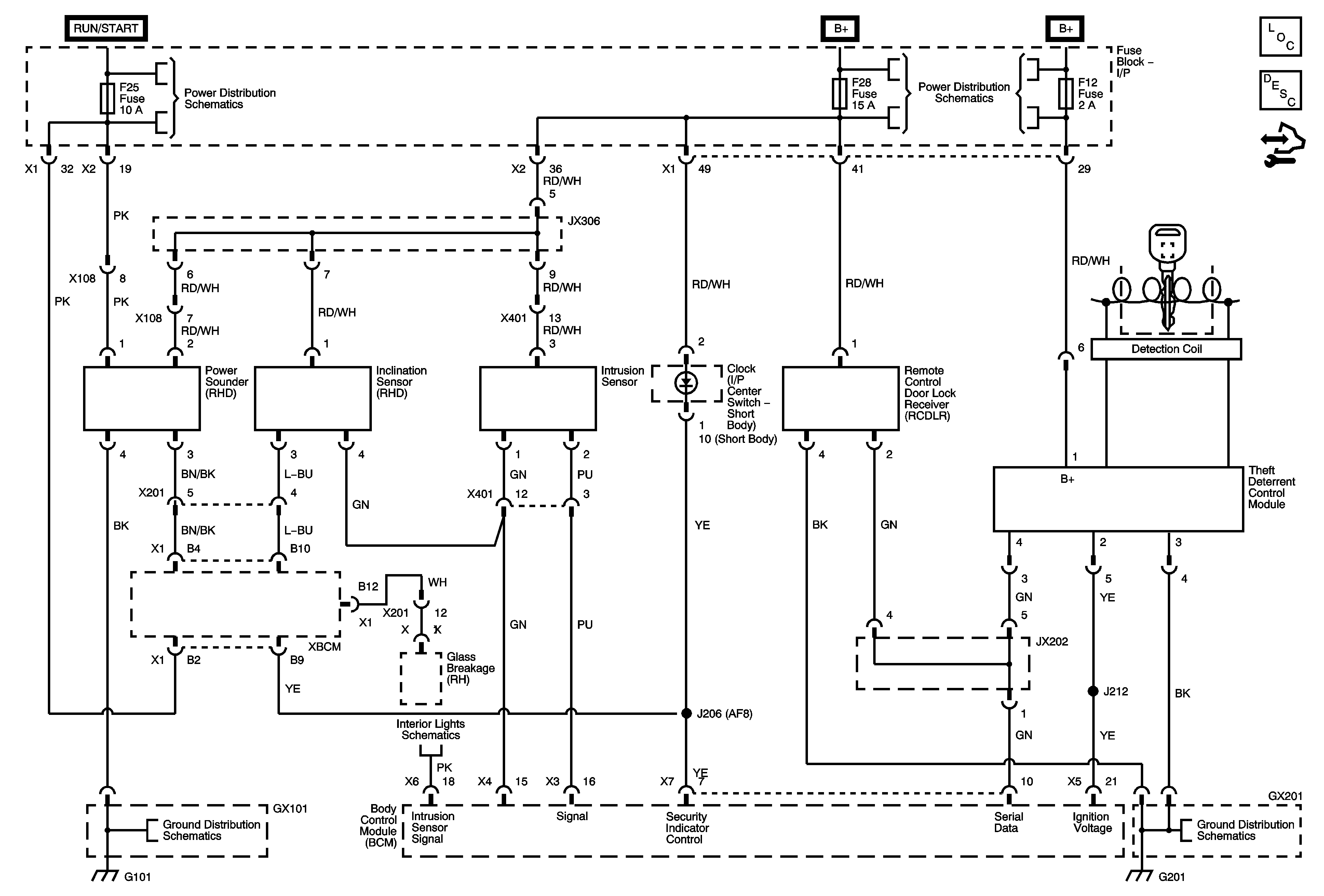
🢒 Immobilizer Schematics
Master Electrical Component List
Theft Systems Description and Operation
Control Module References
EF7, F6, 8, 9, 13, 17, 20, 25, 27, 29 Fuses, Run/Crank, Outside Rearview Mirror, Liftgate Glass Relays
F3, 5, 28, 32, 34 Fuses, Front Washer Pump Relay
EF2, F11, 12, 14, 16, 19, 24, 26, 31, 35 Fuses
Ground Distribution G101, G103, G105
Ground Distribution G201