GM Service Manual Online
For 1990-2009 cars only
Makes
🢒
Holden
🢒
2007
🢒
Captiva
🢒
Diagnostic Navigation
🢒
Vehicle Diagnostic Information
🢒 Headlight Leveling Schematics
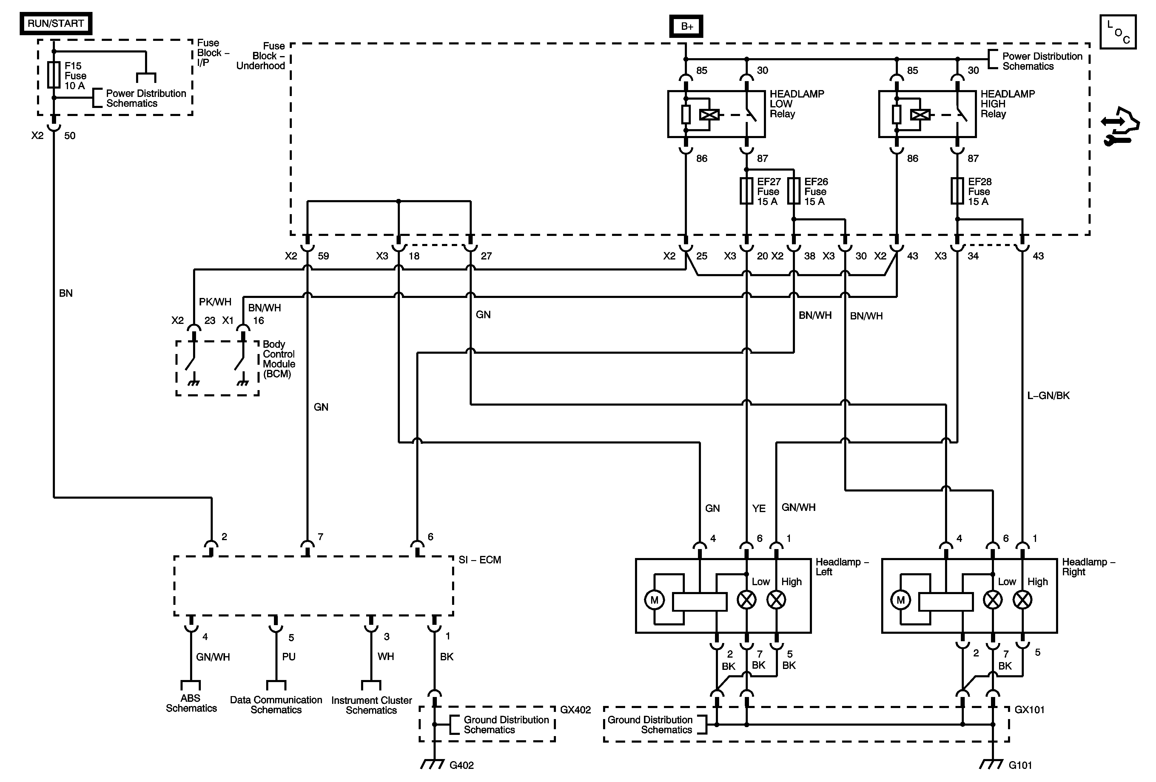
Headlight Leveling Schematics Manual
Master Electrical Component List
Control Module References
EF26, 27, 28, 29 Fuses, Head Lamps, Fog Lamp Relays
Ground Distribution G201
Ground Distribution G101, G103, G105
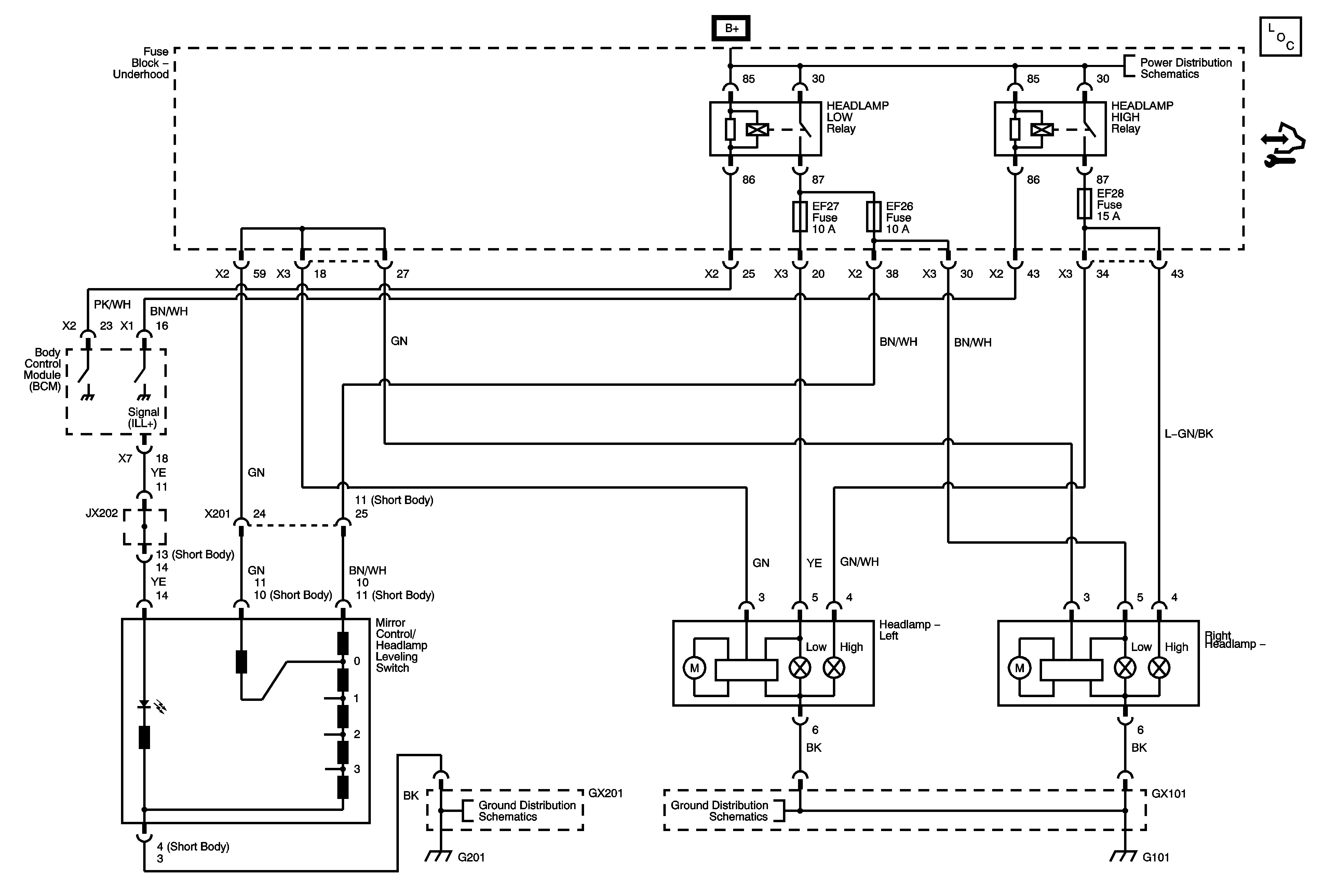
Headlight Leveling Schematics Auto
Master Electrical Component List
Control Module References
EF3, F1, 2, 10, 15, 18, 30, 33, 39 Fuses, Run, ACC/RAP Relays
EF26, 27, 28, 29 Fuses, Head Lamps, Fog Lamp Relays
Power, Ground, ESP and Oil Feed Connector
Data Link Connector (DLC)
Power, Ground, Gages
Ground Distribution G402
Ground Distribution G201