GM Service Manual Online
For 1990-2009 cars only

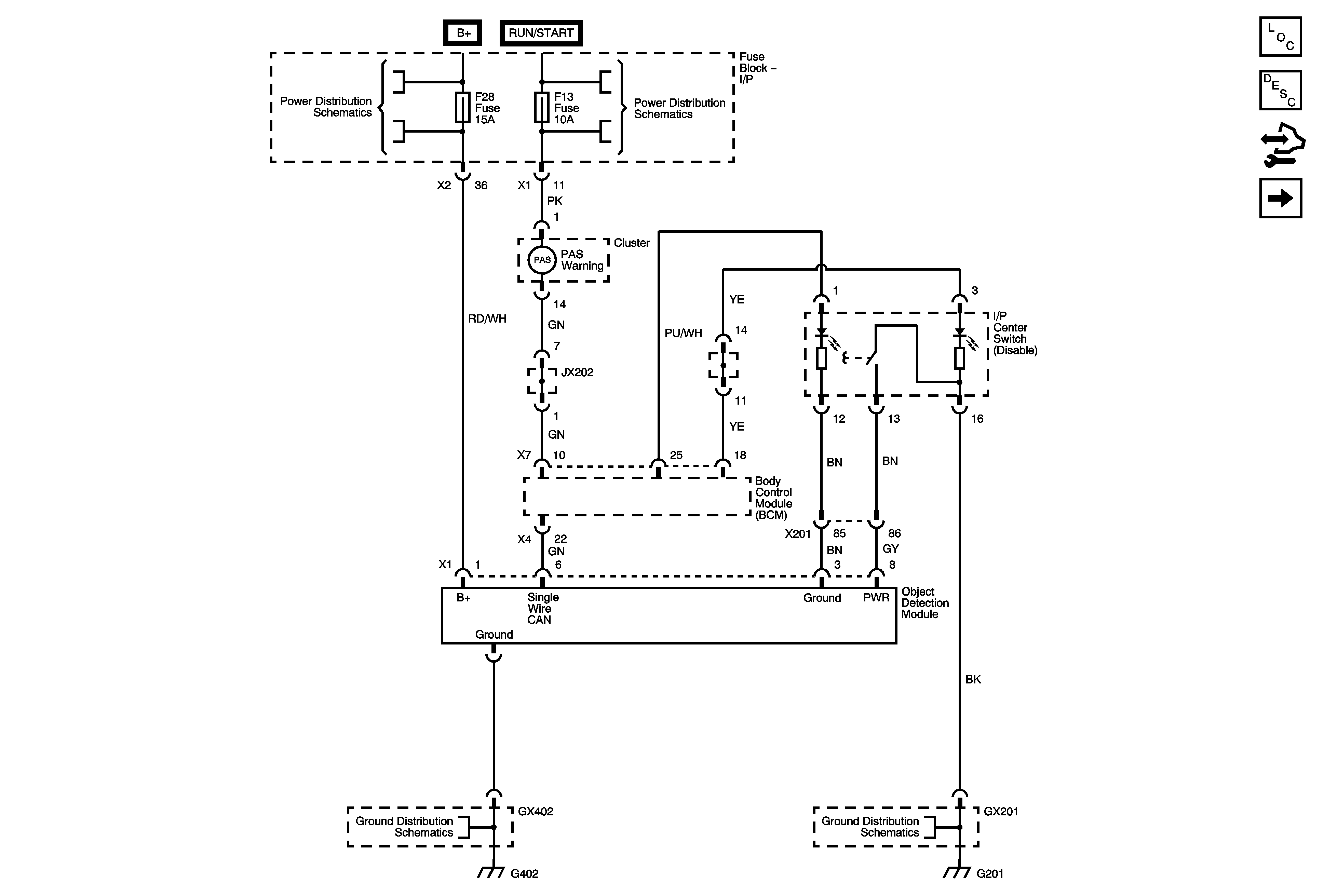
Object Detection Schematics C100/Long Body


Object Number: 1822399  Size: FS
Master Electrical Component List
Object Detection Description and Operation
Control Module References
EF3, F1, 2, 10, 15, 18, 30, 33, 39 Fuses, Run, ACC/RAP Relays
EF7, F6, 8, 9, 13, 17, 20, 25, 27, 29 Fuses, Run/Crank, Outside Rearview Mirror, Liftgate Glass Relays
Ground Distribution G402
Ground Distribution G301

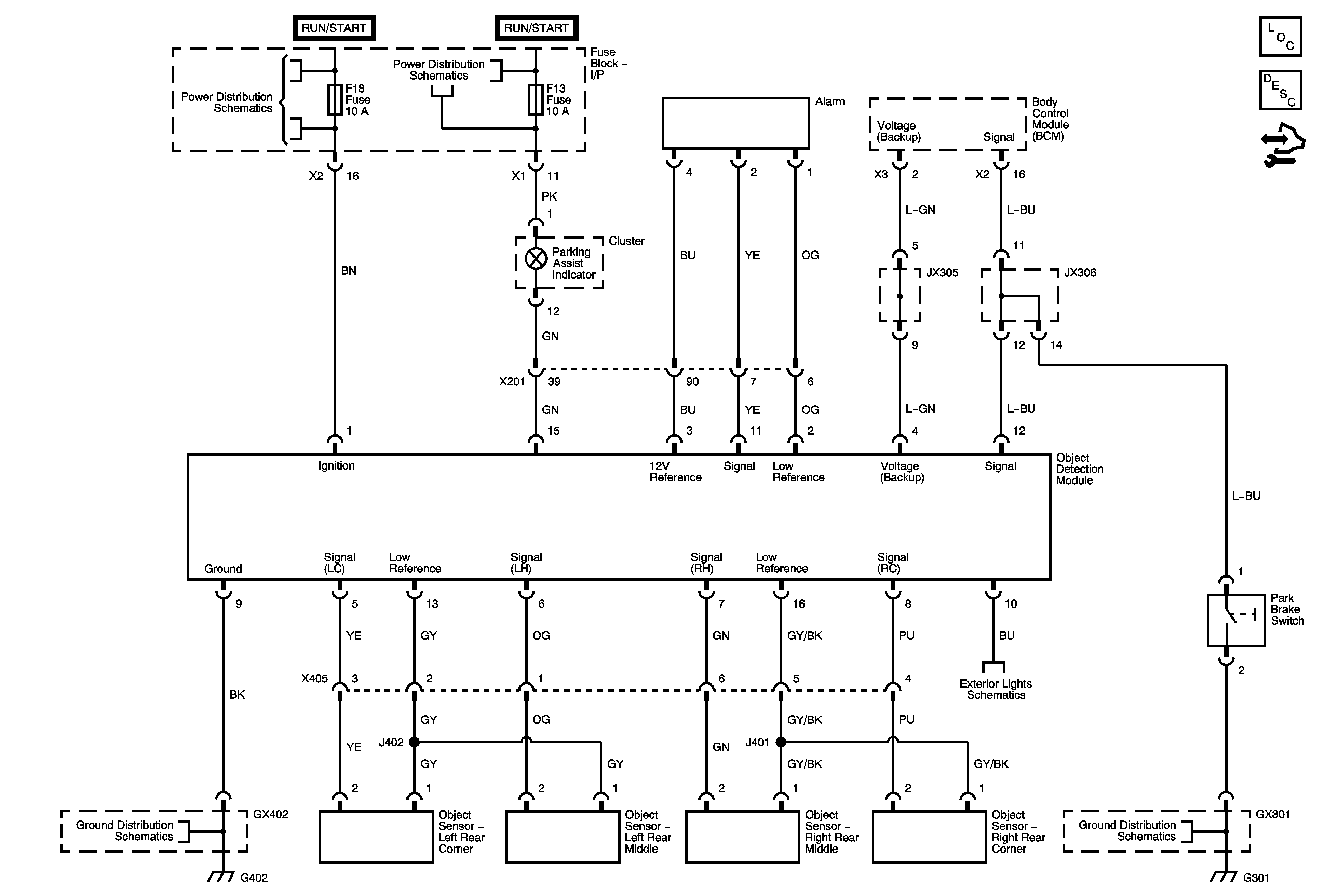
Object Detection Schematics C105/Short Body

Figure 1:

Object Detection Schematics - Short Body (1 of 2)


Object Number: 1856964  Size: FS
Master Electrical Component List
Object Detection Description and Operation
Control Module References
Object Detection Schematics - Short Body (2 of 2)
F3, 5, 28, 32, 34 Fuses, Front Washer Pump Relay
EF7, F6, 8, 9, 13, 17, 20, 25, 27, 29 Fuses, Run/Crank, Outside Rearview Mirror, Liftgate Glass Relays
Ground Distribution G402
Ground Distribution G201
Figure 2:

Object Detection Schematics - Short Body (2 of 2)


Object Number: 1856965  Size: FS
Master Electrical Component List
Object Detection Description and Operation
Control Module References
Object Detection Schematics - Short Body (1 of 2)