GM Service Manual Online
For 1990-2009 cars only
Makes
🢒
Holden
🢒
2007
🢒
Captiva
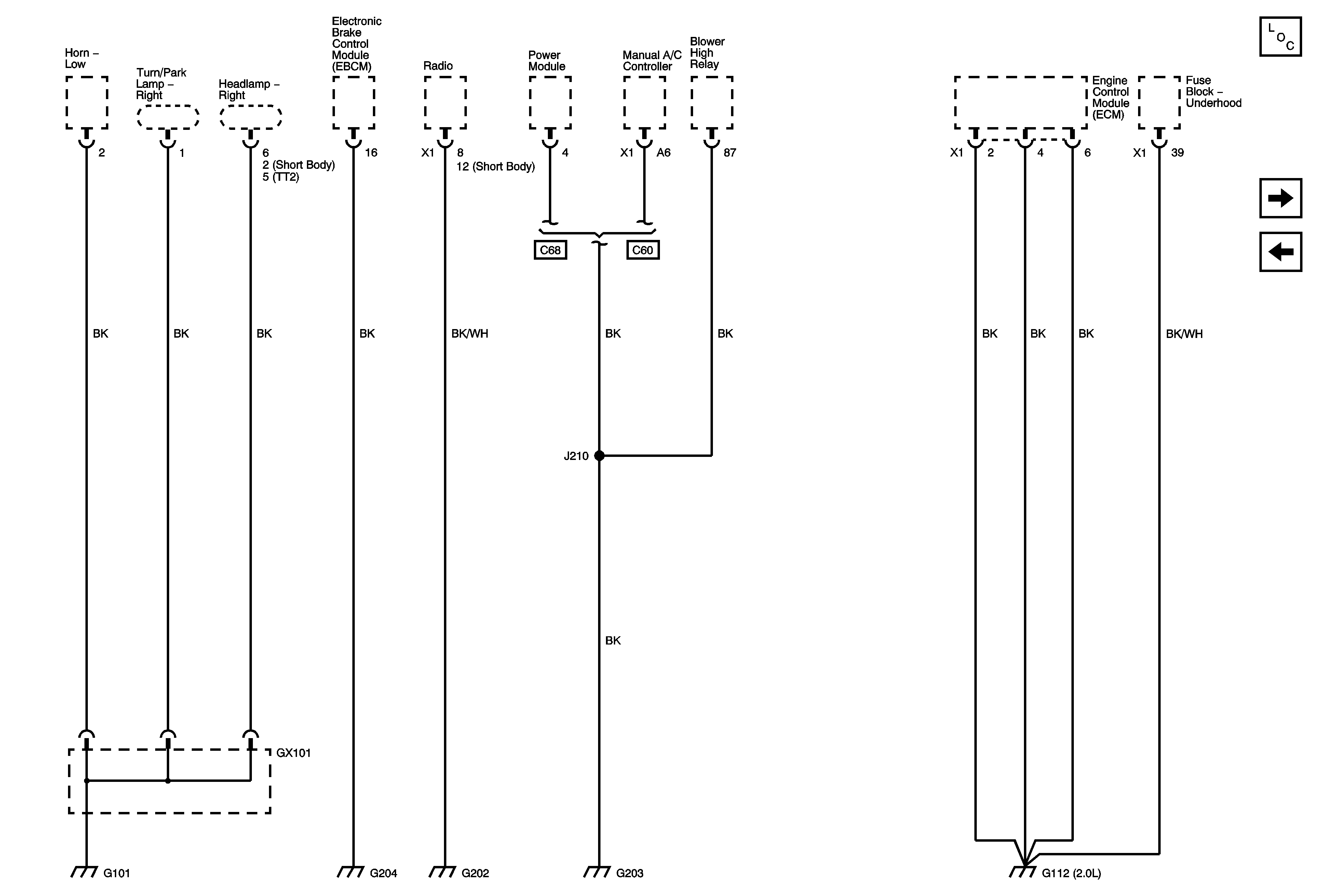
🢒 Ground Distribution G102, G202, G203, G204
Ground Distribution G102, G202, G203, G204
(G102, G202, G203, G204)
Master Electrical Component List
Ground Distribution G106, G107, G109, G110 (3.2L)
Ground Distribution G101, G103, G105