GM Service Manual Online
For 1990-2009 cars only
Makes
🢒
Holden
🢒
2007
🢒
Captiva
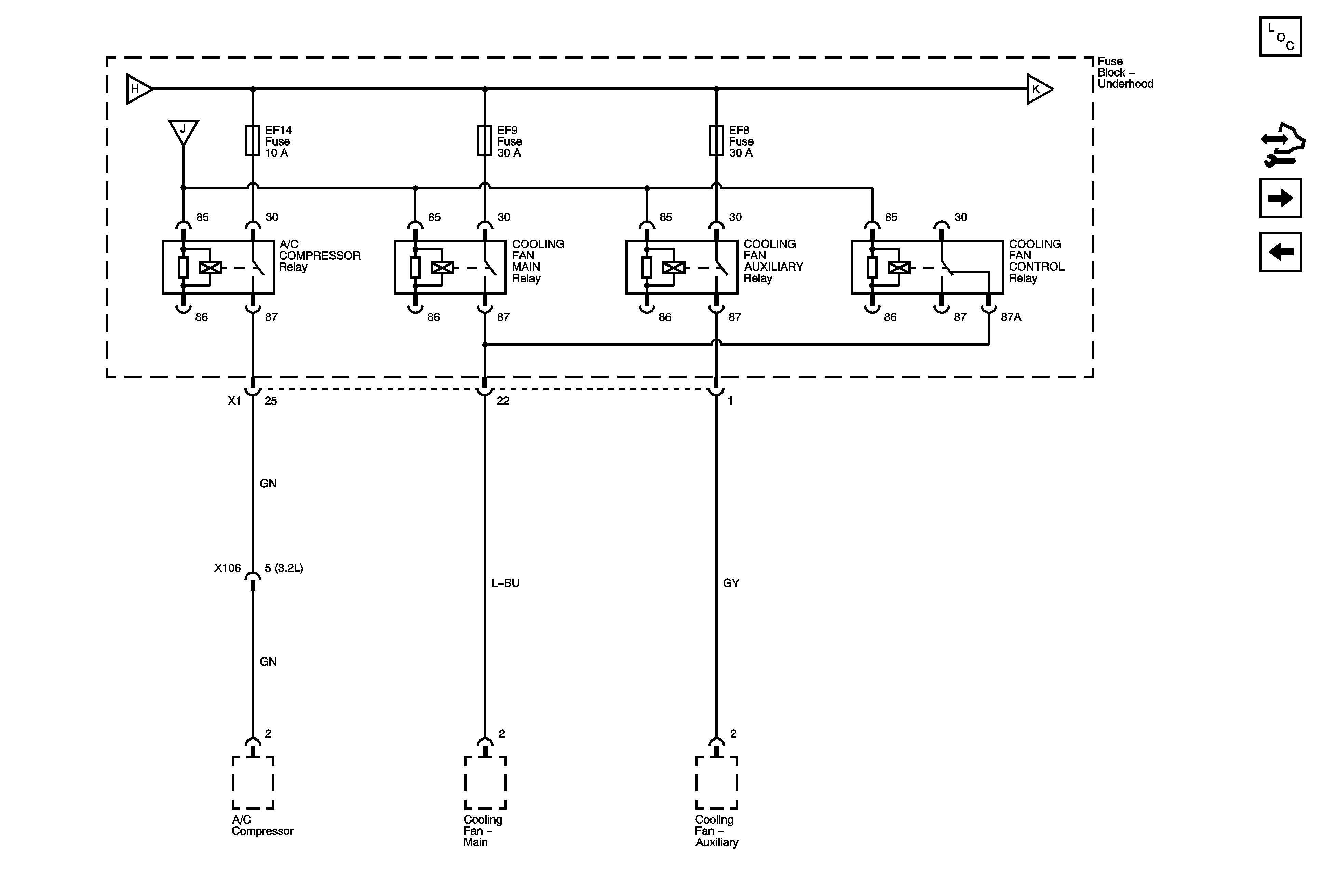
🢒 EF8, 9, 14 Fuses, A/C Compressor, Cooling Fan Relays
EF8, 9, 14 Fuses, A/C Compressor, Cooling Fan Relays
EF8, 9, 14 Fuses, A/C Compressor, Cooling Fan Relays
Master Electrical Component List
Control Module References
EF2, F11, 12, 14, 16, 19, 24, 26, 31, 35 Fuses
EF10, 11, 12, 13, 15 Fuses, Main Relay (3.2L 2 of 2)