GM Service Manual Online
For 1990-2009 cars only
Makes
🢒
Holden
🢒
2007
🢒
Captiva
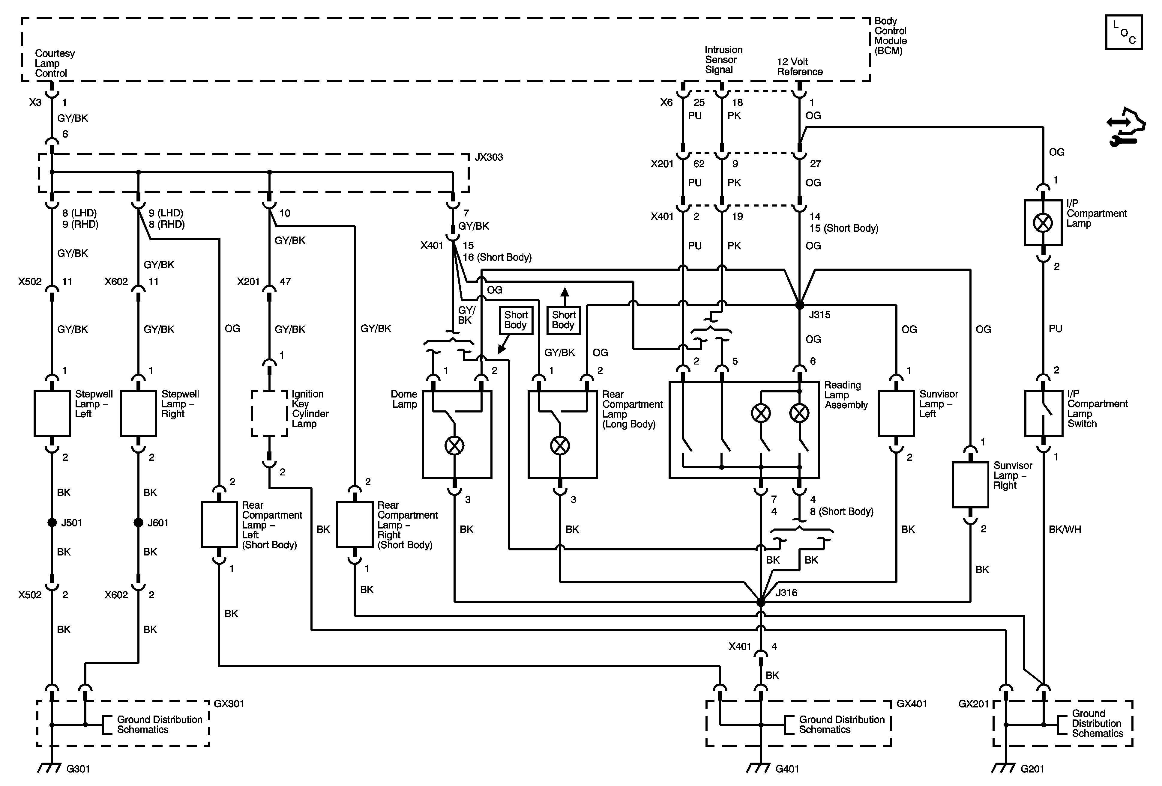
🢒 Interior Lamps Schematics
Interior Lamps Schematics
Master Electrical Component List
Control Module References
Ground Distribution G301
Ground Distribution G401
Ground Distribution G201