GM Service Manual Online
For 1990-2009 cars only
Makes
🢒
Holden
🢒
2008
🢒
Captiva
🢒
Suspension
🢒
Tire Pressure Monitoring
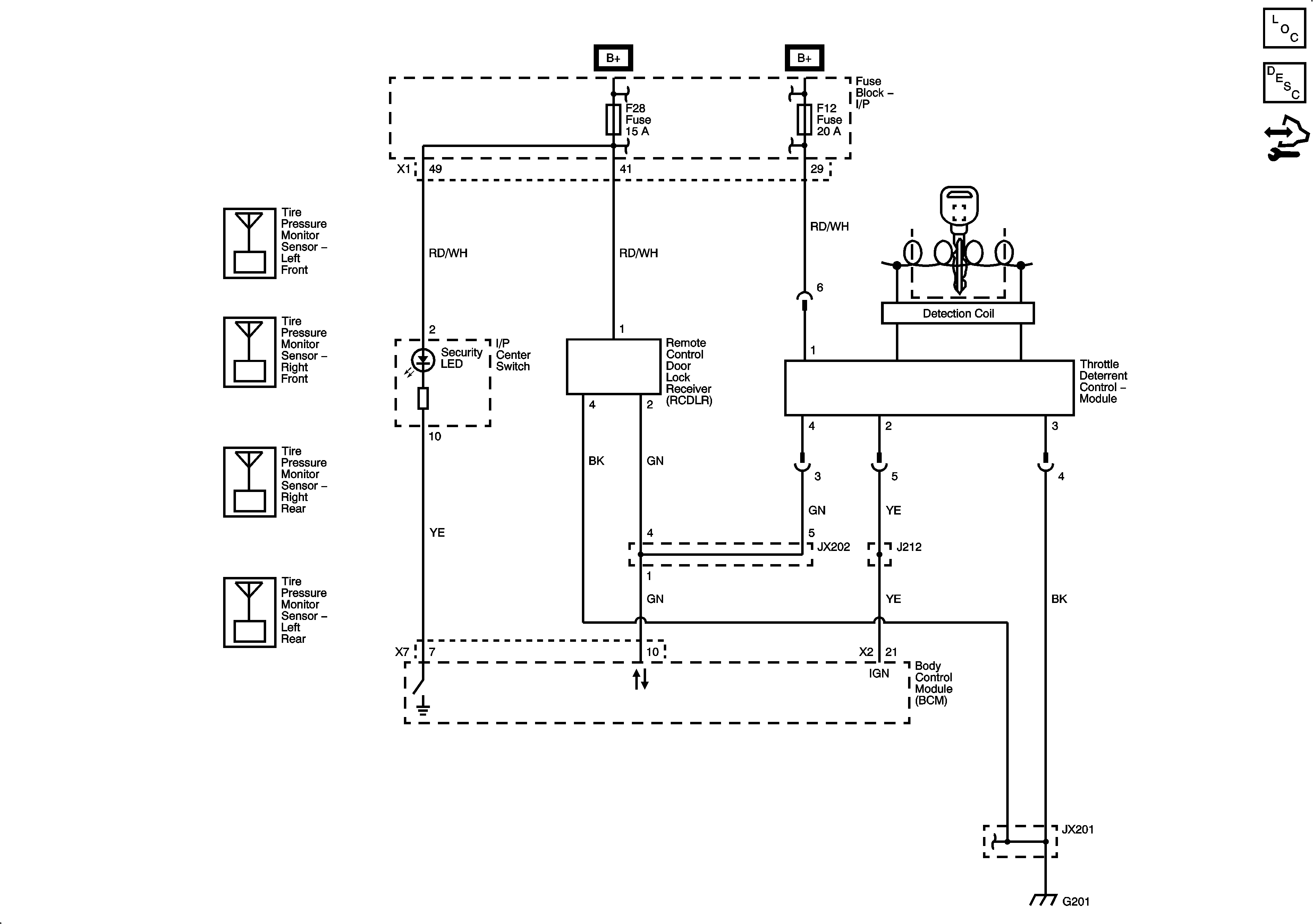
🢒 Tire Pressure Monitoring System Schematics
Tire Pressure Monitoring
Master Electrical Component List
Tire Pressure Monitor Description and Operation
Control Module References
F3, 5, 28, 32, 34 Fuses
EF2, F11, 12, 14, 16, 19, 24, 26, 31 35 Fuses
G201 (2 of 2)