GM Service Manual Online
For 1990-2009 cars only
Makes
🢒
Holden
🢒
2008
🢒
Captiva
🢒
Brakes
🢒
Park Brake
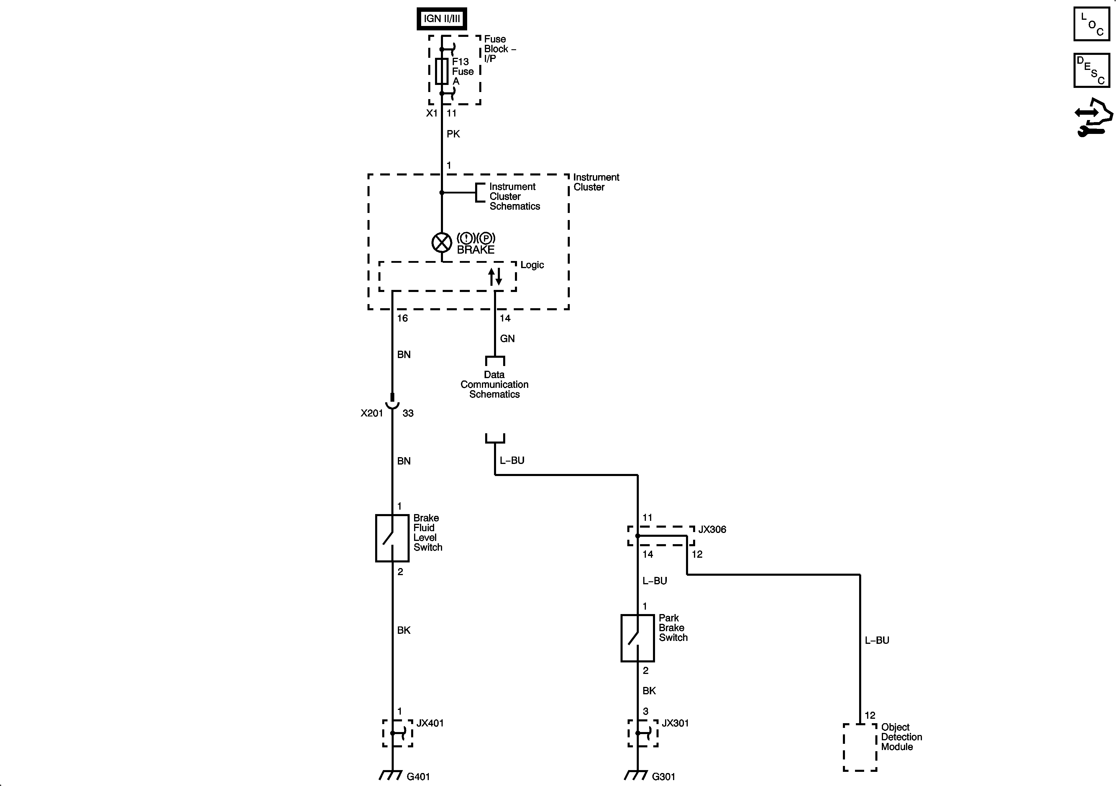
🢒 Park Brake System Schematics