GM Service Manual Online
For 1990-2009 cars only
Figure 1:

Blower, Mode, Temperature Controls


Object Number: 1952876  Size: FS
Master Electrical Component List
Control Module References
Temperature Sensors and Signals
EF3, F1, 2, 10, 15, 18, 33, 37, 39 Fuses, Run, ACC/RAP Relays
EF3, F1, 2, 10, 15, 18, 33, 37, 39 Fuses, Run, ACC/RAP Relays
EF2, F11, 12, 14, 16, 19, 24, 26, 31 35 Fuses
G201 (2 of 2)
G102, G202, G203, G204
G201 (2 of 2)
Figure 2:

Temperature Sensors and Signals


Object Number: 1952871  Size: FS
Master Electrical Component List
Control Module References
Compressor Controls
Blower, Mode, Temperature Controls
EF3, F1, 2, 10, 15, 18, 33, 37, 39 Fuses, Run, ACC/RAP Relays
Defogger Schematics (United Kingdom, Ireland Only)
Data Link Connector (DLC)
G201 (1 of 2)
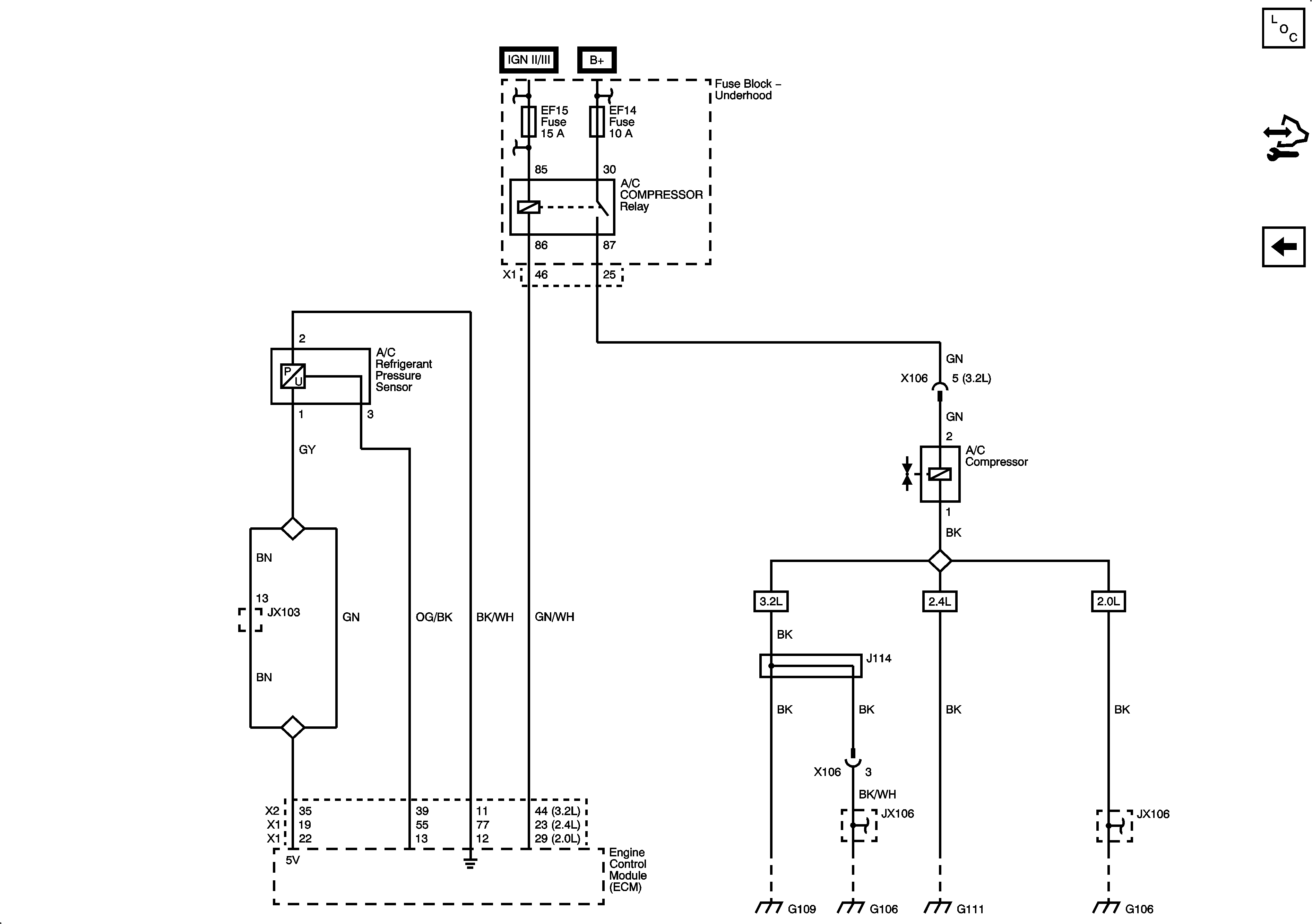
Figure 3:

Compressor Controls


Object Number: 1952874  Size: FS
Master Electrical Component List
Control Module References
Temperature Sensors and Signals
EF10, 11, 12, 13, 15 Fuses, Main Relay (2.0L)
EF8, 9, 14 Fuses, A/C Compressor, Cooling Fan Relays
G106, G107, G109, G110 (3.2L)
G106, G107, G109, G110 (3.2L)
G108, G111 (2.4L)
G106 (2.0L Diesel)