GM Service Manual Online
For 1990-2009 cars only
Makes
🢒
Holden
🢒
2008
🢒
Captiva
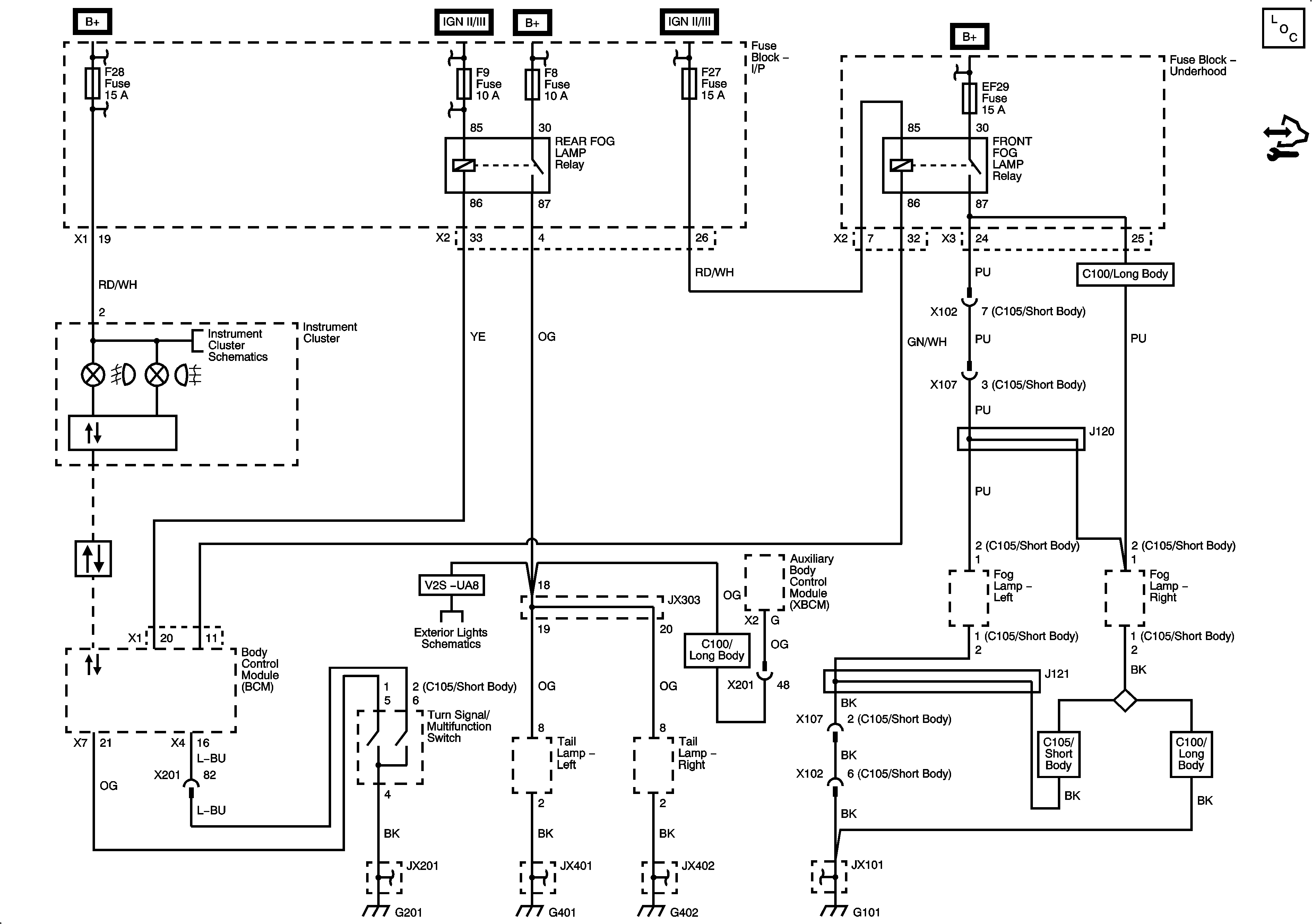
🢒 Fog Light Schematics
Fog Light Schematics
Master Electrical Component List
Control Module References
F3, 5, 28, 32, 34 Fuses
EF7, F6, 8, 9, 13, 17, 20, 25, 27, 29 Fuses, Run/Crank, Rear Fog Lamps, Outside Rearview Mirror, liftgate Glass Relays
EF7, F6, 8, 9, 13, 17, 20, 25, 27, 29 Fuses, Run/Crank, Rear Fog Lamps, Outside Rearview Mirror, liftgate Glass Relays
EF26, 27, 28, 29 Fuses, Headlamps, Foglamps, Relays
F3, 5, 28, 32, 34 Fuses
EF7, F6, 8, 9, 13, 17, 20, 25, 27, 29 Fuses, Run/Crank, Rear Fog Lamps, Outside Rearview Mirror, liftgate Glass Relays
Data Link Connector (DLC)
Trailer Lighting V2S w/o UA8 (C100/Long Body)
G201 (1 of 2)
G401 (2 of 2)
G402
G101, G103, G105